Skip to main content

Parts Diagrams

customer service agent speaking with a customer

Welcome, Kawasaki owners. Access the information and tools you need to get the most out of your vehicle.

Welcome, Kawasaki owners. Access the information and tools you need to get the most out of your vehicle.

Find diagram by part name or number

Find diagram by part name or number

BATTERY CASE/TOOL CASE

BRAKE PEDAL/TORQUE LINK

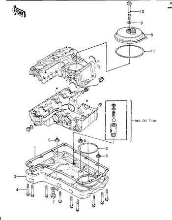
BREATHER COVER/OIL PAN

CAMSHAFTS/CHAIN/TENSIONER

CHASSIS ELECTRICAL EQUIPMENT

CRANKCASE BOLT & STUD PATTERN

FRONT MASTER CYLINDER

GEAR CHANGE DRUM & FORKS

GEAR CHANGE MECHANISM

IGNITION SWITCH/LOCKS

KICKSTARTER MECHANISM

REAR WHEEL/HUB/BRAKE/CHAIN

SIDE COVERS/CHAIN COVER

SPECIAL SERVICE TOOLS "A"

SPECIAL SERVICE TOOLS "B"

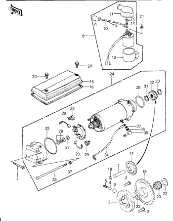
STARTER MOTOR/STARTER CLUTCH

SWING ARM/SHOCK ABSORBERS

FIND PARTS DIAGRAMS

Select a category and model to find the parts diagram you are looking for.

SEARCH BY VEHICLE VIN/HIN

Enter Your Vehicle VIN/HIN

Enter Your Vehicle VIN/HIN
Where is my VIN/HIN?