Skip to main content

Parts Diagrams

customer service agent speaking with a customer

Welcome, Kawasaki owners. Access the information and tools you need to get the most out of your vehicle.

Welcome, Kawasaki owners. Access the information and tools you need to get the most out of your vehicle.

Find diagram by part name or number

Find diagram by part name or number

AIR CLEANER ('81-'82 KLT200-A1/A2/A3)

BATTERY CASE/TOOL CASE ('81-'82 KLT200-A

BRAKE PEDAL ('81-'82 KLT200-A1/A2/A3)

CABLES ('81-'82 KLT200-A1/A2/A3)

CAMSHAFT/CHAIN/TENSIONER ('81-'82 KLT200

CARBURETOR (-F/NO. 522924)

CHAIN CASE (KLT200-A1)

CHAIN CASE (KLT200-A2/A3)

CHAIN TENSIONER ('81-'82 KLT200-A1/A2/A3

CHASSIS ELECTRICAL EQUIPMENT ('81-'82 KL

CLUTCH ('81-'82 KLT200-A1/A2/A3)

CRANKCASE ('81-'82 KLT200-A1/A2/A3)

CYLINDER HEAD/CYLINDER

ENGINE COVERS ('81-'82 KLT200-A1/A2/A3)

FENDERS/COVER ('81-'82 KLT200-A1/A2/A3)

FOOTRESTS ('81-'82 KLT200-A1/A2/A3)

FRONT FORK ('81-'82 KLT200-A1/A2/A3)

FRONT HUB/BRAKE ('81-'82 KLT200-A1/A2/A3

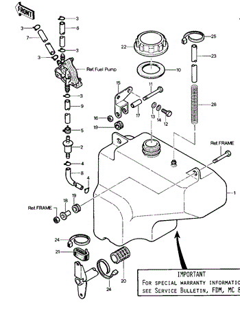
FUEL TANK ('81-'82 KLT200-A1/A2/A3)

GEAR CHANGE DRUM & FORKS ('81-'82 KLT200

GEAR CHANGE MECHANISM ('81-'82 KLT200-A1

HANDLEBAR ('81-'82 KLT200-A1/A2/A3)

HEADLIGHT/TAILLIGHT ('81-'82 KLT200-A1/A

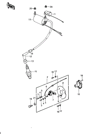
IGNITION (CONTACT BREAKER)

KICKSTARTER MECHANISM

LABELS (KLT200-A1/A2)

MUFFLER ('81-'82 KLT200-A1/A2/A3)

OIL PUMP/OIL FILTER ('81-'82 KLT200-A1/A

OWNER TOOLS ('81-'82 KLT200-A1/A2/A3)

REAR AXLE ('81-'82 KLT200-A1/A2/A3)

REAR BRAKE/CHAIN ('81-'82 KLT200-A1/A2/A

ROCKER ARMS/VALVES ('81-'82 KLT200-A1/A2

SEAT ('81-'82 KLT200-A1/A2/A3)

STARTER MOTOR/STARTER CLUTCH

TRANSMISSION ('81-'82 KLT200-A1/A2/A3)

WHEELS/TIRES ('81-'82 KLT200-A1/A2/A3)

FIND PARTS DIAGRAMS

Select a category and model to find the parts diagram you are looking for.

SEARCH BY VEHICLE VIN/HIN

Enter Your Vehicle VIN/HIN

Enter Your Vehicle VIN/HIN
Where is my VIN/HIN?