Skip to main content

Parts Diagrams

customer service agent speaking with a customer

Welcome, Kawasaki owners. Access the information and tools you need to get the most out of your vehicle.

Welcome, Kawasaki owners. Access the information and tools you need to get the most out of your vehicle.

2026 RIDGE Platinum Ranch Edition HVAC

SELECT A NEW VEHICLE

Find diagram by part name or number

Find diagram by part name or number

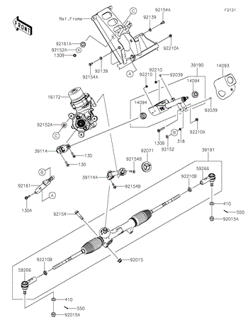
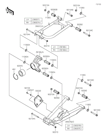
Brake Pedal/Throttle Lever

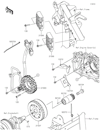
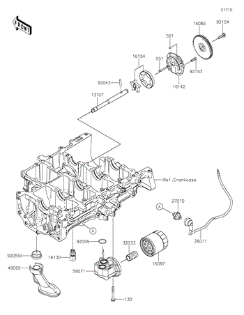
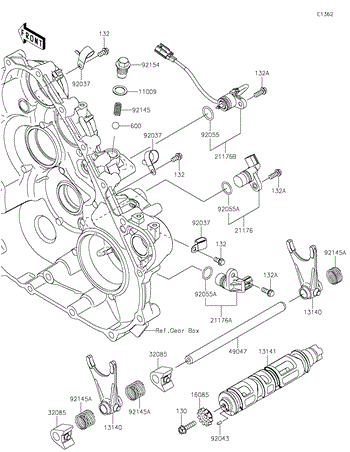
Camshaft(s)/Tensioner

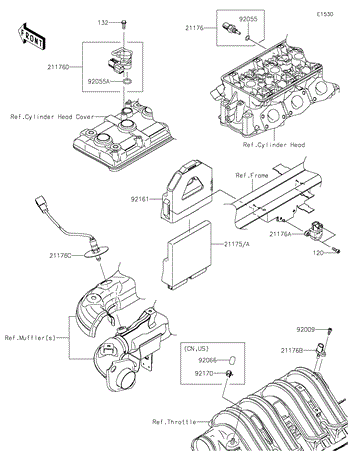
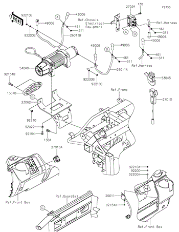
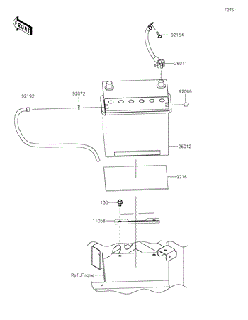
Chassis Electrical Equipment

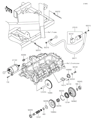
Crankcase Bolt Pattern

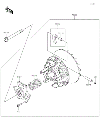
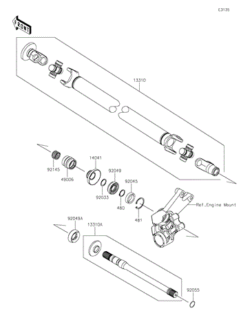
Drive Shaft-Propeller

Driven Converter/Drive Belt

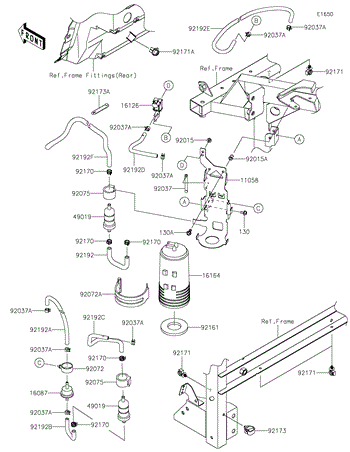
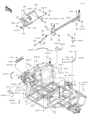
Frame Fittings(Front)

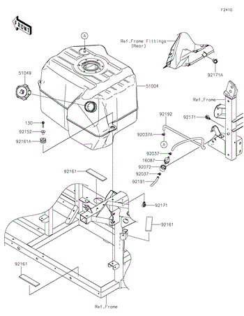
Fuel Evaporative System(CA)

Gear Change Drum/Shift Fork(s)

Gear Change Mechanism

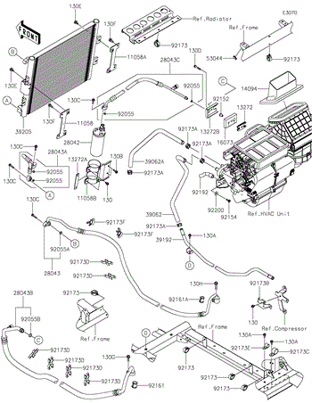
Heat Exchanger Equipment

Other(Audio System)(CA,US)

Other(Audio System)(CN)

FIND PARTS DIAGRAMS

Select a category and model to find the parts diagram you are looking for.

SEARCH BY VEHICLE VIN/HIN

Enter Your Vehicle VIN/HIN

Enter Your Vehicle VIN/HIN
Where is my VIN/HIN?