main content of page
Parts Diagrams
OWNER CENTER |
Welcome, Kawasaki owners. Access the information and tools you need to get the most out of your vehicle.
OWNER CENTER |
Welcome, Kawasaki owners. Access the information and tools you need to get the most out of your vehicle.
Parts Diagrams |
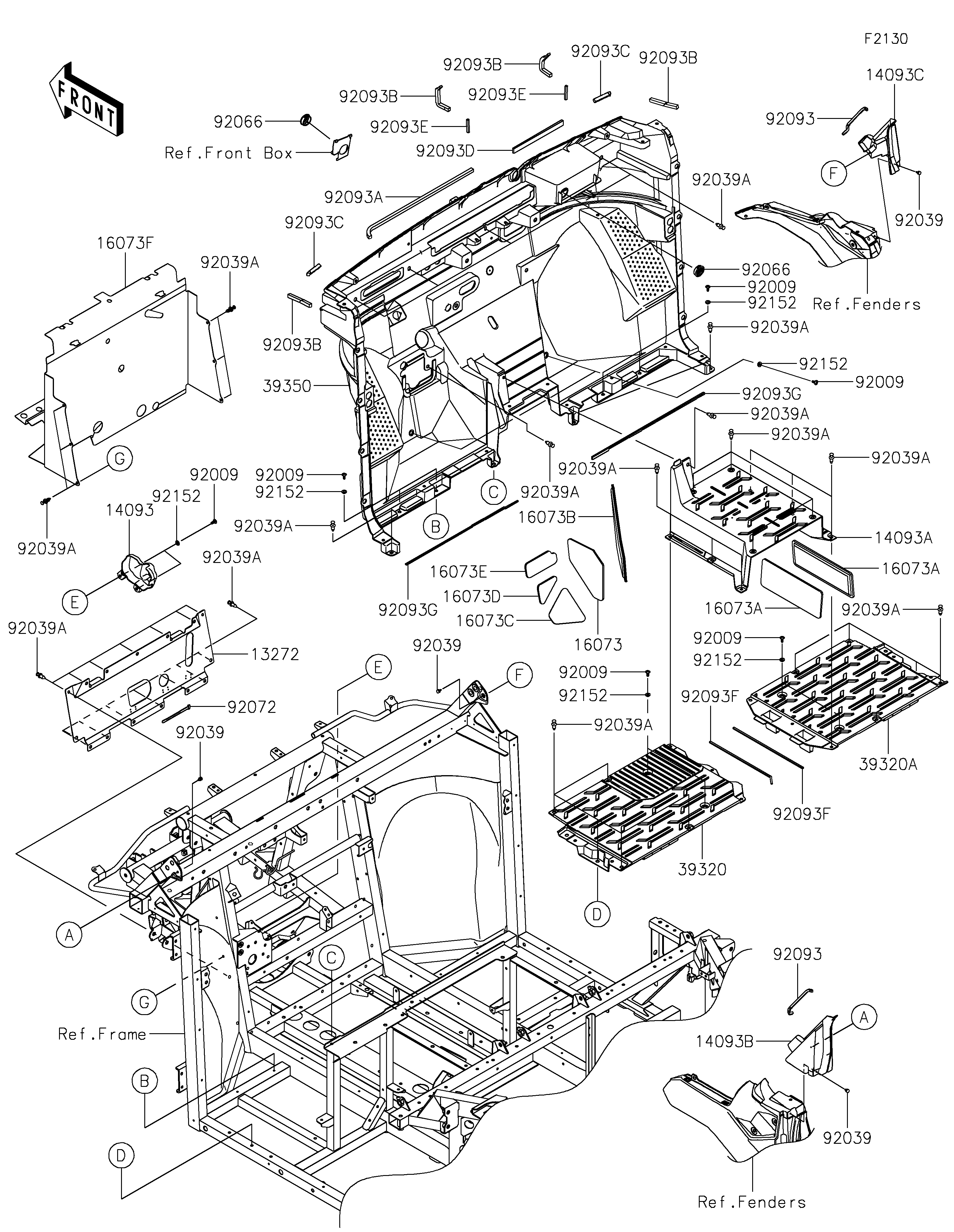
2026 RIDGE Platinum Ranch Edition HVAC - Frame Fittings(Front)
13272
14093
14093A
14093B
14093C
16073
16073A
16073A
16073B
16073C
16073D
16073E
16073F
39320
39320A
39350
92009
92009
92009
92009
92009
92009
92039
92039
92039
92039
92039A
92039A
92039A
92039A
92039A
92039A
92039A
92039A
92039A
92039A
92039A
92039A
92039A
92039A
92066
92066
92072
92093
92093
92093A
92093B
92093B
92093B
92093B
92093C
92093C
92093D
92093E
92093E
92093F
92093F
92093G
92093G
92152
92152
92152
92152
92152
92152
| ITEM NAME | REF # | PART NUMBER | QUANTITY | DESTINATION | REMARKS |
|---|---|---|---|---|---|
| PLATE,FR TUNNEL | 13272 | 13272-4215 | 1 | ||
| COVER,FR GEAR,SIDE | 14093 | 14093-0839 | 1 | ||
| COVER,TUNNEL,CNT | 14093A | 14093-1330 | 1 | ||
| COVER,A PILLAR,LH | 14093B | 14093-1369 | 1 | ||
| COVER,A PILLAR,RH | 14093C | 14093-1370 | 1 | ||
| INSULATOR,FR PANEL | 16073 | 16073-0946 | 1 | ||
| INSULATOR,FR TUNNEL&BACK PANEL | 16073A | 16073-0947 | 2 | ||
| INSULATOR,FR PANEL,RH | 16073B | 16073-0963 | 1 | ||
| INSULATOR,FR PANEL,LH,LWR | 16073C | 16073-0964 | 1 | ||
| INSULATOR,FR PANEL,LH,CNT | 16073D | 16073-0965 | 1 | ||
| INSULATOR,FR PANEL,LH,UPP | 16073E | 16073-0966 | 1 | ||
| INSULATOR,RADIATOR BACK | 16073F | 16073-1167 | 1 | ||
| FLOOR,PANEL,LH | 39320 | 39320-0001 | 1 | ||
| FLOOR,PANEL,RH | 39320A | 39320-0002 | 1 | ||
| PANEL,FR | 39350 | 39350-0006 | 1 | ||
| SCREW,TAPPING,6X16 | 92009 | 92009-1166 | 12 | ||
| RIVET | 92039 | 92039-0046 | 4 | ||
| RIVET | 92039A | 92039-0776 | 51 | ||
| PLUG,FR PANEL | 92066 | 92066-1599 | 2 | ||
| BAND,L=123 | 92072 | 92072-030 | 3 | ||
| SEAL,6X6X195 | 92093 | 92093-0781 | 2 | ||
| SEAL,10X10X500 | 92093A | 92093-0784 | 1 | ||
| SEAL,10X10X110 | 92093B | 92093-0785 | 4 | ||
| SEAL,10X10X60 | 92093C | 92093-0786 | 2 | ||
| SEAL,6X17X220 | 92093D | 92093-0813 | 1 | ||
| SEAL,6X6X50 | 92093E | 92093-0817 | 2 | ||
| SEAL,3X5X310 | 92093F | 92093-0818 | 2 | ||
| SEAL,3X5X500 | 92093G | 92093-0819 | 2 | ||
| COLLAR,6.3X9.5X4.1 | 92152 | 92152-1571 | 12 |
| PLATE,FR TUNNEL | |
| REF # | 13272 |
|---|---|
| PART NUMBER | |
| QUANTITY | 1 |
| DESTINATION | |
| REMARKS | |
| COVER,FR GEAR,SIDE | |
| REF # | 14093 |
|---|---|
| PART NUMBER | |
| QUANTITY | 1 |
| DESTINATION | |
| REMARKS | |
| COVER,TUNNEL,CNT | |
| REF # | 14093A |
|---|---|
| PART NUMBER | |
| QUANTITY | 1 |
| DESTINATION | |
| REMARKS | |
| COVER,A PILLAR,LH | |
| REF # | 14093B |
|---|---|
| PART NUMBER | |
| QUANTITY | 1 |
| DESTINATION | |
| REMARKS | |
| COVER,A PILLAR,RH | |
| REF # | 14093C |
|---|---|
| PART NUMBER | |
| QUANTITY | 1 |
| DESTINATION | |
| REMARKS | |
| INSULATOR,FR PANEL | |
| REF # | 16073 |
|---|---|
| PART NUMBER | |
| QUANTITY | 1 |
| DESTINATION | |
| REMARKS | |
| INSULATOR,FR TUNNEL&BACK PANEL | |
| REF # | 16073A |
|---|---|
| PART NUMBER | |
| QUANTITY | 2 |
| DESTINATION | |
| REMARKS | |
| INSULATOR,FR PANEL,RH | |
| REF # | 16073B |
|---|---|
| PART NUMBER | |
| QUANTITY | 1 |
| DESTINATION | |
| REMARKS | |
| INSULATOR,FR PANEL,LH,LWR | |
| REF # | 16073C |
|---|---|
| PART NUMBER | |
| QUANTITY | 1 |
| DESTINATION | |
| REMARKS | |
| INSULATOR,FR PANEL,LH,CNT | |
| REF # | 16073D |
|---|---|
| PART NUMBER | |
| QUANTITY | 1 |
| DESTINATION | |
| REMARKS | |
| INSULATOR,FR PANEL,LH,UPP | |
| REF # | 16073E |
|---|---|
| PART NUMBER | |
| QUANTITY | 1 |
| DESTINATION | |
| REMARKS | |
| INSULATOR,RADIATOR BACK | |
| REF # | 16073F |
|---|---|
| PART NUMBER | |
| QUANTITY | 1 |
| DESTINATION | |
| REMARKS | |
| FLOOR,PANEL,LH | |
| REF # | 39320 |
|---|---|
| PART NUMBER | |
| QUANTITY | 1 |
| DESTINATION | |
| REMARKS | |
| FLOOR,PANEL,RH | |
| REF # | 39320A |
|---|---|
| PART NUMBER | |
| QUANTITY | 1 |
| DESTINATION | |
| REMARKS | |
| PANEL,FR | |
| REF # | 39350 |
|---|---|
| PART NUMBER | |
| QUANTITY | 1 |
| DESTINATION | |
| REMARKS | |
| SCREW,TAPPING,6X16 | |
| REF # | 92009 |
|---|---|
| PART NUMBER | |
| QUANTITY | 12 |
| DESTINATION | |
| REMARKS | |
| RIVET | |
| REF # | 92039 |
|---|---|
| PART NUMBER | |
| QUANTITY | 4 |
| DESTINATION | |
| REMARKS | |
| RIVET | |
| REF # | 92039A |
|---|---|
| PART NUMBER | |
| QUANTITY | 51 |
| DESTINATION | |
| REMARKS | |
| PLUG,FR PANEL | |
| REF # | 92066 |
|---|---|
| PART NUMBER | |
| QUANTITY | 2 |
| DESTINATION | |
| REMARKS | |
| BAND,L=123 | |
| REF # | 92072 |
|---|---|
| PART NUMBER | |
| QUANTITY | 3 |
| DESTINATION | |
| REMARKS | |
| SEAL,6X6X195 | |
| REF # | 92093 |
|---|---|
| PART NUMBER | |
| QUANTITY | 2 |
| DESTINATION | |
| REMARKS | |
| SEAL,10X10X500 | |
| REF # | 92093A |
|---|---|
| PART NUMBER | |
| QUANTITY | 1 |
| DESTINATION | |
| REMARKS | |
| SEAL,10X10X110 | |
| REF # | 92093B |
|---|---|
| PART NUMBER | |
| QUANTITY | 4 |
| DESTINATION | |
| REMARKS | |
| SEAL,10X10X60 | |
| REF # | 92093C |
|---|---|
| PART NUMBER | |
| QUANTITY | 2 |
| DESTINATION | |
| REMARKS | |
| SEAL,6X17X220 | |
| REF # | 92093D |
|---|---|
| PART NUMBER | |
| QUANTITY | 1 |
| DESTINATION | |
| REMARKS | |
| SEAL,6X6X50 | |
| REF # | 92093E |
|---|---|
| PART NUMBER | |
| QUANTITY | 2 |
| DESTINATION | |
| REMARKS | |
| SEAL,3X5X310 | |
| REF # | 92093F |
|---|---|
| PART NUMBER | |
| QUANTITY | 2 |
| DESTINATION | |
| REMARKS | |
| SEAL,3X5X500 | |
| REF # | 92093G |
|---|---|
| PART NUMBER | |
| QUANTITY | 2 |
| DESTINATION | |
| REMARKS | |
| COLLAR,6.3X9.5X4.1 | |
| REF # | 92152 |
|---|---|
| PART NUMBER | |
| QUANTITY | 12 |
| DESTINATION | |
| REMARKS | |