main content of page
Parts Diagrams
OWNER CENTER |
Welcome, Kawasaki owners. Access the information and tools you need to get the most out of your vehicle.
OWNER CENTER |
Welcome, Kawasaki owners. Access the information and tools you need to get the most out of your vehicle.
Parts Diagrams |
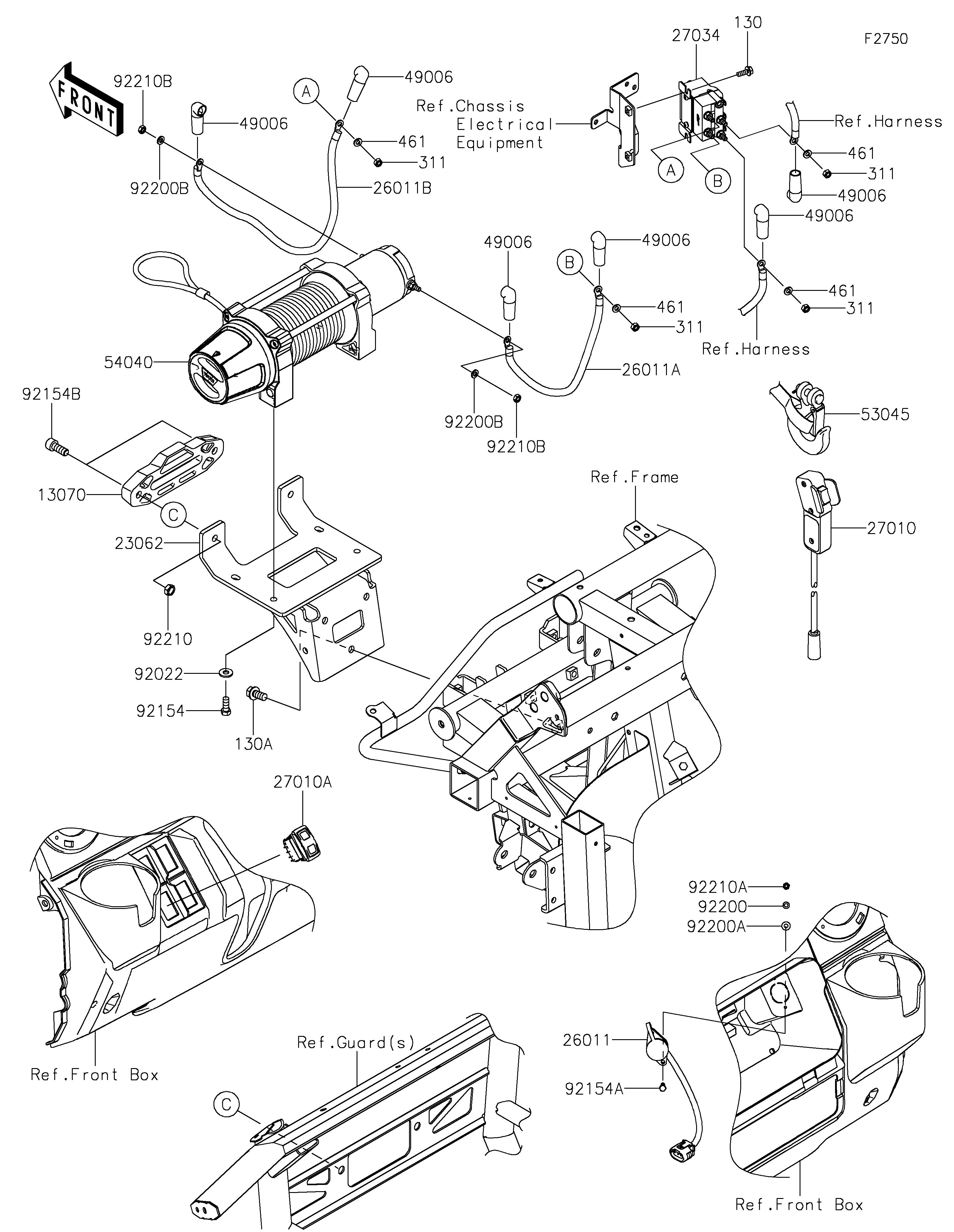
2026 RIDGE Platinum Ranch Edition HVAC - Other(Winch)
13070
23062
26011
26011A
26011B
27010
27010A
27034
49006
49006
49006
49006
49006
49006
53045
54040
92022
92154
92154A
92154B
92200
92200A
92200B
92200B
92210
92210A
92210B
92210B
130
130A
311
311
311
311
461
461
461
461
| ITEM NAME | REF # | PART NUMBER | QUANTITY | DESTINATION | REMARKS |
|---|---|---|---|---|---|
| GUIDE,FAIRLEAD | 13070 | 13070-1447 | 1 | ||
| BRACKET-COMP,WINCH | 23062 | 23062-1645 | 1 | ||
| WIRE-LEAD,REMOTE SWITCH | 26011 | 26011-0935 | 1 | ||
| WIRE-LEAD,BLUE | 26011A | 26011-2430 | 1 | ||
| WIRE-LEAD,YELLOW | 26011B | 26011-2431 | 1 | ||
| SWITCH,REMOTE | 27010 | 27010-0820 | 1 | ||
| SWITCH | 27010A | 27010-0985 | 1 | ||
| RELAY,CONTROLLER | 27034 | 27034-0018 | 1 | ||
| BOOT | 49006 | 49006-0601 | 6 | ||
| HOOK-ASSY | 53045 | 53045-0028 | 1 | ||
| WINCH,VRX45-S | 54040 | 54040-0010 | 1 | ||
| WASHER,8.2X19X2 | 92022 | 92022-1533 | 4 | ||
| BOLT,8X20 | 92154 | 92154-1876 | 4 | ||
| BOLT,5X20 | 92154A | 92154-1879 | 2 | ||
| BOLT,10X25 | 92154B | 92154-4277 | 2 | ||
| WASHER,5 LOCK | 92200 | 92200-1777 | 2 | ||
| WASHER | 92200A | 92200-1778 | 2 | ||
| WASHER,6.4X12X1.8 | 92200B | 92200-2358 | 2 | ||
| NUT,LOCK,M10 | 92210 | 92210-1432 | 2 | ||
| NUT,M5X0.80 | 92210A | 92210-1435 | 2 | ||
| NUT,6MM | 92210B | 92210-1792 | 2 | ||
| BOLT-FLANGED,6X16 | 130 | 130BA0616 | 2 | ||
| BOLT-FLANGED,10X20 | 130A | 130BA1020 | 3 | ||
| NUT-HEX,6MM | 311 | 311BA0600 | 4 | ||
| WASHER-SPRING,6MM | 461 | 461DA0600 | 4 |
| GUIDE,FAIRLEAD | |
| REF # | 13070 |
|---|---|
| PART NUMBER | |
| QUANTITY | 1 |
| DESTINATION | |
| REMARKS | |
| BRACKET-COMP,WINCH | |
| REF # | 23062 |
|---|---|
| PART NUMBER | |
| QUANTITY | 1 |
| DESTINATION | |
| REMARKS | |
| WIRE-LEAD,REMOTE SWITCH | |
| REF # | 26011 |
|---|---|
| PART NUMBER | |
| QUANTITY | 1 |
| DESTINATION | |
| REMARKS | |
| WIRE-LEAD,BLUE | |
| REF # | 26011A |
|---|---|
| PART NUMBER | |
| QUANTITY | 1 |
| DESTINATION | |
| REMARKS | |
| WIRE-LEAD,YELLOW | |
| REF # | 26011B |
|---|---|
| PART NUMBER | |
| QUANTITY | 1 |
| DESTINATION | |
| REMARKS | |
| SWITCH,REMOTE | |
| REF # | 27010 |
|---|---|
| PART NUMBER | |
| QUANTITY | 1 |
| DESTINATION | |
| REMARKS | |
| SWITCH | |
| REF # | 27010A |
|---|---|
| PART NUMBER | |
| QUANTITY | 1 |
| DESTINATION | |
| REMARKS | |
| RELAY,CONTROLLER | |
| REF # | 27034 |
|---|---|
| PART NUMBER | |
| QUANTITY | 1 |
| DESTINATION | |
| REMARKS | |
| BOOT | |
| REF # | 49006 |
|---|---|
| PART NUMBER | |
| QUANTITY | 6 |
| DESTINATION | |
| REMARKS | |
| HOOK-ASSY | |
| REF # | 53045 |
|---|---|
| PART NUMBER | |
| QUANTITY | 1 |
| DESTINATION | |
| REMARKS | |
| WINCH,VRX45-S | |
| REF # | 54040 |
|---|---|
| PART NUMBER | |
| QUANTITY | 1 |
| DESTINATION | |
| REMARKS | |
| WASHER,8.2X19X2 | |
| REF # | 92022 |
|---|---|
| PART NUMBER | |
| QUANTITY | 4 |
| DESTINATION | |
| REMARKS | |
| BOLT,8X20 | |
| REF # | 92154 |
|---|---|
| PART NUMBER | |
| QUANTITY | 4 |
| DESTINATION | |
| REMARKS | |
| BOLT,5X20 | |
| REF # | 92154A |
|---|---|
| PART NUMBER | |
| QUANTITY | 2 |
| DESTINATION | |
| REMARKS | |
| BOLT,10X25 | |
| REF # | 92154B |
|---|---|
| PART NUMBER | |
| QUANTITY | 2 |
| DESTINATION | |
| REMARKS | |
| WASHER,5 LOCK | |
| REF # | 92200 |
|---|---|
| PART NUMBER | |
| QUANTITY | 2 |
| DESTINATION | |
| REMARKS | |
| WASHER | |
| REF # | 92200A |
|---|---|
| PART NUMBER | |
| QUANTITY | 2 |
| DESTINATION | |
| REMARKS | |
| WASHER,6.4X12X1.8 | |
| REF # | 92200B |
|---|---|
| PART NUMBER | |
| QUANTITY | 2 |
| DESTINATION | |
| REMARKS | |
| NUT,LOCK,M10 | |
| REF # | 92210 |
|---|---|
| PART NUMBER | |
| QUANTITY | 2 |
| DESTINATION | |
| REMARKS | |
| NUT,M5X0.80 | |
| REF # | 92210A |
|---|---|
| PART NUMBER | |
| QUANTITY | 2 |
| DESTINATION | |
| REMARKS | |
| NUT,6MM | |
| REF # | 92210B |
|---|---|
| PART NUMBER | |
| QUANTITY | 2 |
| DESTINATION | |
| REMARKS | |
| BOLT-FLANGED,6X16 | |
| REF # | 130 |
|---|---|
| PART NUMBER | |
| QUANTITY | 2 |
| DESTINATION | |
| REMARKS | |
| BOLT-FLANGED,10X20 | |
| REF # | 130A |
|---|---|
| PART NUMBER | |
| QUANTITY | 3 |
| DESTINATION | |
| REMARKS | |
| NUT-HEX,6MM | |
| REF # | 311 |
|---|---|
| PART NUMBER | |
| QUANTITY | 4 |
| DESTINATION | |
| REMARKS | |
| WASHER-SPRING,6MM | |
| REF # | 461 |
|---|---|
| PART NUMBER | |
| QUANTITY | 4 |
| DESTINATION | |
| REMARKS | |