Skip to main content

Parts Diagrams

customer service agent speaking with a customer

Welcome, Kawasaki owners. Access the information and tools you need to get the most out of your vehicle.

Welcome, Kawasaki owners. Access the information and tools you need to get the most out of your vehicle.

Find diagram by part name or number

Find diagram by part name or number

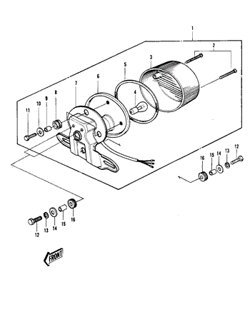
CHASSIS ELECTRICAL EQUIPMENT (KH250-A5)

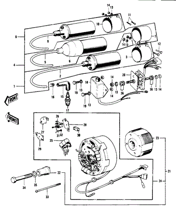
CHASSIS ELECTRICAL EQUIPMENT (S1-A/B/C)

CYLINDER HEADS/CYLINDERS

FOOTRESTS/STANDS/BRAKE PEDAL

FRAME/FRAME FITTINGS (S1-A)

FRAME/FRAME FITTINGS (S1-B/C,KH250-A5)

FRONT FORK (S1-C,KH250-A5)

GEAR CHANGE MECHANISM

HANDLEBAR (S1-B/C,KH250-A5)

IGNITION/GENERATOR/REGULATOR

KICKSTARTER MECHANISM

METERS/IGNITION SWITCH

SEAT/SEAT COVER (S1-A)

SEAT/SEAT COVER (S1-B/C,KH250-A5)

SIDE COVERS/OIL TANK/CHAIN COVER (S1-A)

SIDE COVERS/OIL TANK/CHAIN COVER (S1-B/C

SWING ARM/SHOCK ABSORBERS (S1-A)

SWING ARM/SHOCK ABSORBERS (S1-B/C,KH250-

TRANSMISSION/CHANGE DRUM

FIND PARTS DIAGRAMS

Select a category and model to find the parts diagram you are looking for.

SEARCH BY VEHICLE VIN/HIN

Enter Your Vehicle VIN/HIN

Enter Your Vehicle VIN/HIN
Where is my VIN/HIN?