Skip to main content

Parts Diagrams

customer service agent speaking with a customer

Welcome, Kawasaki owners. Access the information and tools you need to get the most out of your vehicle.

Welcome, Kawasaki owners. Access the information and tools you need to get the most out of your vehicle.

2021 VULCAN® 900 CLASSIC LT

SELECT A NEW VEHICLE

Find diagram by part name or number

Find diagram by part name or number

Brake Pedal/Torque Link

Camshaft(s)/Tensioner

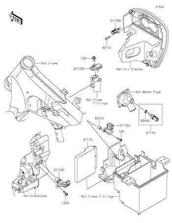
Chassis Electrical Equipment

Crankcase Bolt Pattern

Front Master Cylinder

Gear Change Drum/Shift Fork(s)

Gear Change Mechanism

Ignition Switch/Locks/Reflectors

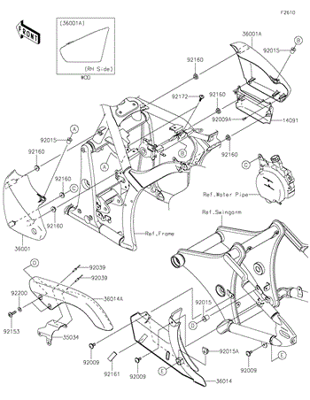
Side Covers/Chain Cover

Suspension/Shock Absorber

FIND PARTS DIAGRAMS

Select a category and model to find the parts diagram you are looking for.

SEARCH BY VEHICLE VIN/HIN

Enter Your Vehicle VIN/HIN

Enter Your Vehicle VIN/HIN
Where is my VIN/HIN?