Skip to main content

Parts Diagrams

customer service agent speaking with a customer

Welcome, Kawasaki owners. Access the information and tools you need to get the most out of your vehicle.

Welcome, Kawasaki owners. Access the information and tools you need to get the most out of your vehicle.

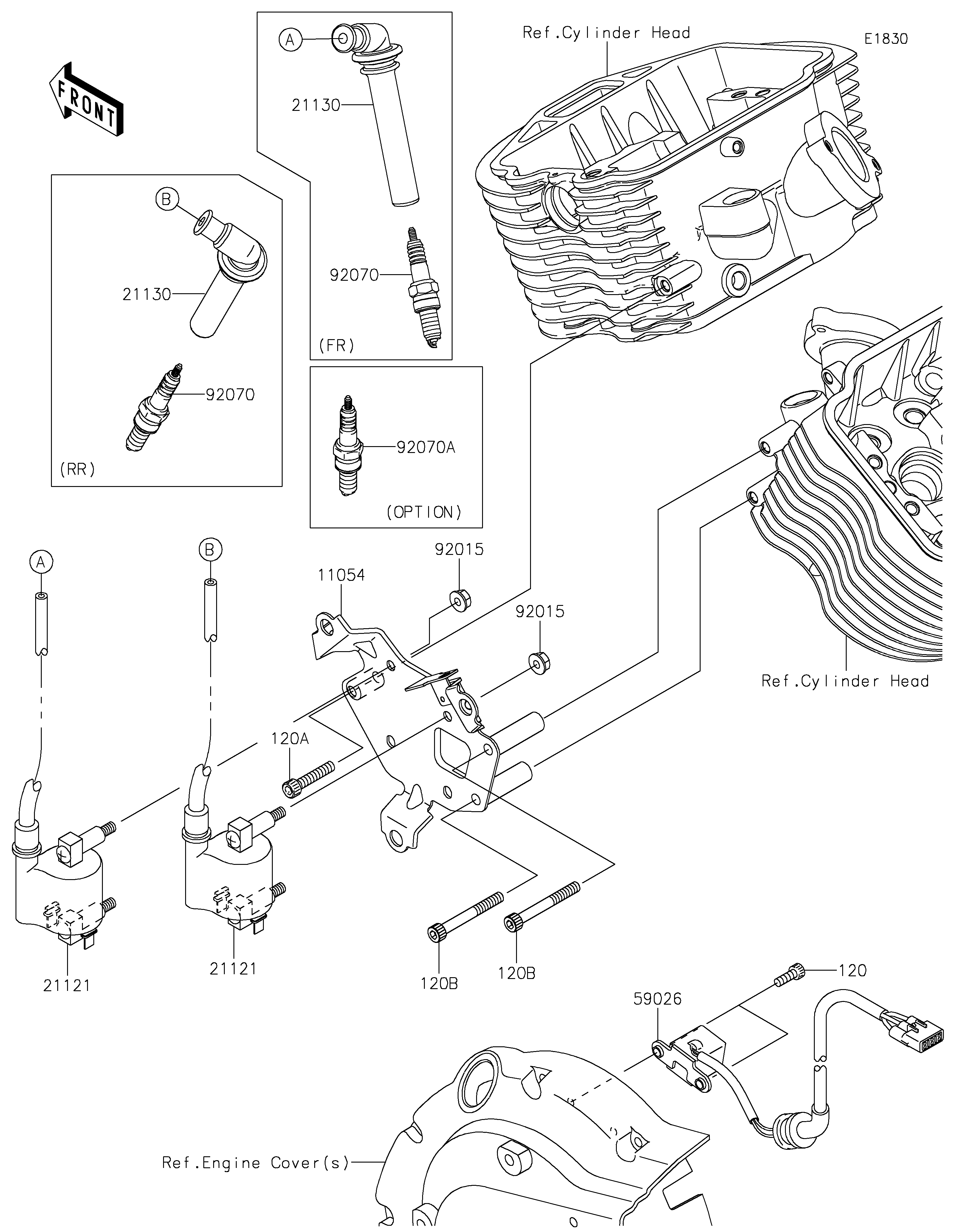
2021 VULCAN® 900 CLASSIC LT - Ignition System

11054
120
120A
120B
120B
21121
21121
21130
21130
59026
92015
92015
92070
92070
92070A
Part Item Information
ITEM NAME REF # PART NUMBER QUANTITY DESTINATION REMARKS
BRACKET,IGNITION COIL 11054 11054-1537 1
BOLT-SOCKET,5X14 120 120CA0514 2
BOLT-SOCKET,6X35 120A 120CA0635 1
BOLT-SOCKET,6X55 120B 120CA0655 2
COIL-IGNITION 21121 21121-0027 2
CAP-SPARK PLUG 21130 21130-1075 2
COIL-PULSING 59026 59026-0017 1
NUT,FLANGED,6MM 92015 92015-1367 4
PLUG-SPARK,CPR7EA-9(NGK) 92070 92070-0022 2
PLUG-SPARK,CPR8EA-9(NGK) 92070A 92070-0029 2 (OPTION)