Skip to main content

Parts Diagrams

customer service agent speaking with a customer

Welcome, Kawasaki owners. Access the information and tools you need to get the most out of your vehicle.

Welcome, Kawasaki owners. Access the information and tools you need to get the most out of your vehicle.

2021 MULE 4010 TRANS4x4® FE

SELECT A NEW VEHICLE

Find diagram by part name or number

Find diagram by part name or number

Air Cleaner-Belt Converter

Brake Pedal/Throttle Lever

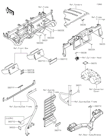
Chassis Electrical Equipment

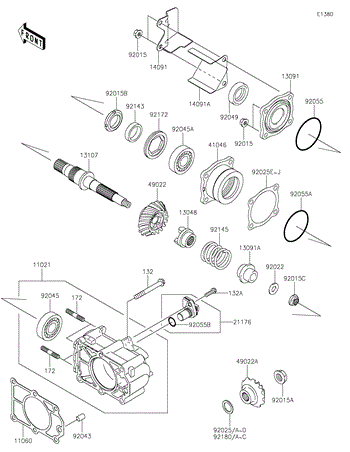
Drive Shaft-Propeller

Driven Converter/Drive Belt

Fuel Evaporative System

Gear Change Mechanism

Generator/Ignition Coil

Radiator(- JK1AFHA1 MB500217)

Radiator(JK1AFHA1 MB500218 - )

Side Covers/Chain Cover

FIND PARTS DIAGRAMS

Select a category and model to find the parts diagram you are looking for.

SEARCH BY VEHICLE VIN/HIN

Enter Your Vehicle VIN/HIN

Enter Your Vehicle VIN/HIN
Where is my VIN/HIN?