Skip to main content

Parts Diagrams

customer service agent speaking with a customer

Welcome, Kawasaki owners. Access the information and tools you need to get the most out of your vehicle.

Welcome, Kawasaki owners. Access the information and tools you need to get the most out of your vehicle.

Find diagram by part name or number

Find diagram by part name or number

CABLES ('79-'81 A3/A4/A4A/A5)

CARBURETOR ('79-'81 A3/A4/A4A/A5)

CARBURETOR BRACKETS/FLAME ARRESTER ('79-

CRANKCASE ('79-'81 A3/A4/A4A/A5)

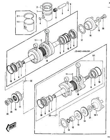
CRANKSHAFT/PISTONS ('79-'81 A3/A4/A4A/A5

CYLINDER HEAD/CYLINDER ('79-'81 A3/A4/A4

DRIVE SHAFT/JET PUMP ('79-'81 A3/A4/A4A/

ELECTRIC CASE (JS440-A3/A4/A4A)

ELECTRIC CASE (JS440-A5)

ENGINE MOUNT/COOLING & BILGE ('79-'81 A3

FUEL TANK ('79-'81 A3/A4/A4A/A5)

GENERATOR/STARTER MOTOR ('79-'81 A3/A4/A

HANDLE POLE/SWITCHES ('79-'81 A3/A4/A4A/

HULL/ENGINE HOOD ('79-'81 A3/A4/A4A/A5)

MUFFLER ('79'-81 A3/A4/A4A/A5)

OWNER TOOLS ('79-'81 A3/A4/A4A/A5)

SPECIAL SERVICE TOOLS ('79-'81 A3/A4/A4A

FIND PARTS DIAGRAMS

Select a category and model to find the parts diagram you are looking for.

SEARCH BY VEHICLE VIN/HIN

Enter Your Vehicle VIN/HIN

Enter Your Vehicle VIN/HIN
Where is my VIN/HIN?