Skip to main content

Parts Diagrams

customer service agent speaking with a customer

Welcome, Kawasaki owners. Access the information and tools you need to get the most out of your vehicle.

Welcome, Kawasaki owners. Access the information and tools you need to get the most out of your vehicle.

Find diagram by part name or number

Find diagram by part name or number

AIR CLEANER ('70-'73)

AIR CLEANER/MUFFLER ('74-'75)

CARBURETOR G4TR-D ('74-'75)

CARBURETOR G4TR-E,KV100-A7 ('74-'75)

CHASSIS ELECTRICAL EQUIPMENT ('70-'73)

CHASSIS ELECTRICAL EQUIPMENT ('74-'75)

CRANKSHAFT/PISTON/ROTARY VALVE ('70-'73)

CRANKSHAFT/PISTON/ROTARY VALVE ('74-'75)

CYLINDER HEAD/CYLINDER ('70-'73)

CYLINDER HEAD/CYLINDER ('74-'75)

ENGINE COVERS 1/2 ('74-'75)

ENGINE COVERS G4TR-B/C 1/2 ('70-'73)

ENGINE COVERS G4TR/A ('70-'73)

FENDERS G4TR-B/C ('70-'73)

FENDERS G4TR/A ('70-'73)

FOOTRESTS/STAND/BRAKE PEDAL ('74-'75)

FOOTRESTS/STAND/BRAKE PEDAL G4TR-C ('70-

FOOTRESTS/STAND/BRAKE PEDAL G4TR/A/B ('7

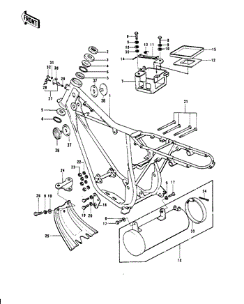
FRAME/FRAME FITTINGS ('70-'73)

FRAME/FRAME FITTINGS ('74-'75)

FRONT FORK G4TR-B ('70-'73)

FRONT FORK G4TR-C ('70-'73)

FRONT FORK G4TR/A 1/2 ('70-'73)

FRONT HUB/BRAKE ('70-'73)

FRONT HUB/BRAKE ('74-'75)

GEAR CHANGE MECHANISM ('70-'73)

GEAR CHANGE MECHANISM ('74-'75)

HANDLEBAR 1/2 ('74-'75)

HANDLEBAR G4TR-B 1/2 ('70-'73)

HANDLEBAR G4TR-C 1/2 ('70-'73)

HANDLEBAR G4TR/A 1/2 ('70-'73)

HEADLIGHT G4TR-D/E ('74-'75)

HEADLIGHT KV100-A7 ('74-'75)

IGNITION/GENERATOR ('70-'73)

IGNITION/GENERATOR 1/2 ('74-'75)

KICKSTARTER MECHANISM ('70-'73)

KICKSTARTER MECHANISM ('74-'75)

METER/IGNITION SWITCH ('74-'75)

METER/IGNITION SWITCH G4TR/A/B ('70-'73)

METERS/IGNITION SWITCH G4TR-C ('70-'73)

OIL TANK/CHAIN COVER ('70-'73)

OIL TANK/CHAIN COVER ('74-'75)

OWNER TOOLS G4TR-C ('70-'73)

OWNER TOOLS G4TR/A/B ('70-'73)

OWNER TOOLS/SPECIAL SERVICE TOOLS ('74-'

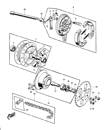
REAR HUB/BRAKE/CHAIN ('70-'73)

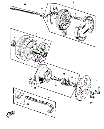
REAR HUB/BRAKE/CHAIN ('74-'75)

SEAT/CARRIER ('70-'73)

SEAT/CARRIER ('74-'75)

SWING ARM/SHOCK ABSORBERS ('70-'73)

SWING ARM/SHOCK ABSORBERS ('74-'75)

TAILLIGHT G4TR-B ('70-'73)

TAILLIGHT G4TR-C ('70-'73)

TAILLIGHT G4TR/A ('70-'73)

TRANSMISSION/CHANGE DRUM 1/2 ('70-'73)

TRANSMISSION/CHANGE DRUM 1/2 ('74-'75)

TURN SIGNALS ('74-'75)

TURN SIGNALS G4TR-B OPTIONAL ('70-'73)

TURN SIGNALS G4TR-C ('70-'73)

WHEELS/TIRES ('70-'73)

WHEELS/TIRES ('74-'75)

FIND PARTS DIAGRAMS

Select a category and model to find the parts diagram you are looking for.

SEARCH BY VEHICLE VIN/HIN

Enter Your Vehicle VIN/HIN

Enter Your Vehicle VIN/HIN
Where is my VIN/HIN?