main content of page
Parts Diagrams
OWNER CENTER |
Welcome, Kawasaki owners. Access the information and tools you need to get the most out of your vehicle.
OWNER CENTER |
Welcome, Kawasaki owners. Access the information and tools you need to get the most out of your vehicle.
Parts Diagrams |
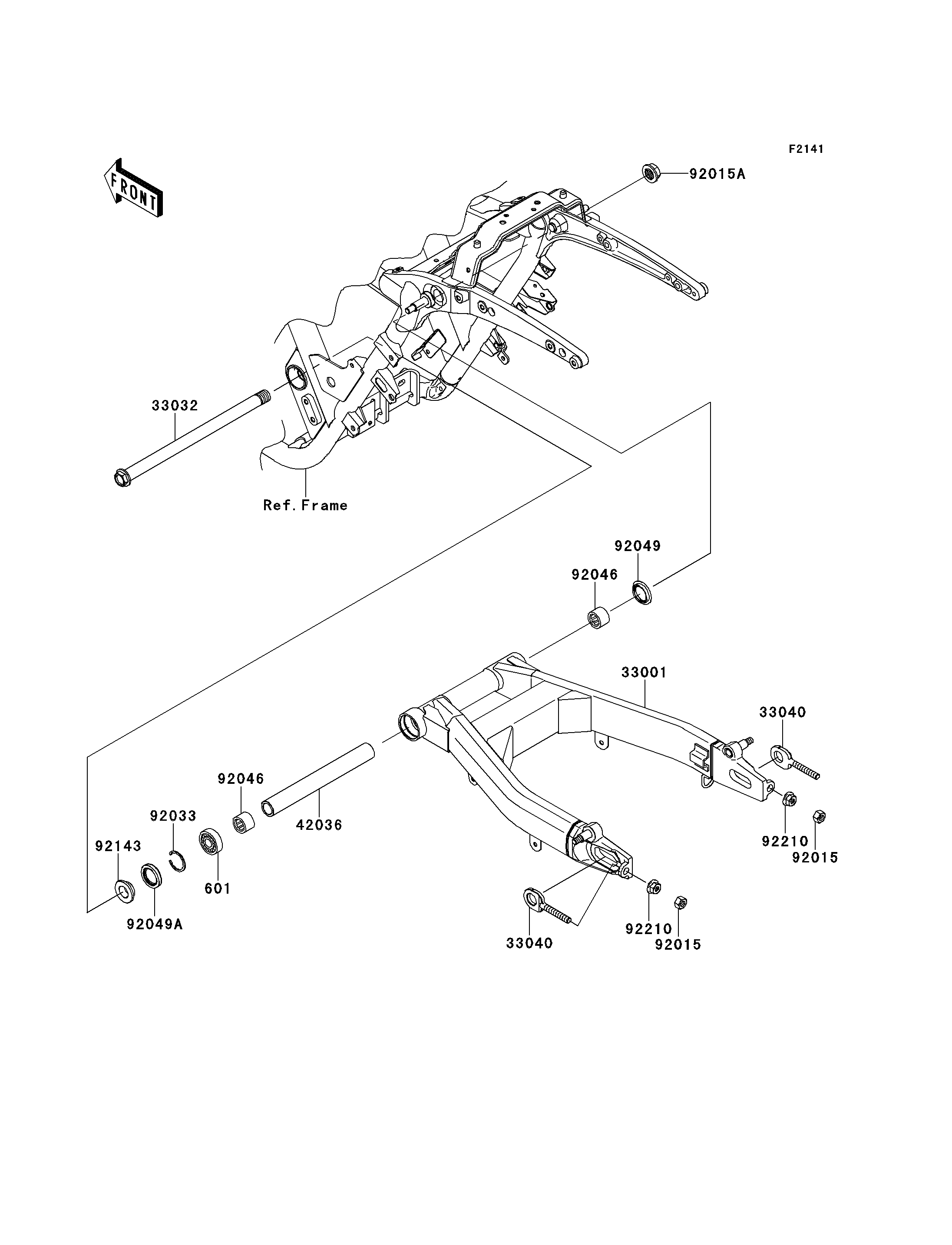
601
33001
33032
33040
33040
42036
92015
92015
92015A
92033
92046
92046
92049
92049A
92143
92210
92210
| ITEM NAME | REF # | PART NUMBER | QUANTITY | DESTINATION | REMARKS |
|---|---|---|---|---|---|
| BEARING-BALL,#6004 | 601 | 601A6004 | 1 | ||
| ARM-COMP-SWING,F.S.BLACK | 33001 | 33001-0205-18R | 1 | ||
| SHAFT-SWING ARM | 33032 | 33032-0031 | 1 | ||
| ADJUSTER-CHAIN | 33040 | 33040-0005 | 2 | ||
| SLEEVE,SWING ARM,L=235.5 | 42036 | 42036-0059 | 1 | ||
| NUT,LOCK,10MM | 92015 | 92015-1494 | 2 | ||
| NUT,FLANGED,20MM | 92015A | 92015-1724 | 1 | ||
| RING-SNAP,42MM | 92033 | 92033-1041 | 1 | ||
| BEARING-NEEDLE,BM2824 | 92046 | 92046-1202 | 2 | ||
| SEAL-OIL | 92049 | 92049-1181 | 1 | ||
| SEAL-OIL,TC28426.5 | 92049A | 92049-1185 | 1 | ||
| COLLAR,SWING ARM,RH,L=12.5 | 92143 | 92143-1727 | 1 | ||
| NUT,FLANGED,10MM | 92210 | 92210-0349 | 2 |
| BEARING-BALL,#6004 | |
| REF # | 601 |
|---|---|
| PART NUMBER | |
| QUANTITY | 1 |
| DESTINATION | |
| REMARKS | |
| ARM-COMP-SWING,F.S.BLACK | |
| REF # | 33001 |
|---|---|
| PART NUMBER | |
| QUANTITY | 1 |
| DESTINATION | |
| REMARKS | |
| SHAFT-SWING ARM | |
| REF # | 33032 |
|---|---|
| PART NUMBER | |
| QUANTITY | 1 |
| DESTINATION | |
| REMARKS | |
| ADJUSTER-CHAIN | |
| REF # | 33040 |
|---|---|
| PART NUMBER | |
| QUANTITY | 2 |
| DESTINATION | |
| REMARKS | |
| SLEEVE,SWING ARM,L=235.5 | |
| REF # | 42036 |
|---|---|
| PART NUMBER | |
| QUANTITY | 1 |
| DESTINATION | |
| REMARKS | |
| NUT,LOCK,10MM | |
| REF # | 92015 |
|---|---|
| PART NUMBER | |
| QUANTITY | 2 |
| DESTINATION | |
| REMARKS | |
| NUT,FLANGED,20MM | |
| REF # | 92015A |
|---|---|
| PART NUMBER | |
| QUANTITY | 1 |
| DESTINATION | |
| REMARKS | |
| RING-SNAP,42MM | |
| REF # | 92033 |
|---|---|
| PART NUMBER | |
| QUANTITY | 1 |
| DESTINATION | |
| REMARKS | |
| BEARING-NEEDLE,BM2824 | |
| REF # | 92046 |
|---|---|
| PART NUMBER | |
| QUANTITY | 2 |
| DESTINATION | |
| REMARKS | |
| SEAL-OIL | |
| REF # | 92049 |
|---|---|
| PART NUMBER | |
| QUANTITY | 1 |
| DESTINATION | |
| REMARKS | |
| SEAL-OIL,TC28426.5 | |
| REF # | 92049A |
|---|---|
| PART NUMBER | |
| QUANTITY | 1 |
| DESTINATION | |
| REMARKS | |
| COLLAR,SWING ARM,RH,L=12.5 | |
| REF # | 92143 |
|---|---|
| PART NUMBER | |
| QUANTITY | 1 |
| DESTINATION | |
| REMARKS | |
| NUT,FLANGED,10MM | |
| REF # | 92210 |
|---|---|
| PART NUMBER | |
| QUANTITY | 2 |
| DESTINATION | |
| REMARKS | |