main content of page
Parts Diagrams
OWNER CENTER |
Welcome, Kawasaki owners. Access the information and tools you need to get the most out of your vehicle.
OWNER CENTER |
Welcome, Kawasaki owners. Access the information and tools you need to get the most out of your vehicle.
Parts Diagrams |
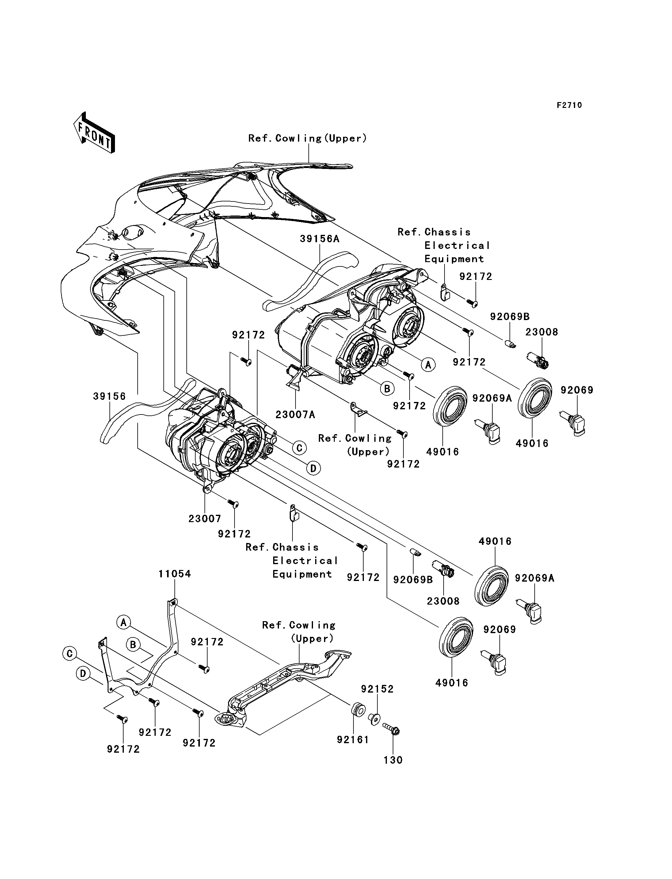
130
11054
23007
23007A
23008
23008
39156
39156A
49016
49016
49016
49016
92069
92069
92069A
92069A
92069B
92069B
92152
92161
92172
92172
92172
92172
92172
92172
92172
92172
92172
92172
92172
| ITEM NAME | REF # | PART NUMBER | QUANTITY | DESTINATION | REMARKS |
|---|---|---|---|---|---|
| BOLT-FLANGED,6X25 | 130 | 130BA0625 | 2 | ||
| BRACKET,HEAD LAMP | 11054 | 11054-0198 | 1 | ||
| LENS-COMP,HEAD LAMP,LH | 23007 | 23007-0161 | 1 | ||
| LENS-COMP,HEAD LAMP,RH | 23007A | 23007-0162 | 1 | ||
| SOCKET-ASSY,HEAD LAMP | 23008 | 23008-0053 | 2 | ||
| PAD,HEAD LAMP,LH | 39156 | 39156-0806 | 1 | ||
| PAD,HEAD LAMP,RH | 39156A | 39156-0807 | 1 | ||
| COVER-SEAL,HEAD LAMP | 49016 | 49016-0023 | 4 | ||
| BULB,12V 65W,H9 | 92069 | 92069-0055 | 2 | ||
| BULB,12V 55W,H11 | 92069A | 92069-0056 | 2 | ||
| BULB,12V 5W | 92069B | 92069-1016 | 2 | ||
| COLLAR | 92152 | 92152-0332 | 2 | ||
| DAMPER | 92161 | 92161-0036 | 2 | ||
| SCREW,TAPPING,5X16 | 92172 | 92172-0238 | 11 |
| BOLT-FLANGED,6X25 | |
| REF # | 130 |
|---|---|
| PART NUMBER | |
| QUANTITY | 2 |
| DESTINATION | |
| REMARKS | |
| BRACKET,HEAD LAMP | |
| REF # | 11054 |
|---|---|
| PART NUMBER | |
| QUANTITY | 1 |
| DESTINATION | |
| REMARKS | |
| LENS-COMP,HEAD LAMP,LH | |
| REF # | 23007 |
|---|---|
| PART NUMBER | |
| QUANTITY | 1 |
| DESTINATION | |
| REMARKS | |
| LENS-COMP,HEAD LAMP,RH | |
| REF # | 23007A |
|---|---|
| PART NUMBER | |
| QUANTITY | 1 |
| DESTINATION | |
| REMARKS | |
| SOCKET-ASSY,HEAD LAMP | |
| REF # | 23008 |
|---|---|
| PART NUMBER | |
| QUANTITY | 2 |
| DESTINATION | |
| REMARKS | |
| PAD,HEAD LAMP,LH | |
| REF # | 39156 |
|---|---|
| PART NUMBER | |
| QUANTITY | 1 |
| DESTINATION | |
| REMARKS | |
| PAD,HEAD LAMP,RH | |
| REF # | 39156A |
|---|---|
| PART NUMBER | |
| QUANTITY | 1 |
| DESTINATION | |
| REMARKS | |
| COVER-SEAL,HEAD LAMP | |
| REF # | 49016 |
|---|---|
| PART NUMBER | |
| QUANTITY | 4 |
| DESTINATION | |
| REMARKS | |
| BULB,12V 65W,H9 | |
| REF # | 92069 |
|---|---|
| PART NUMBER | |
| QUANTITY | 2 |
| DESTINATION | |
| REMARKS | |
| BULB,12V 55W,H11 | |
| REF # | 92069A |
|---|---|
| PART NUMBER | |
| QUANTITY | 2 |
| DESTINATION | |
| REMARKS | |
| BULB,12V 5W | |
| REF # | 92069B |
|---|---|
| PART NUMBER | |
| QUANTITY | 2 |
| DESTINATION | |
| REMARKS | |
| COLLAR | |
| REF # | 92152 |
|---|---|
| PART NUMBER | |
| QUANTITY | 2 |
| DESTINATION | |
| REMARKS | |
| DAMPER | |
| REF # | 92161 |
|---|---|
| PART NUMBER | |
| QUANTITY | 2 |
| DESTINATION | |
| REMARKS | |
| SCREW,TAPPING,5X16 | |
| REF # | 92172 |
|---|---|
| PART NUMBER | |
| QUANTITY | 11 |
| DESTINATION | |
| REMARKS | |