main content of page
Parts Diagrams
OWNER CENTER |

Welcome, Kawasaki owners. Access the information and tools you need to get the most out of your vehicle.
OWNER CENTER |
Welcome, Kawasaki owners. Access the information and tools you need to get the most out of your vehicle.
Parts Diagrams |
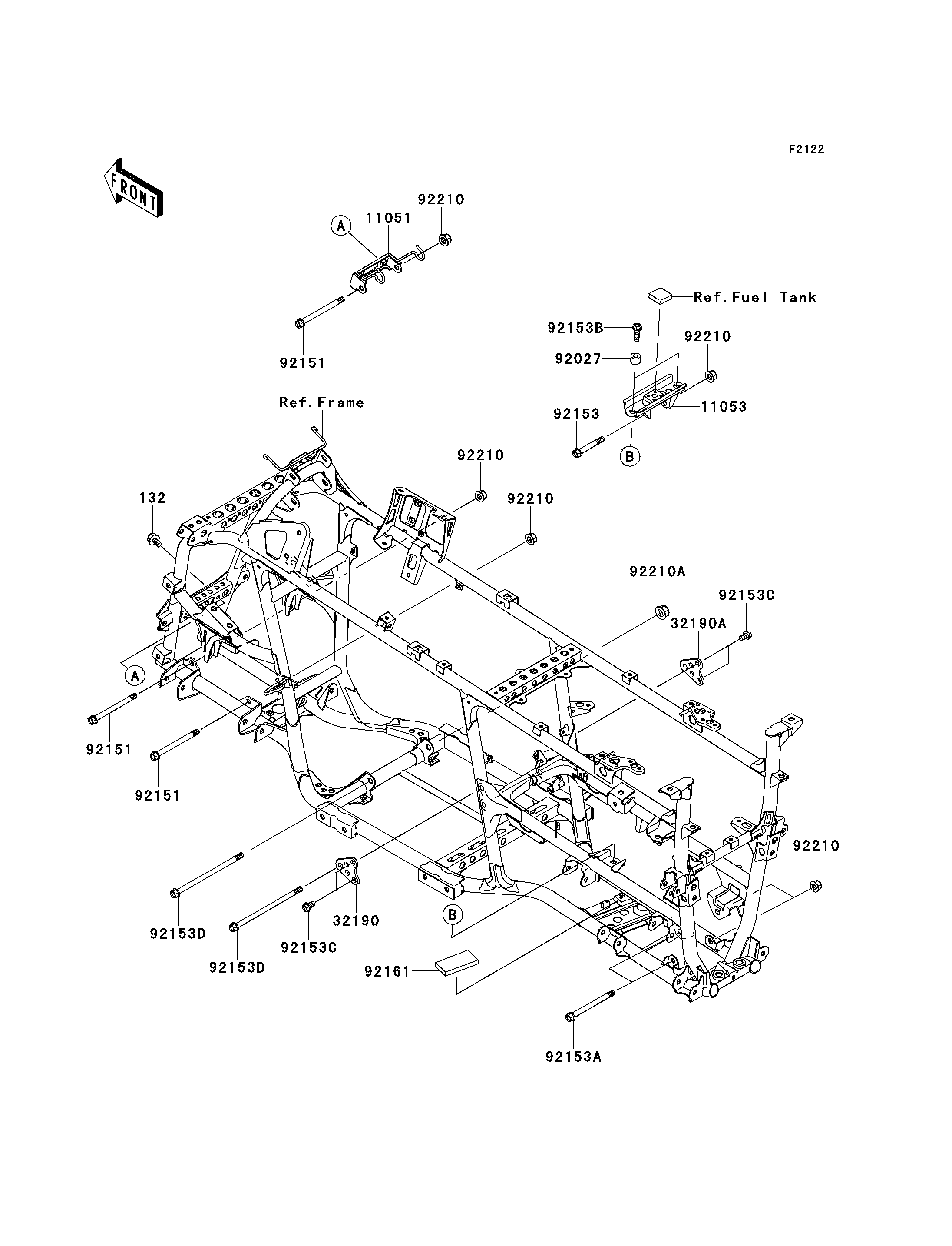
2013 BRUTE FORCE® 750 4x4i EPS - Engine Mount
132
11051
11053
32190
32190A
92027
92151
92151
92151
92153
92153A
92153B
92153C
92153C
92153D
92153D
92161
92210
92210
92210
92210
92210
92210A
ITEM NAME | REF # | PART NUMBER | QUANTITY | DESTINATION | REMARKS |
---|---|---|---|---|---|
BOLT-FLANGED-SMALL,8X14 | 132 | 132BA0814 | 2 | ||
BRACKET,FRONT DIFF | 11051 | 11051-1929 | 1 | ||
BRACKET,REAR DIFF,TOP | 11053 | 11053-1592 | 1 | ||
BRACKET-ENGINE,RR,UPP,LH | 32190 | 32190-0059 | 1 | ||
BRACKET-ENGINE,RR,UPP,RH | 32190A | 32190-0060 | 1 | ||
COLLAR,FRONT AXLE,L=14.5 | 92027 | 92027-1472 | 2 | ||
BOLT,FLANGED,10X120 | 92151 | 92151-1914 | 3 | ||
BOLT,FLANGED,10X70 | 92153 | 92153-0871 | 1 | ||
BOLT,FLANGED,10X120 | 92153A | 92153-0872 | 2 | ||
BOLT,FLANGED,10X30 | 92153B | 92153-0930 | 2 | ||
BOLT,FLANGED,10X16 | 92153C | 92153-0991 | 4 | ||
BOLT,FLANGED,12X190 | 92153D | 92153-1502 | 2 | ||
DAMPER | 92161 | 92161-0215 | 1 | ||
NUT,LOCK,FLANGED,10MM | 92210 | 92210-1081 | 6 | ||
NUT,LOCK,FLANGED,12MM | 92210A | 92210-1150 | 1 |
BOLT-FLANGED-SMALL,8X14 | |
REF # | 132 |
---|---|
PART NUMBER | |
QUANTITY | 2 |
DESTINATION | |
REMARKS |
BRACKET,FRONT DIFF | |
REF # | 11051 |
---|---|
PART NUMBER | |
QUANTITY | 1 |
DESTINATION | |
REMARKS |
BRACKET,REAR DIFF,TOP | |
REF # | 11053 |
---|---|
PART NUMBER | |
QUANTITY | 1 |
DESTINATION | |
REMARKS |
BRACKET-ENGINE,RR,UPP,LH | |
REF # | 32190 |
---|---|
PART NUMBER | |
QUANTITY | 1 |
DESTINATION | |
REMARKS |
BRACKET-ENGINE,RR,UPP,RH | |
REF # | 32190A |
---|---|
PART NUMBER | |
QUANTITY | 1 |
DESTINATION | |
REMARKS |
COLLAR,FRONT AXLE,L=14.5 | |
REF # | 92027 |
---|---|
PART NUMBER | |
QUANTITY | 2 |
DESTINATION | |
REMARKS |
BOLT,FLANGED,10X120 | |
REF # | 92151 |
---|---|
PART NUMBER | |
QUANTITY | 3 |
DESTINATION | |
REMARKS |
BOLT,FLANGED,10X70 | |
REF # | 92153 |
---|---|
PART NUMBER | |
QUANTITY | 1 |
DESTINATION | |
REMARKS |
BOLT,FLANGED,10X120 | |
REF # | 92153A |
---|---|
PART NUMBER | |
QUANTITY | 2 |
DESTINATION | |
REMARKS |
BOLT,FLANGED,10X30 | |
REF # | 92153B |
---|---|
PART NUMBER | |
QUANTITY | 2 |
DESTINATION | |
REMARKS |
BOLT,FLANGED,10X16 | |
REF # | 92153C |
---|---|
PART NUMBER | |
QUANTITY | 4 |
DESTINATION | |
REMARKS |
BOLT,FLANGED,12X190 | |
REF # | 92153D |
---|---|
PART NUMBER | |
QUANTITY | 2 |
DESTINATION | |
REMARKS |
DAMPER | |
REF # | 92161 |
---|---|
PART NUMBER | |
QUANTITY | 1 |
DESTINATION | |
REMARKS |
NUT,LOCK,FLANGED,10MM | |
REF # | 92210 |
---|---|
PART NUMBER | |
QUANTITY | 6 |
DESTINATION | |
REMARKS |
NUT,LOCK,FLANGED,12MM | |
REF # | 92210A |
---|---|
PART NUMBER | |
QUANTITY | 1 |
DESTINATION | |
REMARKS |