main content of page
Parts Diagrams
OWNER CENTER |

Welcome, Kawasaki owners. Access the information and tools you need to get the most out of your vehicle.
OWNER CENTER |
Welcome, Kawasaki owners. Access the information and tools you need to get the most out of your vehicle.
Parts Diagrams |
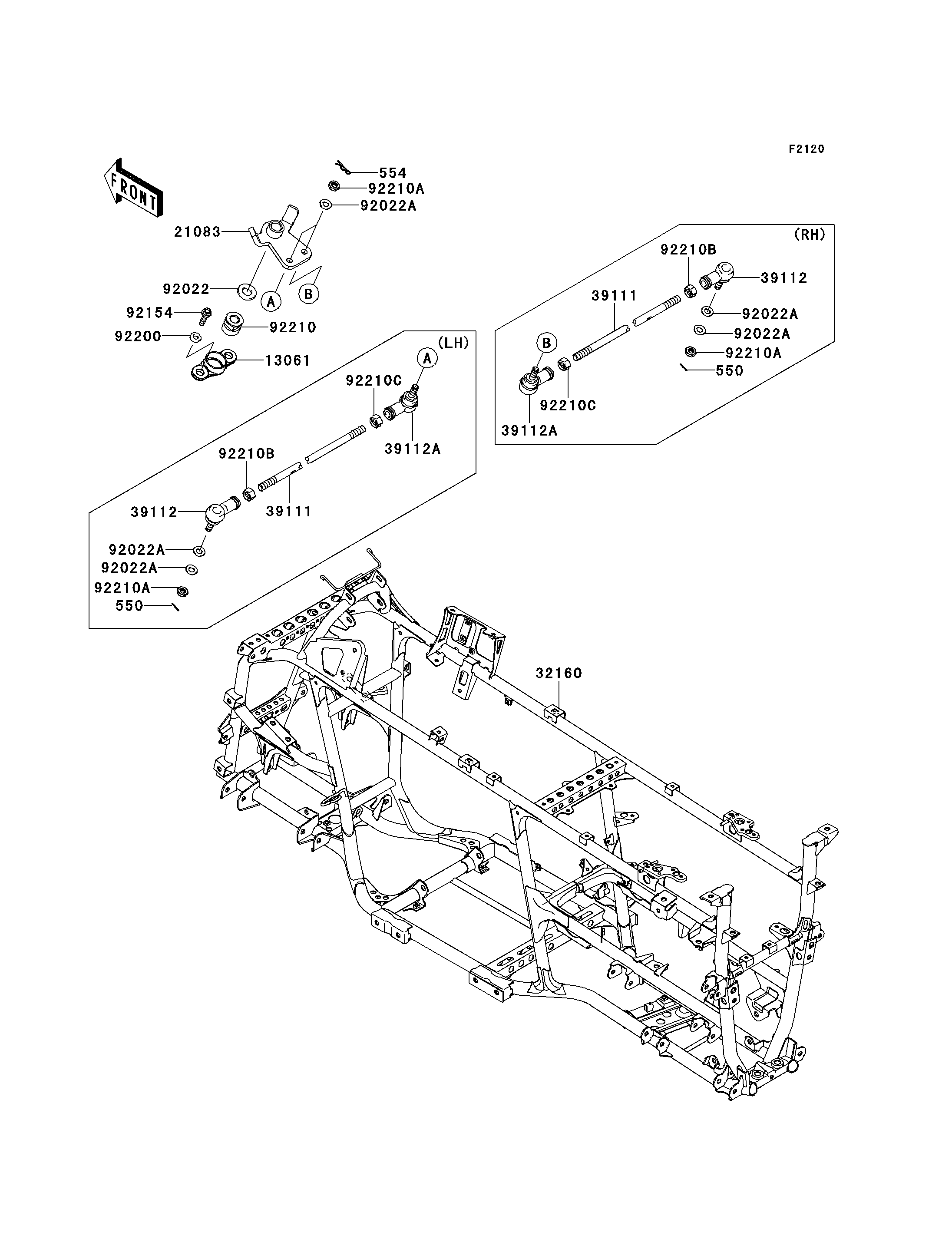
2013 BRUTE FORCE® 750 4x4i EPS - Frame
550
550
554
13061
21083
32160
39111
39111
39112
39112
39112A
39112A
92022
92022A
92022A
92022A
92022A
92022A
92154
92200
92210
92210A
92210A
92210A
92210B
92210B
92210C
92210C
ITEM NAME | REF # | PART NUMBER | QUANTITY | DESTINATION | REMARKS |
---|---|---|---|---|---|
PIN-COTTER,2.0X15 | 550 | 550AA2015 | 2 | ||
PIN-SNAP,10MM | 554 | 554DA1000 | 2 | ||
BOSS,EPS STOPPER | 13061 | 13061-0611 | 1 | ||
ARM,PITMAN | 21083 | 21083-0053 | 1 | ||
FRAME-COMP | 32160 | 32160-0528 | 1 | ||
ROD-TIE | 39111 | 39111-0023 | 2 | ||
RODEND-TIE,RIGHT HANDED | 39112 | 39112-0009 | 2 | ||
RODEND-TIE,LEFT HANDED | 39112A | 39112-0010 | 2 | ||
WASHER,16X32X3.2 | 92022 | 92022-1701 | 1 | ||
WASHER,10.2X20X1.5 | 92022A | 92022-3742 | 6 | ||
BOLT,FLANGED,8X30 | 92154 | 92154-0850 | 2 | ||
WASHER,8.2X20.0X2.5 | 92200 | 92200-0205 | 2 | ||
NUT,16MM | 92210 | 92210-0751 | 1 | ||
NUT,LOCK,10MM | 92210A | 92210-1184 | 4 | ||
NUT,RIGHT HANDED | 92210B | 92210-1385 | 2 | ||
NUT,LEFT HANDED | 92210C | 92210-1386 | 2 |
PIN-COTTER,2.0X15 | |
REF # | 550 |
---|---|
PART NUMBER | |
QUANTITY | 2 |
DESTINATION | |
REMARKS |
PIN-SNAP,10MM | |
REF # | 554 |
---|---|
PART NUMBER | |
QUANTITY | 2 |
DESTINATION | |
REMARKS |
BOSS,EPS STOPPER | |
REF # | 13061 |
---|---|
PART NUMBER | |
QUANTITY | 1 |
DESTINATION | |
REMARKS |
ARM,PITMAN | |
REF # | 21083 |
---|---|
PART NUMBER | |
QUANTITY | 1 |
DESTINATION | |
REMARKS |
FRAME-COMP | |
REF # | 32160 |
---|---|
PART NUMBER | |
QUANTITY | 1 |
DESTINATION | |
REMARKS |
ROD-TIE | |
REF # | 39111 |
---|---|
PART NUMBER | |
QUANTITY | 2 |
DESTINATION | |
REMARKS |
RODEND-TIE,RIGHT HANDED | |
REF # | 39112 |
---|---|
PART NUMBER | |
QUANTITY | 2 |
DESTINATION | |
REMARKS |
RODEND-TIE,LEFT HANDED | |
REF # | 39112A |
---|---|
PART NUMBER | |
QUANTITY | 2 |
DESTINATION | |
REMARKS |
WASHER,16X32X3.2 | |
REF # | 92022 |
---|---|
PART NUMBER | |
QUANTITY | 1 |
DESTINATION | |
REMARKS |
WASHER,10.2X20X1.5 | |
REF # | 92022A |
---|---|
PART NUMBER | |
QUANTITY | 6 |
DESTINATION | |
REMARKS |
BOLT,FLANGED,8X30 | |
REF # | 92154 |
---|---|
PART NUMBER | |
QUANTITY | 2 |
DESTINATION | |
REMARKS |
WASHER,8.2X20.0X2.5 | |
REF # | 92200 |
---|---|
PART NUMBER | |
QUANTITY | 2 |
DESTINATION | |
REMARKS |
NUT,16MM | |
REF # | 92210 |
---|---|
PART NUMBER | |
QUANTITY | 1 |
DESTINATION | |
REMARKS |
NUT,LOCK,10MM | |
REF # | 92210A |
---|---|
PART NUMBER | |
QUANTITY | 4 |
DESTINATION | |
REMARKS |
NUT,RIGHT HANDED | |
REF # | 92210B |
---|---|
PART NUMBER | |
QUANTITY | 2 |
DESTINATION | |
REMARKS |
NUT,LEFT HANDED | |
REF # | 92210C |
---|---|
PART NUMBER | |
QUANTITY | 2 |
DESTINATION | |
REMARKS |