Skip to main content

Parts Diagrams

customer service agent speaking with a customer

Welcome, Kawasaki owners. Access the information and tools you need to get the most out of your vehicle.

Welcome, Kawasaki owners. Access the information and tools you need to get the most out of your vehicle.

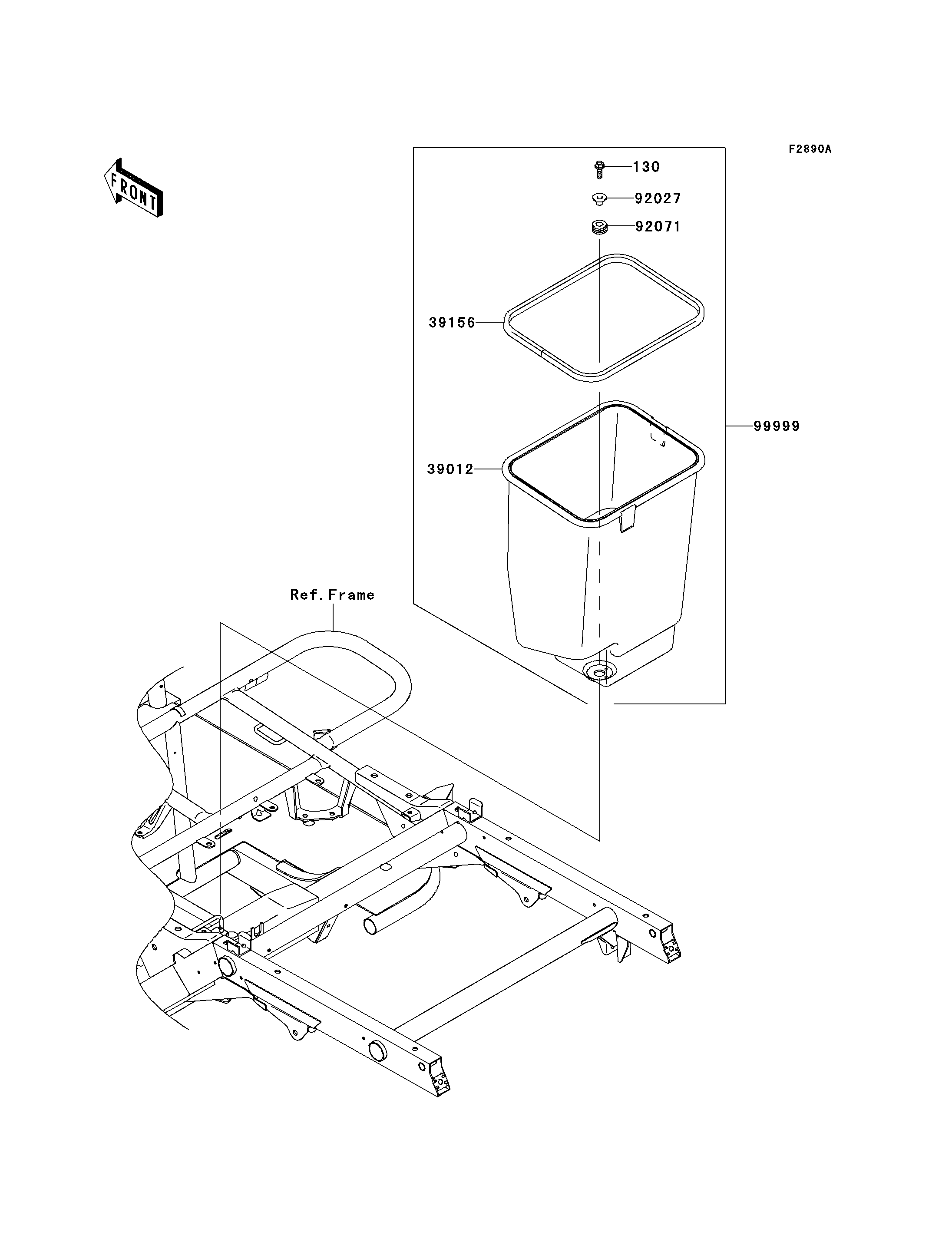
130
39012
39156
92027
92071
99999
Part Item Information
ITEM NAME REF # PART NUMBER QUANTITY DESTINATION REMARKS
BOLT-FLANGED,6X20 130 130J0620 1
CASE-STORAGE 39012 39012-0006 1
PAD,STORAGE CASE 39156 39156-0052 1
COLLAR 92027 92027-1767 1
GROMMET 92071 92071-1010 1
KIT.,STORAGE BOX 99999 99999-0054 1