main content of page
Parts Diagrams
                        OWNER CENTER | 
                    
        Welcome, Kawasaki owners. Access the information and tools you need to get the most out of your vehicle.
                            OWNER CENTER | 
                        
Welcome, Kawasaki owners. Access the information and tools you need to get the most out of your vehicle.
                            Parts Diagrams | 
                        
                                            130
                                        
                                    
                                            132
                                        
                                    
                                            321
                                        
                                    
                                            550
                                        
                                    
                                            11046
                                        
                                    
                                            35019
                                        
                                    
                                            39112
                                        
                                    
                                            39112
                                        
                                    
                                            39114
                                        
                                    
                                            39156
                                        
                                    
                                            39156A
                                        
                                    
                                            39156B
                                        
                                    
                                            39190
                                        
                                    
                                            39191
                                        
                                    
                                            92009
                                        
                                    
                                            92015
                                        
                                    
                                            92066
                                        
                                    
                                            92066
                                        
                                    
                                            92066
                                        
                                    
                                            92066
                                        
                                    
                                            92093
                                        
                                    
                                            92143
                                        
                                    
                                            92153
                                        
                                    
                                            92160
                                        
                                    
                                            92200
                                        
                                    
                                            92200A
                                        
                                    
                                            92210
                                        
                                    
                                            92210
                                        
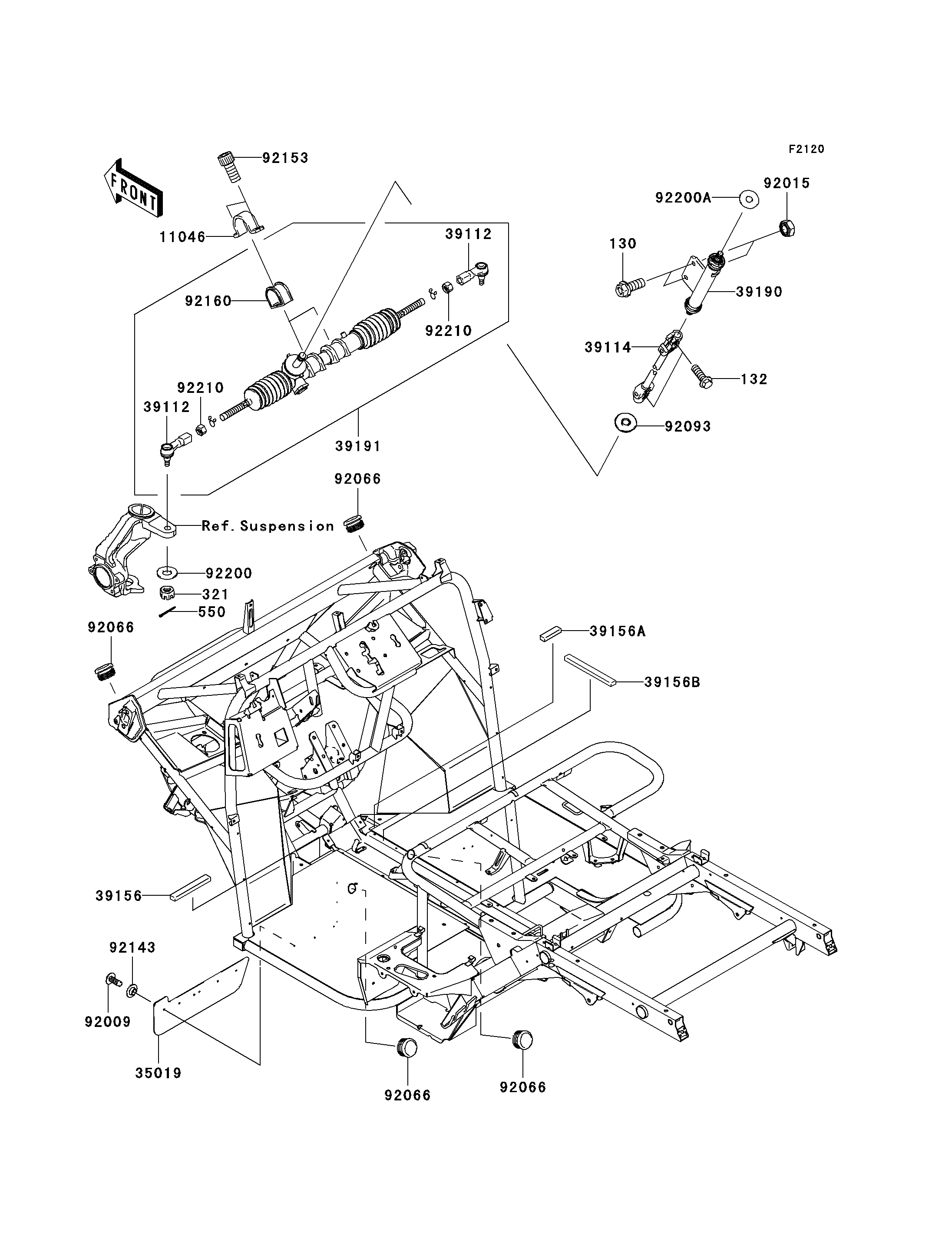
                                    | ITEM NAME | REF # | PART NUMBER | QUANTITY | DESTINATION | REMARKS | 
|---|---|---|---|---|---|
| BOLT-FLANGED,10X25 | 130 | 130J1025 | 2 | ||
| BOLT-FLANGED-SMALL,8X25 | 132 | 132J0825 | 2 | ||
| NUT-CASTLE | 321 | 321H1000 | 2 | ||
| PIN-COTTER,2.0X22 | 550 | 550D2022 | 2 | ||
| BRACKET,STEERING GEAR | 11046 | 11046-1858 | 2 | ||
| FLAP,FR | 35019 | 35019-0037 | 2 | ||
| RODEND-TIE,STEERING GEAR | 39112 | 39112-0008 | 2 | ||
| SHAFT-COMP-STRG | 39114 | 39114-0003 | 1 | ||
| PAD | 39156 | 39156-0068 | 1 | ||
| PAD | 39156A | 39156-0069 | 1 | ||
| PAD | 39156B | 39156-0070 | 1 | ||
| SHAFT-ASSY-STEERING | 39190 | 39190-0001 | 1 | ||
| GEAR-ASSY-STEERING | 39191 | 39191-0001 | 1 | ||
| SCREW,TAPPING,6X16 | 92009 | 92009-1166 | 12 | ||
| NUT,LOCK,10MM,BLACK | 92015 | 92015-1189 | 2 | ||
| PLUG | 92066 | 92066-0036 | 4 | ||
| SEAL | 92093 | 92093-1313 | 1 | ||
| COLLAR | 92143 | 92143-1087 | 12 | ||
| BOLT,SOCKET,10X23 | 92153 | 92153-1269 | 4 | ||
| DAMPER,STEERING GEAR | 92160 | 92160-1084 | 2 | ||
| WASHER,10.3X23X1.6 | 92200 | 92200-0140 | 2 | ||
| WASHER,15X45X0.6 | 92200A | 92200-1130 | 1 | ||
| NUT,14MM | 92210 | 92210-0217 | 2 | 
| BOLT-FLANGED,10X25 | |
| REF # | 130 | 
|---|---|
| PART NUMBER | |
| QUANTITY | 2 | 
| DESTINATION | |
| REMARKS | |
| BOLT-FLANGED-SMALL,8X25 | |
| REF # | 132 | 
|---|---|
| PART NUMBER | |
| QUANTITY | 2 | 
| DESTINATION | |
| REMARKS | |
| NUT-CASTLE | |
| REF # | 321 | 
|---|---|
| PART NUMBER | |
| QUANTITY | 2 | 
| DESTINATION | |
| REMARKS | |
| PIN-COTTER,2.0X22 | |
| REF # | 550 | 
|---|---|
| PART NUMBER | |
| QUANTITY | 2 | 
| DESTINATION | |
| REMARKS | |
| BRACKET,STEERING GEAR | |
| REF # | 11046 | 
|---|---|
| PART NUMBER | |
| QUANTITY | 2 | 
| DESTINATION | |
| REMARKS | |
| FLAP,FR | |
| REF # | 35019 | 
|---|---|
| PART NUMBER | |
| QUANTITY | 2 | 
| DESTINATION | |
| REMARKS | |
| RODEND-TIE,STEERING GEAR | |
| REF # | 39112 | 
|---|---|
| PART NUMBER | |
| QUANTITY | 2 | 
| DESTINATION | |
| REMARKS | |
| SHAFT-COMP-STRG | |
| REF # | 39114 | 
|---|---|
| PART NUMBER | |
| QUANTITY | 1 | 
| DESTINATION | |
| REMARKS | |
| PAD | |
| REF # | 39156 | 
|---|---|
| PART NUMBER | |
| QUANTITY | 1 | 
| DESTINATION | |
| REMARKS | |
| PAD | |
| REF # | 39156A | 
|---|---|
| PART NUMBER | |
| QUANTITY | 1 | 
| DESTINATION | |
| REMARKS | |
| PAD | |
| REF # | 39156B | 
|---|---|
| PART NUMBER | |
| QUANTITY | 1 | 
| DESTINATION | |
| REMARKS | |
| SHAFT-ASSY-STEERING | |
| REF # | 39190 | 
|---|---|
| PART NUMBER | |
| QUANTITY | 1 | 
| DESTINATION | |
| REMARKS | |
| GEAR-ASSY-STEERING | |
| REF # | 39191 | 
|---|---|
| PART NUMBER | |
| QUANTITY | 1 | 
| DESTINATION | |
| REMARKS | |
| SCREW,TAPPING,6X16 | |
| REF # | 92009 | 
|---|---|
| PART NUMBER | |
| QUANTITY | 12 | 
| DESTINATION | |
| REMARKS | |
| NUT,LOCK,10MM,BLACK | |
| REF # | 92015 | 
|---|---|
| PART NUMBER | |
| QUANTITY | 2 | 
| DESTINATION | |
| REMARKS | |
| PLUG | |
| REF # | 92066 | 
|---|---|
| PART NUMBER | |
| QUANTITY | 4 | 
| DESTINATION | |
| REMARKS | |
| SEAL | |
| REF # | 92093 | 
|---|---|
| PART NUMBER | |
| QUANTITY | 1 | 
| DESTINATION | |
| REMARKS | |
| COLLAR | |
| REF # | 92143 | 
|---|---|
| PART NUMBER | |
| QUANTITY | 12 | 
| DESTINATION | |
| REMARKS | |
| BOLT,SOCKET,10X23 | |
| REF # | 92153 | 
|---|---|
| PART NUMBER | |
| QUANTITY | 4 | 
| DESTINATION | |
| REMARKS | |
| DAMPER,STEERING GEAR | |
| REF # | 92160 | 
|---|---|
| PART NUMBER | |
| QUANTITY | 2 | 
| DESTINATION | |
| REMARKS | |
| WASHER,10.3X23X1.6 | |
| REF # | 92200 | 
|---|---|
| PART NUMBER | |
| QUANTITY | 2 | 
| DESTINATION | |
| REMARKS | |
| WASHER,15X45X0.6 | |
| REF # | 92200A | 
|---|---|
| PART NUMBER | |
| QUANTITY | 1 | 
| DESTINATION | |
| REMARKS | |
| NUT,14MM | |
| REF # | 92210 | 
|---|---|
| PART NUMBER | |
| QUANTITY | 2 | 
| DESTINATION | |
| REMARKS | |