Skip to main content

Parts Diagrams

customer service agent speaking with a customer

Welcome, Kawasaki owners. Access the information and tools you need to get the most out of your vehicle.

Welcome, Kawasaki owners. Access the information and tools you need to get the most out of your vehicle.

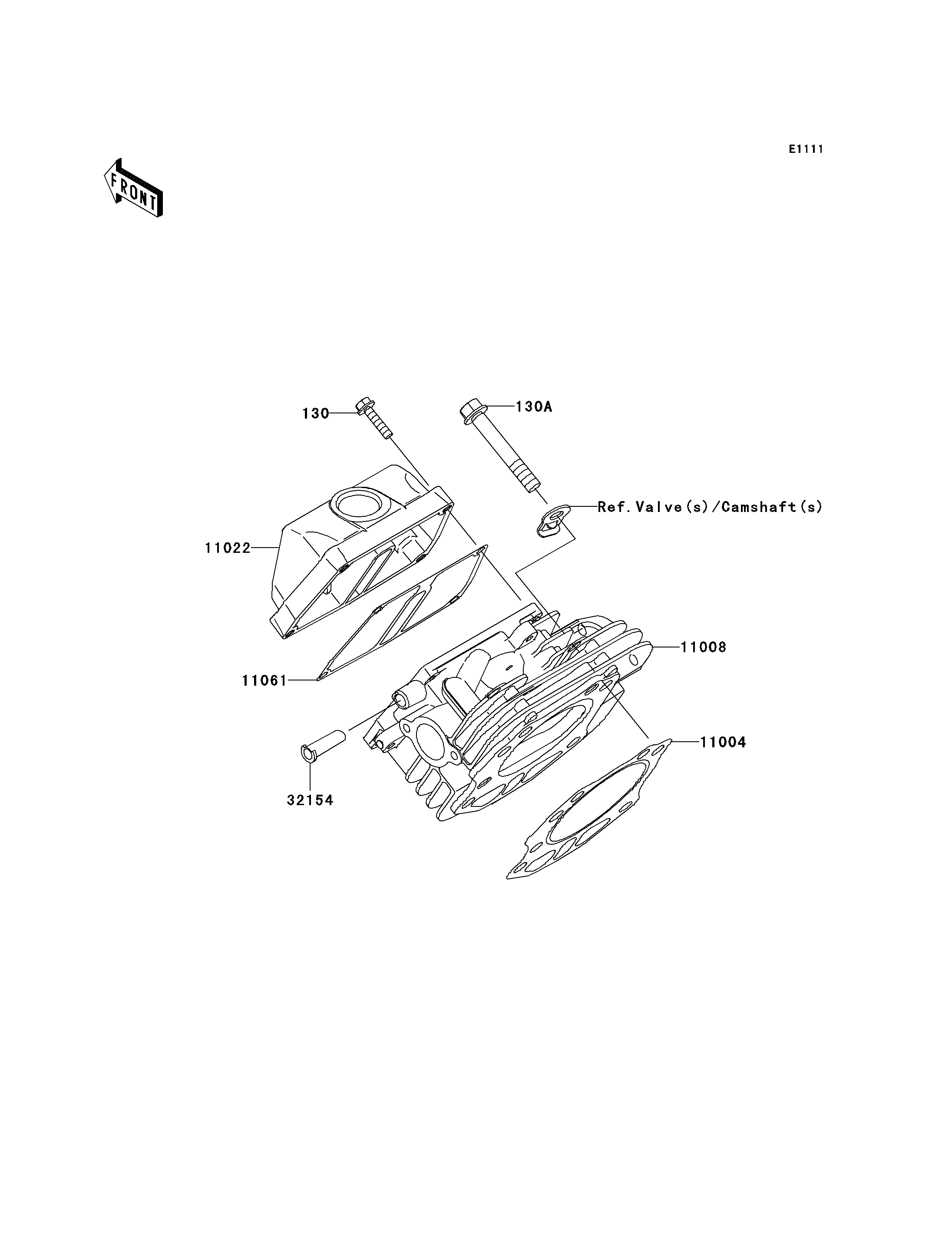
130
130A
11004
11008
11022
11061
32154
Part Item Information
ITEM NAME REF # PART NUMBER QUANTITY DESTINATION REMARKS
BOLT-FLANGED,6X25 130 130B0625 4
BOLT-FLANGED,10X65 130A 130P1065 4
GASKET-HEAD 11004 11004-7017 1
HEAD-COMP-CYLINDER 11008 11008-2162 1
CASE-ROCKER 11022 11022-7008 1
GASKET,CASE-ROCKER 11061 11061-7041 1
PIPE 32154 32154-7008 1