main content of page
Parts Diagrams
OWNER CENTER |
Welcome, Kawasaki owners. Access the information and tools you need to get the most out of your vehicle.
OWNER CENTER |
Welcome, Kawasaki owners. Access the information and tools you need to get the most out of your vehicle.
Parts Diagrams |
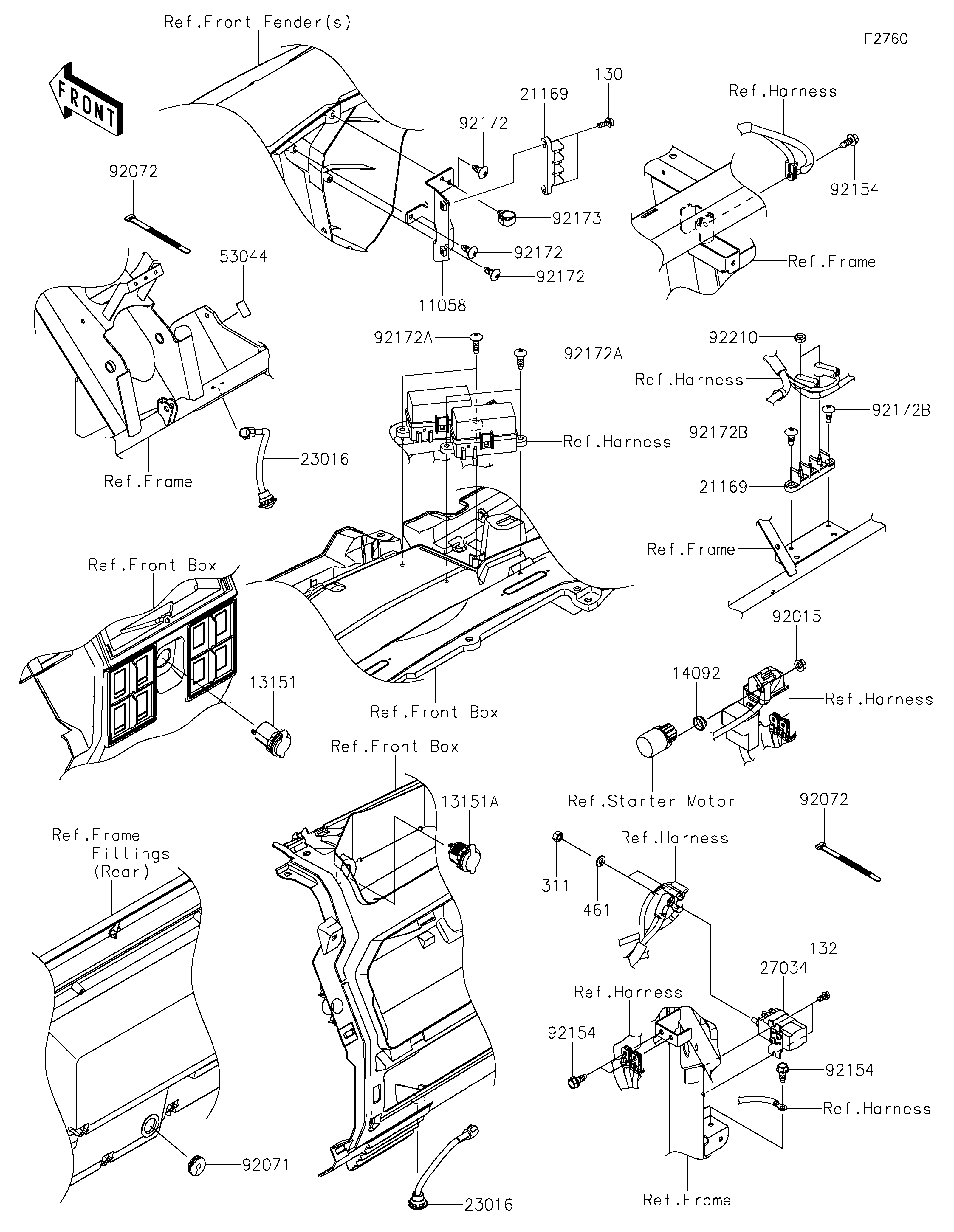
2026 RIDGE - Chassis Electrical Equipment
11058
13151
13151A
14092
21169
21169
23016
23016
27034
53044
92015
92071
92072
92072
92154
92154
92154
92172
92172
92172
92172A
92172A
92172B
92172B
92173
92210
130
132
311
461
| ITEM NAME | REF # | PART NUMBER | QUANTITY | DESTINATION | REMARKS |
|---|---|---|---|---|---|
| BRACKET,TERMINAL | 11058 | 11058-1926 | 1 | ||
| SWITCH-COMP,OUTLET,12V | 13151 | 13151-0556 | 1 | ||
| SWITCH-COMP,USB-SOCKET | 13151A | 13151-0601 | 1 | ||
| COVER,MAGNETIC SW. | 14092 | 14092-0851 | 1 | ||
| TERMINAL | 21169 | 21169-0571 | 2 | ||
| LAMP-ASSY,FLOOR | 23016 | 23016-0671 | 2 | ||
| RELAY | 27034 | 27034-0028 | 1 | ||
| TRIM,L=22 | 53044 | 53044-7503 | 1 | ||
| NUT,FLANGED,6MM | 92015 | 92015-1367 | 1 | ||
| GROMMET,8X22X8 | 92071 | 92071-0753 | 1 | ||
| BAND,L=123 | 92072 | 92072-030 | 2 | ||
| BOLT,FLANGED,6X16 | 92154 | 92154-0551 | 4 | ||
| SCREW,6X16 | 92172 | 92172-0284 | 3 | ||
| SCREW,TAPPING,6X20 | 92172A | 92172-0488 | 4 | ||
| SCREW,TAPPING,6X16 | 92172B | 92172-0739 | 2 | ||
| CLAMP,HOLDER CLIP | 92173 | 92173-0868 | 1 | ||
| NUT | 92210 | 92210-1680 | 4 | ||
| BOLT-FLANGED,6X16 | 130 | 130BA0616 | 2 | ||
| BOLT-FLANGED-SMALL,5X8 | 132 | 132BA0508 | 2 | ||
| NUT-HEX,6MM | 311 | 311BA0600 | 2 | ||
| WASHER-SPRING,6MM | 461 | 461DA0600 | 2 |
| BRACKET,TERMINAL | |
| REF # | 11058 |
|---|---|
| PART NUMBER | |
| QUANTITY | 1 |
| DESTINATION | |
| REMARKS | |
| SWITCH-COMP,OUTLET,12V | |
| REF # | 13151 |
|---|---|
| PART NUMBER | |
| QUANTITY | 1 |
| DESTINATION | |
| REMARKS | |
| SWITCH-COMP,USB-SOCKET | |
| REF # | 13151A |
|---|---|
| PART NUMBER | |
| QUANTITY | 1 |
| DESTINATION | |
| REMARKS | |
| COVER,MAGNETIC SW. | |
| REF # | 14092 |
|---|---|
| PART NUMBER | |
| QUANTITY | 1 |
| DESTINATION | |
| REMARKS | |
| TERMINAL | |
| REF # | 21169 |
|---|---|
| PART NUMBER | |
| QUANTITY | 2 |
| DESTINATION | |
| REMARKS | |
| LAMP-ASSY,FLOOR | |
| REF # | 23016 |
|---|---|
| PART NUMBER | |
| QUANTITY | 2 |
| DESTINATION | |
| REMARKS | |
| RELAY | |
| REF # | 27034 |
|---|---|
| PART NUMBER | |
| QUANTITY | 1 |
| DESTINATION | |
| REMARKS | |
| TRIM,L=22 | |
| REF # | 53044 |
|---|---|
| PART NUMBER | |
| QUANTITY | 1 |
| DESTINATION | |
| REMARKS | |
| NUT,FLANGED,6MM | |
| REF # | 92015 |
|---|---|
| PART NUMBER | |
| QUANTITY | 1 |
| DESTINATION | |
| REMARKS | |
| GROMMET,8X22X8 | |
| REF # | 92071 |
|---|---|
| PART NUMBER | |
| QUANTITY | 1 |
| DESTINATION | |
| REMARKS | |
| BAND,L=123 | |
| REF # | 92072 |
|---|---|
| PART NUMBER | |
| QUANTITY | 2 |
| DESTINATION | |
| REMARKS | |
| BOLT,FLANGED,6X16 | |
| REF # | 92154 |
|---|---|
| PART NUMBER | |
| QUANTITY | 4 |
| DESTINATION | |
| REMARKS | |
| SCREW,6X16 | |
| REF # | 92172 |
|---|---|
| PART NUMBER | |
| QUANTITY | 3 |
| DESTINATION | |
| REMARKS | |
| SCREW,TAPPING,6X20 | |
| REF # | 92172A |
|---|---|
| PART NUMBER | |
| QUANTITY | 4 |
| DESTINATION | |
| REMARKS | |
| SCREW,TAPPING,6X16 | |
| REF # | 92172B |
|---|---|
| PART NUMBER | |
| QUANTITY | 2 |
| DESTINATION | |
| REMARKS | |
| CLAMP,HOLDER CLIP | |
| REF # | 92173 |
|---|---|
| PART NUMBER | |
| QUANTITY | 1 |
| DESTINATION | |
| REMARKS | |
| NUT | |
| REF # | 92210 |
|---|---|
| PART NUMBER | |
| QUANTITY | 4 |
| DESTINATION | |
| REMARKS | |
| BOLT-FLANGED,6X16 | |
| REF # | 130 |
|---|---|
| PART NUMBER | |
| QUANTITY | 2 |
| DESTINATION | |
| REMARKS | |
| BOLT-FLANGED-SMALL,5X8 | |
| REF # | 132 |
|---|---|
| PART NUMBER | |
| QUANTITY | 2 |
| DESTINATION | |
| REMARKS | |
| NUT-HEX,6MM | |
| REF # | 311 |
|---|---|
| PART NUMBER | |
| QUANTITY | 2 |
| DESTINATION | |
| REMARKS | |
| WASHER-SPRING,6MM | |
| REF # | 461 |
|---|---|
| PART NUMBER | |
| QUANTITY | 2 |
| DESTINATION | |
| REMARKS | |