main content of page
Parts Diagrams
OWNER CENTER |
Welcome, Kawasaki owners. Access the information and tools you need to get the most out of your vehicle.
OWNER CENTER |
Welcome, Kawasaki owners. Access the information and tools you need to get the most out of your vehicle.
Parts Diagrams |
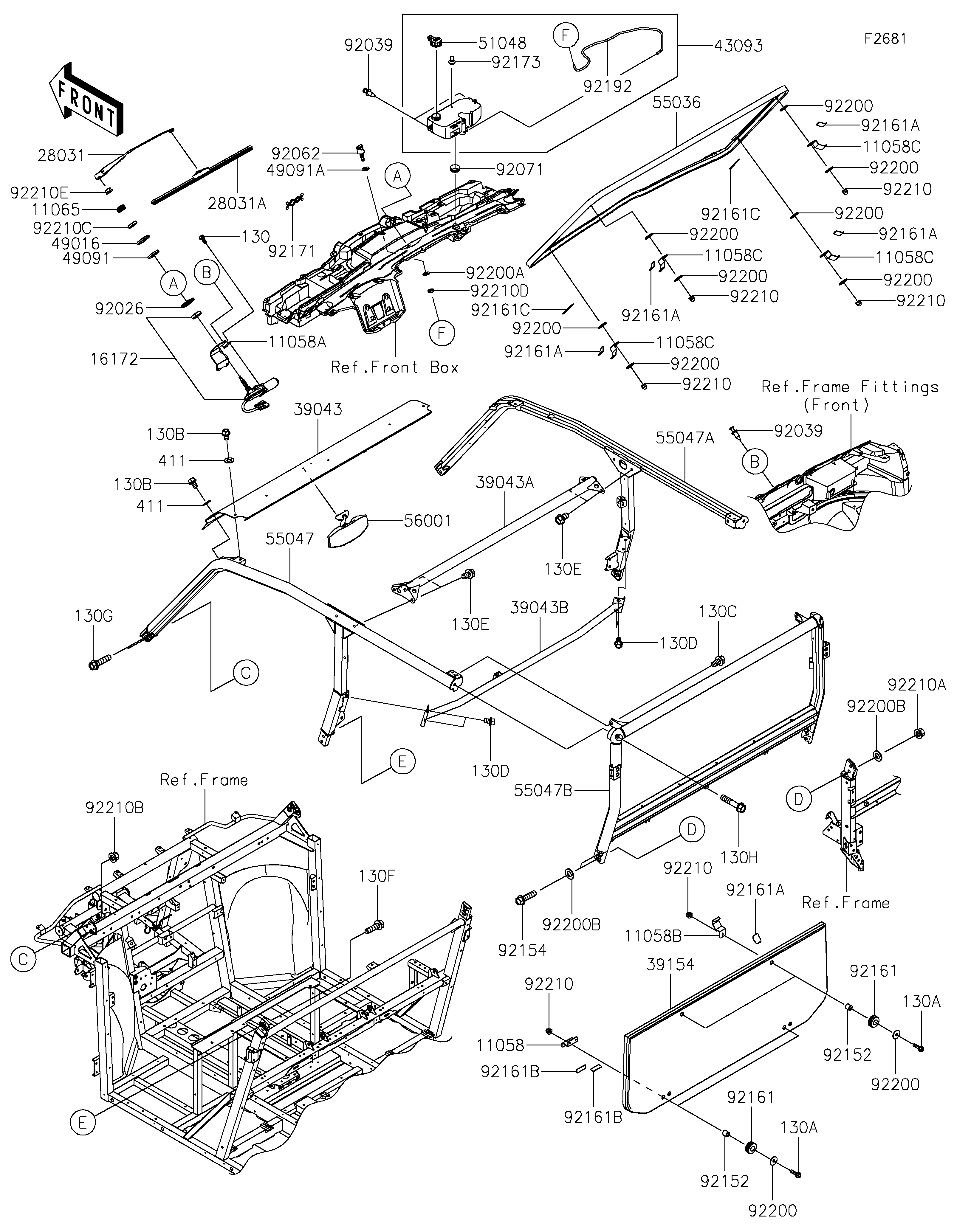
2026 RIDGE CREW Platinum Ranch Edition HVAC - Guards/Cab Frame
11058
11058
11058A
11058A
11058B
11058B
11058C
11058C
11058C
11058C
11058C
11058C
11058C
11058C
11065
11065
16172
16172
28031
28031
28031A
28031A
39043
39043
39043A
39043A
39043B
39043B
39154
39154
43093
43093
49016
49016
49091
49091
49091A
49091A
51048
51048
55036
55036
55047
55047
55047A
55047A
55047B
55047B
56001
56001
92026
92026
92039
92039
92039
92039
92062
92062
92071
92071
92152
92152
92152
92152
92154
92154
92161
92161
92161
92161
92161A
92161A
92161A
92161A
92161A
92161A
92161A
92161A
92161A
92161A
92161B
92161B
92161B
92161B
92161C
92161C
92161C
92161C
92171
92171
92173
92173
92192
92192
92200
92200
92200
92200
92200
92200
92200
92200
92200
92200
92200
92200
92200
92200
92200
92200
92200
92200
92200
92200
92200A
92200A
92200B
92200B
92200B
92200B
92210
92210
92210
92210
92210
92210
92210
92210
92210
92210
92210
92210
92210A
92210A
92210B
92210B
92210C
92210C
92210D
92210D
92210E
92210E
130
130
130A
130A
130A
130A
130B
130B
130B
130B
130C
130C
130D
130D
130D
130D
130E
130E
130E
130E
130F
130F
130G
130G
130H
130H
411
411
411
411
| ITEM NAME | REF # | PART NUMBER | QUANTITY | DESTINATION | REMARKS |
|---|---|---|---|---|---|
| BRACKET,WINDSHIELD MOUNT,LWR | 11058 | 11058-0288 | 2 | ||
| BRACKET,WIPER ACTUATOR | 11058A | 11058-2306 | 1 | ||
| BRACKET,WINDSHIELD MOUNT | 11058B | 11058-2330 | 2 | ||
| BRACKET,WINDSHIELD MOUNT | 11058C | 11058-2798 | 4 | ||
| CAP,ACTUATOR | 11065 | 11065-1495 | 1 | ||
| ACTUATOR,WIPER | 16172 | 16172-0575 | 1 | ||
| WIPER,ARM | 28031 | 28031-0006 | 1 | ||
| WIPER,BLADE | 28031A | 28031-0007 | 1 | ||
| CROSSMEMBER-COMP,UPP,FR,T.BLK | 39043 | 39043-0037-388 | 1 | ||
| CROSSMEMBER-COMP,B-P,UPP,T.BLK | 39043A | 39043-0044-388 | 1 | ||
| CROSSMEMBER-COMP,B-P,MID,T.BLK | 39043B | 39043-0350-388 | 1 | ||
| WINDSHIELD,RR | 39154 | 39154-0419 | 1 | ||
| RESERVOIR-ASSY-TANK,WASHER | 43093 | 43093-0013 | 1 | ||
| COVER-SEAL | 49016 | 49016-0722 | 1 | ||
| WASHER-SEAL | 49091 | 49091-0014 | 1 | ||
| WASHER-SEAL | 49091A | 49091-0015 | 1 | ||
| CAP-ASSY-TANK,RESERVOIR | 51048 | 51048-0614 | 1 | ||
| WINDSHIELD-ASSY,FR | 55036 | 55036-0070 | 1 | ||
| BAR-COMP,A/B-PILLAR,LH,T.BLACK | 55047 | 55047-0465-388 | 1 | ||
| BAR-COMP,A/B-PILLAR,RH,T.BLACK | 55047A | 55047-0466-388 | 1 | ||
| BAR-COMP,C-PILLAR,T.BLACK | 55047B | 55047-0467-388 | 1 | ||
| MIRROR-ASSY,REAR VIEW | 56001 | 56001-0447 | 1 | ||
| SPACER,16.3X35X3.6 | 92026 | 92026-0973 | 1 | ||
| RIVET | 92039 | 92039-0776 | 3 | ||
| NOZZLE,SPRAY | 92062 | 92062-0588 | 1 | ||
| GROMMET | 92071 | 92071-1115 | 1 | ||
| COLLAR,6.5X12X11 | 92152 | 92152-0692 | 6 | ||
| BOLT,FLANGED,12X50 | 92154 | 92154-7768 | 4 | ||
| DAMPER | 92161 | 92161-2500 | 6 | ||
| DAMPER,45X35X1.5 | 92161A | 92161-2600 | 6 | ||
| DAMPER,20X56X1.5 | 92161B | 92161-2639 | 4 | ||
| DAMPER,100X15X1 | 92161C | 92161-2650 | 2 | ||
| CLAMP | 92171 | 92171-0476 | 1 | ||
| CLAMP,RESERVOIR TANK | 92173 | 92173-2872 | 1 | ||
| TUBE,4X8X830 | 92192 | 92192-2824 | 1 | ||
| WASHER,6.5X22X1.6 | 92200 | 92200-1087 | 14 | ||
| WASHER,8.4X16X1.6 | 92200A | 92200-2705 | 1 | ||
| WASHER,13.8X26X2.3 | 92200B | 92200-2830 | 8 | ||
| NUT,CAP,6MM | 92210 | 92210-0003 | 10 | ||
| NUT,12MM | 92210A | 92210-0603 | 4 | ||
| NUT,FLANGED,12MM | 92210B | 92210-1932 | 4 | ||
| NUT,HEX,16MM | 92210C | 92210-2208 | 2 | ||
| NUT,HEX,8MM | 92210D | 92210-2209 | 1 | ||
| NUT,FLANGED,8MM | 92210E | 92210-2215 | 1 | ||
| BOLT-FLANGED,6X14 | 130 | 130BA0614 | 2 | ||
| BOLT-FLANGED,6X22 | 130A | 130BB0622 | 6 | ||
| BOLT-FLANGED,10X14 | 130B | 130CA1014 | 4 | ||
| BOLT-FLANGED,12X22 | 130C | 130CA1222 | 2 | ||
| BOLT-FLANGED,10X14 | 130D | 130CB1014 | 4 | ||
| BOLT-FLANGED,12X20 | 130E | 130CB1220 | 4 | ||
| BOLT-FLANGED,12X40 | 130F | 130CB1240 | 4 | ||
| BOLT-FLANGED,12X50 | 130G | 130CB1250 | 4 | ||
| BOLT-FLANGED,12X60 | 130H | 130CB1260 | 2 | ||
| WASHER-PLAIN,10MM | 411 | 411AA1000 | 4 |
| BRACKET,WINDSHIELD MOUNT,LWR | |
| REF # | 11058 |
|---|---|
| PART NUMBER | |
| QUANTITY | 2 |
| DESTINATION | |
| REMARKS | |
| BRACKET,WIPER ACTUATOR | |
| REF # | 11058A |
|---|---|
| PART NUMBER | |
| QUANTITY | 1 |
| DESTINATION | |
| REMARKS | |
| BRACKET,WINDSHIELD MOUNT | |
| REF # | 11058B |
|---|---|
| PART NUMBER | |
| QUANTITY | 2 |
| DESTINATION | |
| REMARKS | |
| BRACKET,WINDSHIELD MOUNT | |
| REF # | 11058C |
|---|---|
| PART NUMBER | |
| QUANTITY | 4 |
| DESTINATION | |
| REMARKS | |
| CAP,ACTUATOR | |
| REF # | 11065 |
|---|---|
| PART NUMBER | |
| QUANTITY | 1 |
| DESTINATION | |
| REMARKS | |
| ACTUATOR,WIPER | |
| REF # | 16172 |
|---|---|
| PART NUMBER | |
| QUANTITY | 1 |
| DESTINATION | |
| REMARKS | |
| WIPER,ARM | |
| REF # | 28031 |
|---|---|
| PART NUMBER | |
| QUANTITY | 1 |
| DESTINATION | |
| REMARKS | |
| WIPER,BLADE | |
| REF # | 28031A |
|---|---|
| PART NUMBER | |
| QUANTITY | 1 |
| DESTINATION | |
| REMARKS | |
| CROSSMEMBER-COMP,UPP,FR,T.BLK | |
| REF # | 39043 |
|---|---|
| PART NUMBER | |
| QUANTITY | 1 |
| DESTINATION | |
| REMARKS | |
| CROSSMEMBER-COMP,B-P,UPP,T.BLK | |
| REF # | 39043A |
|---|---|
| PART NUMBER | |
| QUANTITY | 1 |
| DESTINATION | |
| REMARKS | |
| CROSSMEMBER-COMP,B-P,MID,T.BLK | |
| REF # | 39043B |
|---|---|
| PART NUMBER | |
| QUANTITY | 1 |
| DESTINATION | |
| REMARKS | |
| WINDSHIELD,RR | |
| REF # | 39154 |
|---|---|
| PART NUMBER | |
| QUANTITY | 1 |
| DESTINATION | |
| REMARKS | |
| RESERVOIR-ASSY-TANK,WASHER | |
| REF # | 43093 |
|---|---|
| PART NUMBER | |
| QUANTITY | 1 |
| DESTINATION | |
| REMARKS | |
| COVER-SEAL | |
| REF # | 49016 |
|---|---|
| PART NUMBER | |
| QUANTITY | 1 |
| DESTINATION | |
| REMARKS | |
| WASHER-SEAL | |
| REF # | 49091 |
|---|---|
| PART NUMBER | |
| QUANTITY | 1 |
| DESTINATION | |
| REMARKS | |
| WASHER-SEAL | |
| REF # | 49091A |
|---|---|
| PART NUMBER | |
| QUANTITY | 1 |
| DESTINATION | |
| REMARKS | |
| CAP-ASSY-TANK,RESERVOIR | |
| REF # | 51048 |
|---|---|
| PART NUMBER | |
| QUANTITY | 1 |
| DESTINATION | |
| REMARKS | |
| WINDSHIELD-ASSY,FR | |
| REF # | 55036 |
|---|---|
| PART NUMBER | |
| QUANTITY | 1 |
| DESTINATION | |
| REMARKS | |
| BAR-COMP,A/B-PILLAR,LH,T.BLACK | |
| REF # | 55047 |
|---|---|
| PART NUMBER | |
| QUANTITY | 1 |
| DESTINATION | |
| REMARKS | |
| BAR-COMP,A/B-PILLAR,RH,T.BLACK | |
| REF # | 55047A |
|---|---|
| PART NUMBER | |
| QUANTITY | 1 |
| DESTINATION | |
| REMARKS | |
| BAR-COMP,C-PILLAR,T.BLACK | |
| REF # | 55047B |
|---|---|
| PART NUMBER | |
| QUANTITY | 1 |
| DESTINATION | |
| REMARKS | |
| MIRROR-ASSY,REAR VIEW | |
| REF # | 56001 |
|---|---|
| PART NUMBER | |
| QUANTITY | 1 |
| DESTINATION | |
| REMARKS | |
| SPACER,16.3X35X3.6 | |
| REF # | 92026 |
|---|---|
| PART NUMBER | |
| QUANTITY | 1 |
| DESTINATION | |
| REMARKS | |
| RIVET | |
| REF # | 92039 |
|---|---|
| PART NUMBER | |
| QUANTITY | 3 |
| DESTINATION | |
| REMARKS | |
| NOZZLE,SPRAY | |
| REF # | 92062 |
|---|---|
| PART NUMBER | |
| QUANTITY | 1 |
| DESTINATION | |
| REMARKS | |
| GROMMET | |
| REF # | 92071 |
|---|---|
| PART NUMBER | |
| QUANTITY | 1 |
| DESTINATION | |
| REMARKS | |
| COLLAR,6.5X12X11 | |
| REF # | 92152 |
|---|---|
| PART NUMBER | |
| QUANTITY | 6 |
| DESTINATION | |
| REMARKS | |
| BOLT,FLANGED,12X50 | |
| REF # | 92154 |
|---|---|
| PART NUMBER | |
| QUANTITY | 4 |
| DESTINATION | |
| REMARKS | |
| DAMPER | |
| REF # | 92161 |
|---|---|
| PART NUMBER | |
| QUANTITY | 6 |
| DESTINATION | |
| REMARKS | |
| DAMPER,45X35X1.5 | |
| REF # | 92161A |
|---|---|
| PART NUMBER | |
| QUANTITY | 6 |
| DESTINATION | |
| REMARKS | |
| DAMPER,20X56X1.5 | |
| REF # | 92161B |
|---|---|
| PART NUMBER | |
| QUANTITY | 4 |
| DESTINATION | |
| REMARKS | |
| DAMPER,100X15X1 | |
| REF # | 92161C |
|---|---|
| PART NUMBER | |
| QUANTITY | 2 |
| DESTINATION | |
| REMARKS | |
| CLAMP | |
| REF # | 92171 |
|---|---|
| PART NUMBER | |
| QUANTITY | 1 |
| DESTINATION | |
| REMARKS | |
| CLAMP,RESERVOIR TANK | |
| REF # | 92173 |
|---|---|
| PART NUMBER | |
| QUANTITY | 1 |
| DESTINATION | |
| REMARKS | |
| TUBE,4X8X830 | |
| REF # | 92192 |
|---|---|
| PART NUMBER | |
| QUANTITY | 1 |
| DESTINATION | |
| REMARKS | |
| WASHER,6.5X22X1.6 | |
| REF # | 92200 |
|---|---|
| PART NUMBER | |
| QUANTITY | 14 |
| DESTINATION | |
| REMARKS | |
| WASHER,8.4X16X1.6 | |
| REF # | 92200A |
|---|---|
| PART NUMBER | |
| QUANTITY | 1 |
| DESTINATION | |
| REMARKS | |
| WASHER,13.8X26X2.3 | |
| REF # | 92200B |
|---|---|
| PART NUMBER | |
| QUANTITY | 8 |
| DESTINATION | |
| REMARKS | |
| NUT,CAP,6MM | |
| REF # | 92210 |
|---|---|
| PART NUMBER | |
| QUANTITY | 10 |
| DESTINATION | |
| REMARKS | |
| NUT,12MM | |
| REF # | 92210A |
|---|---|
| PART NUMBER | |
| QUANTITY | 4 |
| DESTINATION | |
| REMARKS | |
| NUT,FLANGED,12MM | |
| REF # | 92210B |
|---|---|
| PART NUMBER | |
| QUANTITY | 4 |
| DESTINATION | |
| REMARKS | |
| NUT,HEX,16MM | |
| REF # | 92210C |
|---|---|
| PART NUMBER | |
| QUANTITY | 2 |
| DESTINATION | |
| REMARKS | |
| NUT,HEX,8MM | |
| REF # | 92210D |
|---|---|
| PART NUMBER | |
| QUANTITY | 1 |
| DESTINATION | |
| REMARKS | |
| NUT,FLANGED,8MM | |
| REF # | 92210E |
|---|---|
| PART NUMBER | |
| QUANTITY | 1 |
| DESTINATION | |
| REMARKS | |
| BOLT-FLANGED,6X14 | |
| REF # | 130 |
|---|---|
| PART NUMBER | |
| QUANTITY | 2 |
| DESTINATION | |
| REMARKS | |
| BOLT-FLANGED,6X22 | |
| REF # | 130A |
|---|---|
| PART NUMBER | |
| QUANTITY | 6 |
| DESTINATION | |
| REMARKS | |
| BOLT-FLANGED,10X14 | |
| REF # | 130B |
|---|---|
| PART NUMBER | |
| QUANTITY | 4 |
| DESTINATION | |
| REMARKS | |
| BOLT-FLANGED,12X22 | |
| REF # | 130C |
|---|---|
| PART NUMBER | |
| QUANTITY | 2 |
| DESTINATION | |
| REMARKS | |
| BOLT-FLANGED,10X14 | |
| REF # | 130D |
|---|---|
| PART NUMBER | |
| QUANTITY | 4 |
| DESTINATION | |
| REMARKS | |
| BOLT-FLANGED,12X20 | |
| REF # | 130E |
|---|---|
| PART NUMBER | |
| QUANTITY | 4 |
| DESTINATION | |
| REMARKS | |
| BOLT-FLANGED,12X40 | |
| REF # | 130F |
|---|---|
| PART NUMBER | |
| QUANTITY | 4 |
| DESTINATION | |
| REMARKS | |
| BOLT-FLANGED,12X50 | |
| REF # | 130G |
|---|---|
| PART NUMBER | |
| QUANTITY | 4 |
| DESTINATION | |
| REMARKS | |
| BOLT-FLANGED,12X60 | |
| REF # | 130H |
|---|---|
| PART NUMBER | |
| QUANTITY | 2 |
| DESTINATION | |
| REMARKS | |
| WASHER-PLAIN,10MM | |
| REF # | 411 |
|---|---|
| PART NUMBER | |
| QUANTITY | 4 |
| DESTINATION | |
| REMARKS | |