main content of page
Parts Diagrams
OWNER CENTER |
Welcome, Kawasaki owners. Access the information and tools you need to get the most out of your vehicle.
OWNER CENTER |
Welcome, Kawasaki owners. Access the information and tools you need to get the most out of your vehicle.
Parts Diagrams |
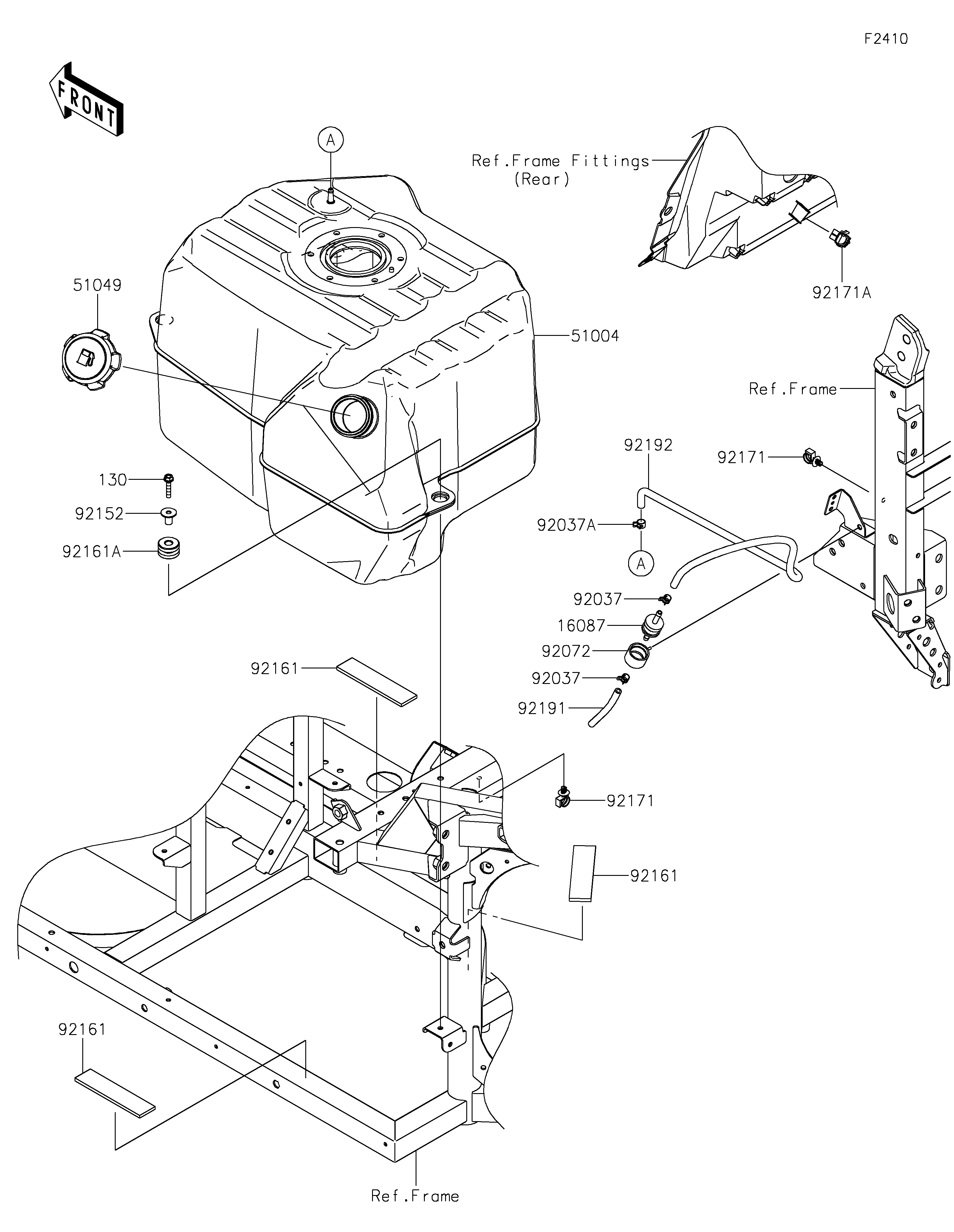
2026 RIDGE CREW Platinum Ranch Edition HVAC - Fuel Tank(CN,US)
16087
51004
51049
92037
92037
92037A
92072
92152
92161
92161
92161
92161A
92171
92171
92171A
92191
92192
130
| ITEM NAME | REF # | PART NUMBER | QUANTITY | DESTINATION | REMARKS |
|---|---|---|---|---|---|
| VALVE-CHECK | 16087 | 16087-0008 | 1 | CN,US | |
| TANK-FUEL | 51004 | 51004-0727 | 1 | CN,US | |
| CAP-TANK,FUEL | 51049 | 51049-0718 | 1 | CN,US | |
| CLAMP,TUBE | 92037 | 92037-1461 | 2 | CN,US | |
| CLAMP | 92037A | 92037-2113 | 1 | CN,US | |
| BAND | 92072 | 92072-0850 | 1 | CN,US | |
| COLLAR,6.8X10X18.1 | 92152 | 92152-1867 | 3 | CN,US | |
| DAMPER,31.1X130X5 | 92161 | 92161-0936 | 3 | CN,US | |
| DAMPER,TANK | 92161A | 92161-2178 | 3 | CN,US | |
| CLAMP | 92171 | 92171-0453 | 2 | CN,US | |
| CLAMP,EDGE CLIP | 92171A | 92171-1722 | 1 | CN,US | |
| TUBE,5X9X100 | 92191 | 92191-1792 | 1 | CN,US | |
| TUBE,BREATHER | 92192 | 92192-2626 | 1 | CN,US | |
| BOLT-FLANGED,6X30 | 130 | 130BA0630 | 3 | CN,US |
| VALVE-CHECK | |
| REF # | 16087 |
|---|---|
| PART NUMBER | |
| QUANTITY | 1 |
| DESTINATION | CN,US |
| REMARKS | |
| TANK-FUEL | |
| REF # | 51004 |
|---|---|
| PART NUMBER | |
| QUANTITY | 1 |
| DESTINATION | CN,US |
| REMARKS | |
| CAP-TANK,FUEL | |
| REF # | 51049 |
|---|---|
| PART NUMBER | |
| QUANTITY | 1 |
| DESTINATION | CN,US |
| REMARKS | |
| CLAMP,TUBE | |
| REF # | 92037 |
|---|---|
| PART NUMBER | |
| QUANTITY | 2 |
| DESTINATION | CN,US |
| REMARKS | |
| CLAMP | |
| REF # | 92037A |
|---|---|
| PART NUMBER | |
| QUANTITY | 1 |
| DESTINATION | CN,US |
| REMARKS | |
| BAND | |
| REF # | 92072 |
|---|---|
| PART NUMBER | |
| QUANTITY | 1 |
| DESTINATION | CN,US |
| REMARKS | |
| COLLAR,6.8X10X18.1 | |
| REF # | 92152 |
|---|---|
| PART NUMBER | |
| QUANTITY | 3 |
| DESTINATION | CN,US |
| REMARKS | |
| DAMPER,31.1X130X5 | |
| REF # | 92161 |
|---|---|
| PART NUMBER | |
| QUANTITY | 3 |
| DESTINATION | CN,US |
| REMARKS | |
| DAMPER,TANK | |
| REF # | 92161A |
|---|---|
| PART NUMBER | |
| QUANTITY | 3 |
| DESTINATION | CN,US |
| REMARKS | |
| CLAMP | |
| REF # | 92171 |
|---|---|
| PART NUMBER | |
| QUANTITY | 2 |
| DESTINATION | CN,US |
| REMARKS | |
| CLAMP,EDGE CLIP | |
| REF # | 92171A |
|---|---|
| PART NUMBER | |
| QUANTITY | 1 |
| DESTINATION | CN,US |
| REMARKS | |
| TUBE,5X9X100 | |
| REF # | 92191 |
|---|---|
| PART NUMBER | |
| QUANTITY | 1 |
| DESTINATION | CN,US |
| REMARKS | |
| TUBE,BREATHER | |
| REF # | 92192 |
|---|---|
| PART NUMBER | |
| QUANTITY | 1 |
| DESTINATION | CN,US |
| REMARKS | |
| BOLT-FLANGED,6X30 | |
| REF # | 130 |
|---|---|
| PART NUMBER | |
| QUANTITY | 3 |
| DESTINATION | CN,US |
| REMARKS | |