main content of page
Parts Diagrams
OWNER CENTER |
Welcome, Kawasaki owners. Access the information and tools you need to get the most out of your vehicle.
OWNER CENTER |
Welcome, Kawasaki owners. Access the information and tools you need to get the most out of your vehicle.
Parts Diagrams |
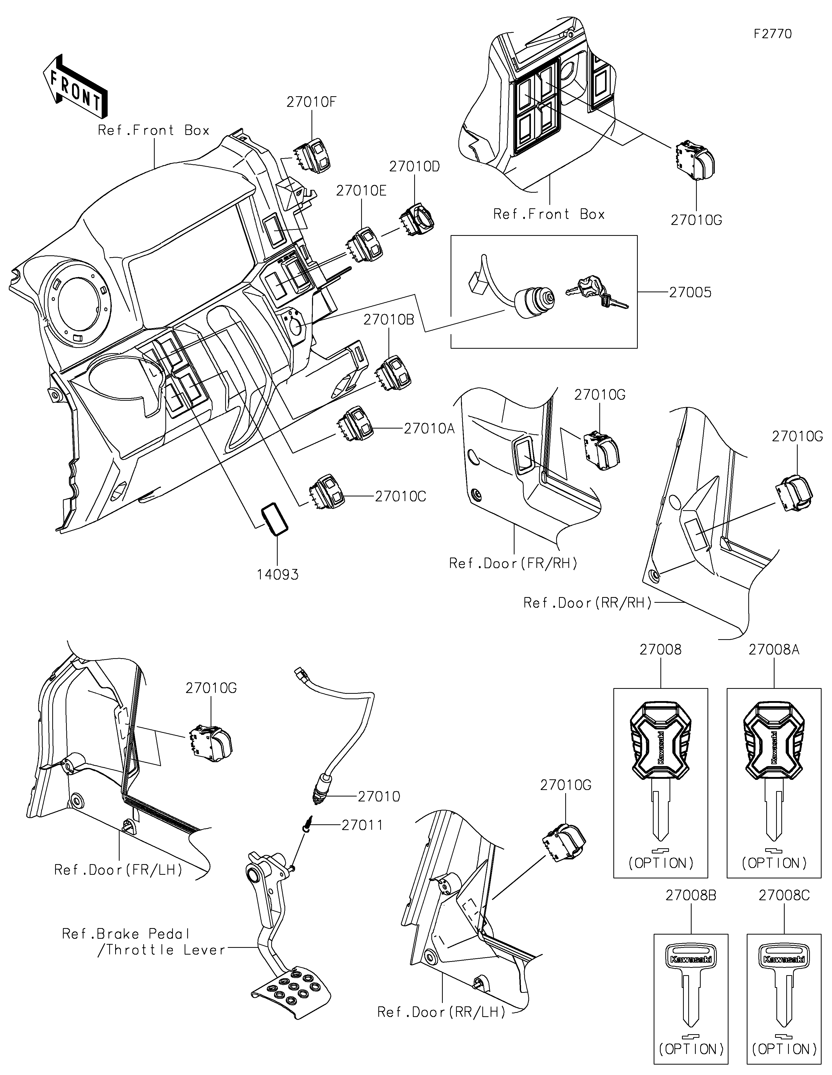
2026 RIDGE CREW HVAC - Ignition Switch
14093
27005
27008
27008A
27008B
27008C
27010
27010A
27010B
27010C
27010D
27010E
27010F
27010G
27010G
27010G
27010G
27010G
27011
| ITEM NAME | REF # | PART NUMBER | QUANTITY | DESTINATION | REMARKS |
|---|---|---|---|---|---|
| COVER,SWITCH | 14093 | 14093-1202 | 1 | ||
| SWITCH-ASSY-IGNITION | 27005 | 27005-0733 | 1 | ||
| KEY-LOCK,BLANK,MASCOT | 27008 | 27008-0713 | 1 | (OPTION) | |
| KEY-LOCK,BLANK,MASCOT | 27008A | 27008-0714 | 1 | (OPTION) | |
| KEY-LOCK,BLANK | 27008B | 27008-1153 | 1 | (OPTION) | |
| KEY-LOCK,BLANK | 27008C | 27008-1157 | 1 | (OPTION) | |
| SWITCH,BRAKE | 27010 | 27010-0724 | 1 | ||
| SWITCH,UP/DOWN | 27010A | 27010-0954 | 1 | ||
| SWITCH,SELECT/RETURN | 27010B | 27010-0955 | 1 | ||
| SWITCH,HEAD LAMP | 27010C | 27010-0984 | 1 | ||
| SWITCH,2WD/4WD | 27010D | 27010-0986 | 1 | ||
| SWITCH,3PW MODE | 27010E | 27010-0987 | 1 | ||
| SWITCH,WIPER&WASHER | 27010F | 27010-0989 | 1 | ||
| SWITCH,POWER WINDOW | 27010G | 27010-1539 | 7 | ||
| SPRING,BRAKE LAMP SWITCH | 27011 | 27011-006 | 1 |
| COVER,SWITCH | |
| REF # | 14093 |
|---|---|
| PART NUMBER | |
| QUANTITY | 1 |
| DESTINATION | |
| REMARKS | |
| SWITCH-ASSY-IGNITION | |
| REF # | 27005 |
|---|---|
| PART NUMBER | |
| QUANTITY | 1 |
| DESTINATION | |
| REMARKS | |
| KEY-LOCK,BLANK,MASCOT | |
| REF # | 27008 |
|---|---|
| PART NUMBER | |
| QUANTITY | 1 |
| DESTINATION | |
| REMARKS | (OPTION) |
| KEY-LOCK,BLANK,MASCOT | |
| REF # | 27008A |
|---|---|
| PART NUMBER | |
| QUANTITY | 1 |
| DESTINATION | |
| REMARKS | (OPTION) |
| KEY-LOCK,BLANK | |
| REF # | 27008B |
|---|---|
| PART NUMBER | |
| QUANTITY | 1 |
| DESTINATION | |
| REMARKS | (OPTION) |
| KEY-LOCK,BLANK | |
| REF # | 27008C |
|---|---|
| PART NUMBER | |
| QUANTITY | 1 |
| DESTINATION | |
| REMARKS | (OPTION) |
| SWITCH,BRAKE | |
| REF # | 27010 |
|---|---|
| PART NUMBER | |
| QUANTITY | 1 |
| DESTINATION | |
| REMARKS | |
| SWITCH,UP/DOWN | |
| REF # | 27010A |
|---|---|
| PART NUMBER | |
| QUANTITY | 1 |
| DESTINATION | |
| REMARKS | |
| SWITCH,SELECT/RETURN | |
| REF # | 27010B |
|---|---|
| PART NUMBER | |
| QUANTITY | 1 |
| DESTINATION | |
| REMARKS | |
| SWITCH,HEAD LAMP | |
| REF # | 27010C |
|---|---|
| PART NUMBER | |
| QUANTITY | 1 |
| DESTINATION | |
| REMARKS | |
| SWITCH,2WD/4WD | |
| REF # | 27010D |
|---|---|
| PART NUMBER | |
| QUANTITY | 1 |
| DESTINATION | |
| REMARKS | |
| SWITCH,3PW MODE | |
| REF # | 27010E |
|---|---|
| PART NUMBER | |
| QUANTITY | 1 |
| DESTINATION | |
| REMARKS | |
| SWITCH,WIPER&WASHER | |
| REF # | 27010F |
|---|---|
| PART NUMBER | |
| QUANTITY | 1 |
| DESTINATION | |
| REMARKS | |
| SWITCH,POWER WINDOW | |
| REF # | 27010G |
|---|---|
| PART NUMBER | |
| QUANTITY | 7 |
| DESTINATION | |
| REMARKS | |
| SPRING,BRAKE LAMP SWITCH | |
| REF # | 27011 |
|---|---|
| PART NUMBER | |
| QUANTITY | 1 |
| DESTINATION | |
| REMARKS | |