main content of page
Parts Diagrams
OWNER CENTER |
Welcome, Kawasaki owners. Access the information and tools you need to get the most out of your vehicle.
OWNER CENTER |
Welcome, Kawasaki owners. Access the information and tools you need to get the most out of your vehicle.
Parts Diagrams |
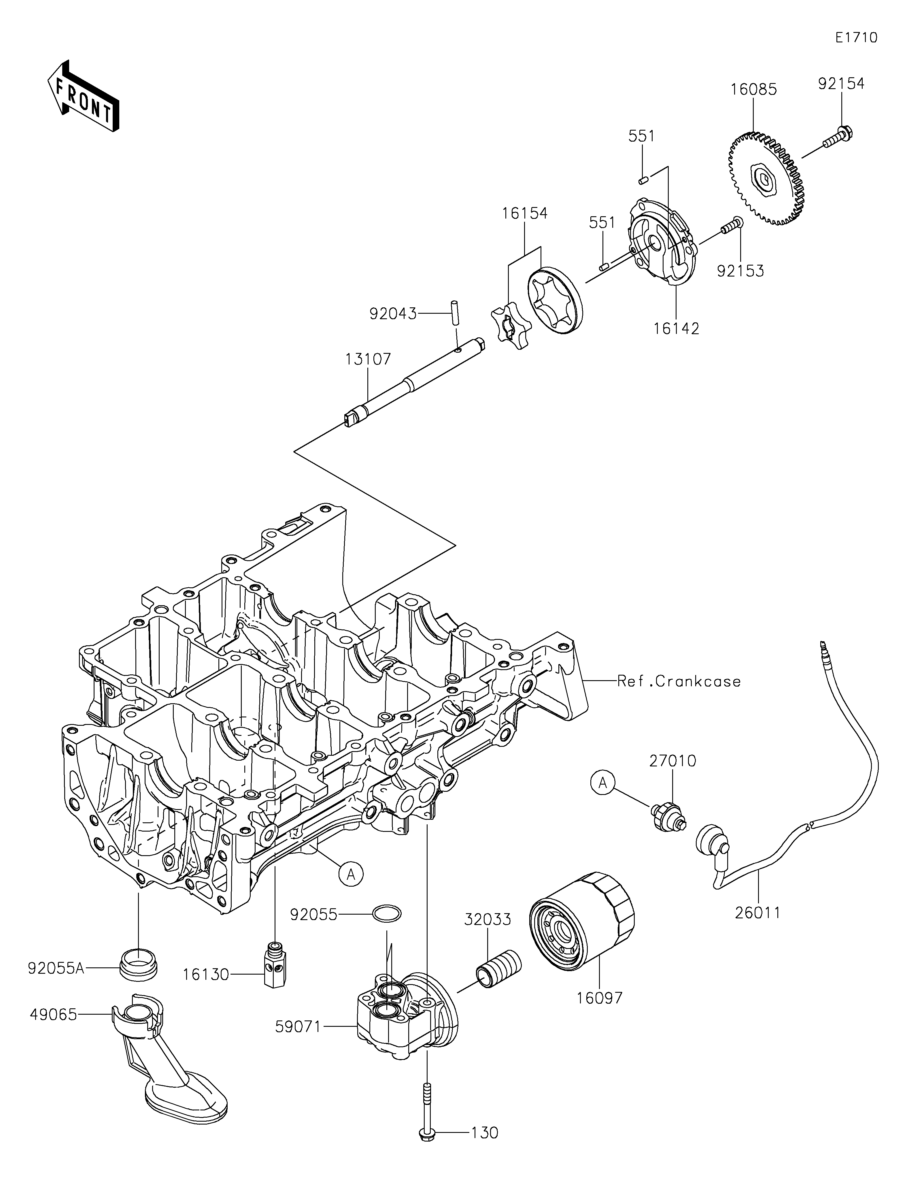
2026 RIDGE CREW HVAC - Oil Pump/Oil Filter
13107
16085
16097
16130
16142
16154
26011
27010
32033
49065
59071
92043
92055
92055A
92153
92154
130
551
551
| ITEM NAME | REF # | PART NUMBER | QUANTITY | DESTINATION | REMARKS |
|---|---|---|---|---|---|
| SHAFT,OIL PUMP | 13107 | 13107-1560 | 1 | ||
| GEAR,OIL PUMP,41T | 16085 | 16085-0726 | 1 | ||
| FILTER-ASSY-OIL | 16097 | 16097-0007 | 1 | ||
| VALVE-ASSY-RELIEF | 16130 | 16130-1058 | 1 | ||
| COVER-PUMP | 16142 | 16142-0782 | 1 | ||
| ROTOR-PUMP | 16154 | 16154-0791 | 1 | ||
| WIRE-LEAD | 26011 | 26011-2434 | 1 | ||
| SWITCH,OIL PRESSURE | 27010 | 27010-1313 | 1 | ||
| PIPE,OIL FILTER | 32033 | 32033-1535 | 1 | ||
| FILTER-OIL | 49065 | 49065-0730 | 1 | ||
| JOINT,OIL FILTER | 59071 | 59071-0787 | 1 | ||
| PIN,5X21.8 | 92043 | 92043-1518 | 1 | ||
| RING-O,20.8X1.9 | 92055 | 92055-0053 | 2 | ||
| RING-O,OIL FILTER | 92055A | 92055-1503 | 1 | ||
| BOLT,TORX,6X18 | 92153 | 92153-0454 | 3 | ||
| BOLT,FLANGED,6X22 | 92154 | 92154-1525 | 1 | ||
| BOLT-FLANGED,6X50 | 130 | 130BA0650 | 4 | ||
| PIN-DOWEL,4X8 | 551 | 551A0408 | 2 |
| SHAFT,OIL PUMP | |
| REF # | 13107 |
|---|---|
| PART NUMBER | |
| QUANTITY | 1 |
| DESTINATION | |
| REMARKS | |
| GEAR,OIL PUMP,41T | |
| REF # | 16085 |
|---|---|
| PART NUMBER | |
| QUANTITY | 1 |
| DESTINATION | |
| REMARKS | |
| FILTER-ASSY-OIL | |
| REF # | 16097 |
|---|---|
| PART NUMBER | |
| QUANTITY | 1 |
| DESTINATION | |
| REMARKS | |
| VALVE-ASSY-RELIEF | |
| REF # | 16130 |
|---|---|
| PART NUMBER | |
| QUANTITY | 1 |
| DESTINATION | |
| REMARKS | |
| COVER-PUMP | |
| REF # | 16142 |
|---|---|
| PART NUMBER | |
| QUANTITY | 1 |
| DESTINATION | |
| REMARKS | |
| ROTOR-PUMP | |
| REF # | 16154 |
|---|---|
| PART NUMBER | |
| QUANTITY | 1 |
| DESTINATION | |
| REMARKS | |
| WIRE-LEAD | |
| REF # | 26011 |
|---|---|
| PART NUMBER | |
| QUANTITY | 1 |
| DESTINATION | |
| REMARKS | |
| SWITCH,OIL PRESSURE | |
| REF # | 27010 |
|---|---|
| PART NUMBER | |
| QUANTITY | 1 |
| DESTINATION | |
| REMARKS | |
| PIPE,OIL FILTER | |
| REF # | 32033 |
|---|---|
| PART NUMBER | |
| QUANTITY | 1 |
| DESTINATION | |
| REMARKS | |
| FILTER-OIL | |
| REF # | 49065 |
|---|---|
| PART NUMBER | |
| QUANTITY | 1 |
| DESTINATION | |
| REMARKS | |
| JOINT,OIL FILTER | |
| REF # | 59071 |
|---|---|
| PART NUMBER | |
| QUANTITY | 1 |
| DESTINATION | |
| REMARKS | |
| PIN,5X21.8 | |
| REF # | 92043 |
|---|---|
| PART NUMBER | |
| QUANTITY | 1 |
| DESTINATION | |
| REMARKS | |
| RING-O,20.8X1.9 | |
| REF # | 92055 |
|---|---|
| PART NUMBER | |
| QUANTITY | 2 |
| DESTINATION | |
| REMARKS | |
| RING-O,OIL FILTER | |
| REF # | 92055A |
|---|---|
| PART NUMBER | |
| QUANTITY | 1 |
| DESTINATION | |
| REMARKS | |
| BOLT,TORX,6X18 | |
| REF # | 92153 |
|---|---|
| PART NUMBER | |
| QUANTITY | 3 |
| DESTINATION | |
| REMARKS | |
| BOLT,FLANGED,6X22 | |
| REF # | 92154 |
|---|---|
| PART NUMBER | |
| QUANTITY | 1 |
| DESTINATION | |
| REMARKS | |
| BOLT-FLANGED,6X50 | |
| REF # | 130 |
|---|---|
| PART NUMBER | |
| QUANTITY | 4 |
| DESTINATION | |
| REMARKS | |
| PIN-DOWEL,4X8 | |
| REF # | 551 |
|---|---|
| PART NUMBER | |
| QUANTITY | 2 |
| DESTINATION | |
| REMARKS | |