main content of page
Parts Diagrams
OWNER CENTER |
Welcome, Kawasaki owners. Access the information and tools you need to get the most out of your vehicle.
OWNER CENTER |
Welcome, Kawasaki owners. Access the information and tools you need to get the most out of your vehicle.
Parts Diagrams |
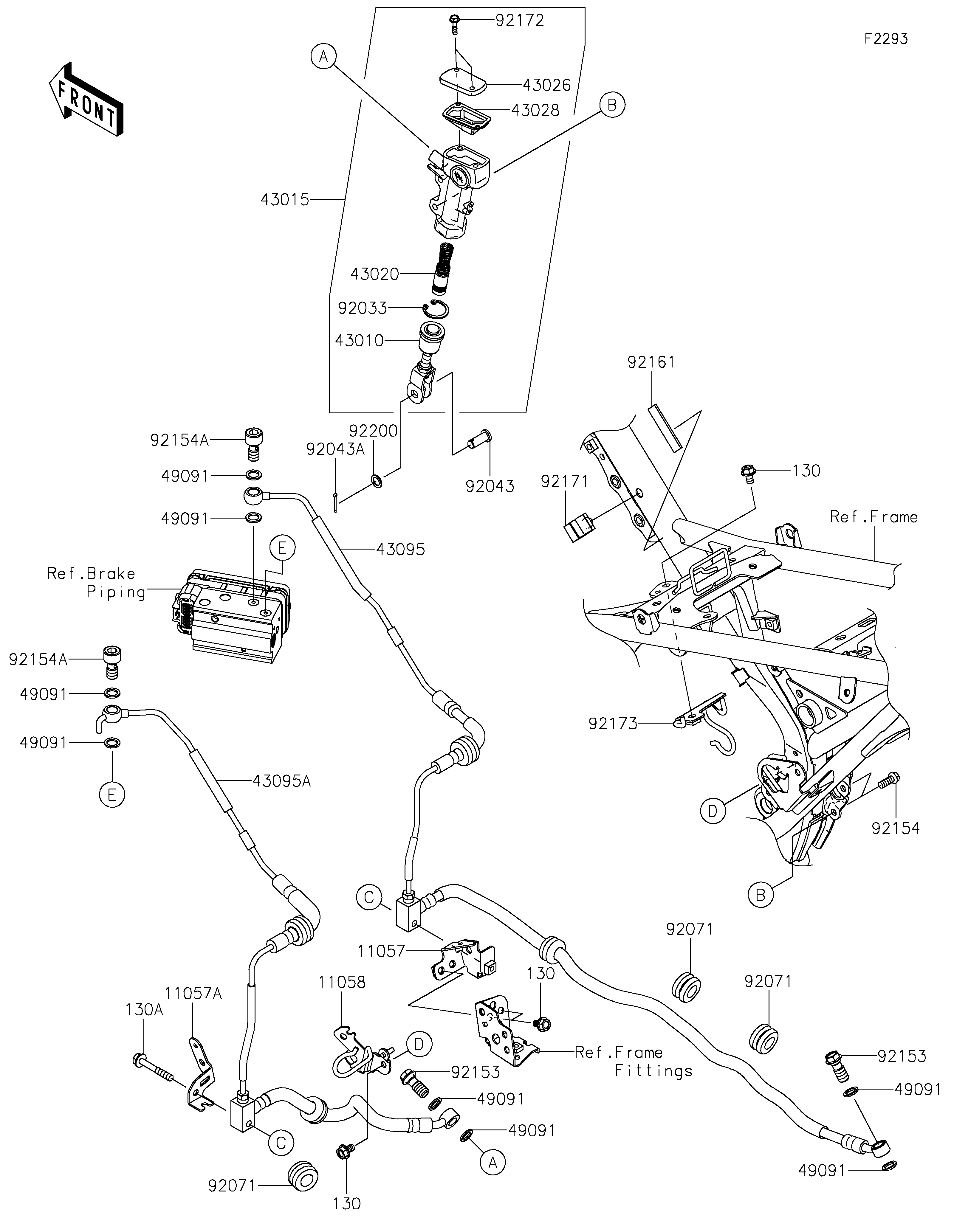
2024 KLX®230SM ABS - Rear Master Cylinder
11057
11057A
11058
43010
43015
43020
43026
43028
43095
43095A
49091
49091
49091
49091
49091
49091
49091
49091
92033
92043
92043A
92071
92071
92071
92153
92153
92154
92154A
92154A
92161
92171
92172
92173
92200
130
130
130
130A
| ITEM NAME | REF # | PART NUMBER | QUANTITY | DESTINATION | REMARKS |
|---|---|---|---|---|---|
| BRACKET | 11057 | 11057-2362 | 1 | ||
| BRACKET | 11057A | 11057-2485 | 1 | ||
| BRACKET | 11058 | 11058-1516 | 1 | ||
| ROD-ASSY-BRAKE | 43010 | 43010-0025 | 1 | ||
| CYLINDER-ASSY-MASTER,RR | 43015 | 43015-0724 | 1 | ||
| PISTON-COMP-BRAKE | 43020 | 43020-1094 | 1 | ||
| CAP-BRAKE | 43026 | 43026-0023 | 1 | ||
| DIAPHRAGM | 43028 | 43028-1092 | 1 | ||
| HOSE-BRAKE,ABS UNIT-RR CALIPER | 43095 | 43095-1988 | 1 | ||
| HOSE-BRAKE,ABS UNIT-RR M/C | 43095A | 43095-1989 | 1 | ||
| WASHER-SEAL,10.1X14.5X1.5 | 49091 | 49091-0001 | 8 | ||
| RING-SNAP,20.9X24.6X1.2 | 92033 | 92033-0079 | 1 | ||
| PIN | 92043 | 92043-0004 | 1 | ||
| PIN,COTTER,2.0X15 | 92043A | 92043-0766 | 1 | ||
| GROMMET,12.2X26X16 | 92071 | 92071-0841 | 3 | ||
| BOLT,OIL,L=23 | 92153 | 92153-0029 | 2 | ||
| BOLT,FLANGED,6X16 | 92154 | 92154-0460 | 2 | ||
| BOLT,BANJO,10X20.8 | 92154A | 92154-7281 | 2 | ||
| DAMPER,13X48X2 | 92161 | 92161-2548 | 1 | ||
| CLAMP | 92171 | 92171-0818 | 1 | ||
| SCREW | 92172 | 92172-1064 | 2 | ||
| CLAMP | 92173 | 92173-2711 | 1 | ||
| WASHER,8.5X13X1 | 92200 | 92200-1980 | 1 | ||
| BOLT-FLANGED,6X10 | 130 | 130BA0610 | 4 | ||
| BOLT-FLANGED,6X40 | 130A | 130BA0640 | 1 |
| BRACKET | |
| REF # | 11057 |
|---|---|
| PART NUMBER | |
| QUANTITY | 1 |
| DESTINATION | |
| REMARKS | |
| BRACKET | |
| REF # | 11057A |
|---|---|
| PART NUMBER | |
| QUANTITY | 1 |
| DESTINATION | |
| REMARKS | |
| BRACKET | |
| REF # | 11058 |
|---|---|
| PART NUMBER | |
| QUANTITY | 1 |
| DESTINATION | |
| REMARKS | |
| ROD-ASSY-BRAKE | |
| REF # | 43010 |
|---|---|
| PART NUMBER | |
| QUANTITY | 1 |
| DESTINATION | |
| REMARKS | |
| CYLINDER-ASSY-MASTER,RR | |
| REF # | 43015 |
|---|---|
| PART NUMBER | |
| QUANTITY | 1 |
| DESTINATION | |
| REMARKS | |
| PISTON-COMP-BRAKE | |
| REF # | 43020 |
|---|---|
| PART NUMBER | |
| QUANTITY | 1 |
| DESTINATION | |
| REMARKS | |
| CAP-BRAKE | |
| REF # | 43026 |
|---|---|
| PART NUMBER | |
| QUANTITY | 1 |
| DESTINATION | |
| REMARKS | |
| DIAPHRAGM | |
| REF # | 43028 |
|---|---|
| PART NUMBER | |
| QUANTITY | 1 |
| DESTINATION | |
| REMARKS | |
| HOSE-BRAKE,ABS UNIT-RR CALIPER | |
| REF # | 43095 |
|---|---|
| PART NUMBER | |
| QUANTITY | 1 |
| DESTINATION | |
| REMARKS | |
| HOSE-BRAKE,ABS UNIT-RR M/C | |
| REF # | 43095A |
|---|---|
| PART NUMBER | |
| QUANTITY | 1 |
| DESTINATION | |
| REMARKS | |
| WASHER-SEAL,10.1X14.5X1.5 | |
| REF # | 49091 |
|---|---|
| PART NUMBER | |
| QUANTITY | 8 |
| DESTINATION | |
| REMARKS | |
| RING-SNAP,20.9X24.6X1.2 | |
| REF # | 92033 |
|---|---|
| PART NUMBER | |
| QUANTITY | 1 |
| DESTINATION | |
| REMARKS | |
| PIN | |
| REF # | 92043 |
|---|---|
| PART NUMBER | |
| QUANTITY | 1 |
| DESTINATION | |
| REMARKS | |
| PIN,COTTER,2.0X15 | |
| REF # | 92043A |
|---|---|
| PART NUMBER | |
| QUANTITY | 1 |
| DESTINATION | |
| REMARKS | |
| GROMMET,12.2X26X16 | |
| REF # | 92071 |
|---|---|
| PART NUMBER | |
| QUANTITY | 3 |
| DESTINATION | |
| REMARKS | |
| BOLT,OIL,L=23 | |
| REF # | 92153 |
|---|---|
| PART NUMBER | |
| QUANTITY | 2 |
| DESTINATION | |
| REMARKS | |
| BOLT,FLANGED,6X16 | |
| REF # | 92154 |
|---|---|
| PART NUMBER | |
| QUANTITY | 2 |
| DESTINATION | |
| REMARKS | |
| BOLT,BANJO,10X20.8 | |
| REF # | 92154A |
|---|---|
| PART NUMBER | |
| QUANTITY | 2 |
| DESTINATION | |
| REMARKS | |
| DAMPER,13X48X2 | |
| REF # | 92161 |
|---|---|
| PART NUMBER | |
| QUANTITY | 1 |
| DESTINATION | |
| REMARKS | |
| CLAMP | |
| REF # | 92171 |
|---|---|
| PART NUMBER | |
| QUANTITY | 1 |
| DESTINATION | |
| REMARKS | |
| SCREW | |
| REF # | 92172 |
|---|---|
| PART NUMBER | |
| QUANTITY | 2 |
| DESTINATION | |
| REMARKS | |
| CLAMP | |
| REF # | 92173 |
|---|---|
| PART NUMBER | |
| QUANTITY | 1 |
| DESTINATION | |
| REMARKS | |
| WASHER,8.5X13X1 | |
| REF # | 92200 |
|---|---|
| PART NUMBER | |
| QUANTITY | 1 |
| DESTINATION | |
| REMARKS | |
| BOLT-FLANGED,6X10 | |
| REF # | 130 |
|---|---|
| PART NUMBER | |
| QUANTITY | 4 |
| DESTINATION | |
| REMARKS | |
| BOLT-FLANGED,6X40 | |
| REF # | 130A |
|---|---|
| PART NUMBER | |
| QUANTITY | 1 |
| DESTINATION | |
| REMARKS | |