Skip to main content

Parts Diagrams

customer service agent speaking with a customer

Welcome, Kawasaki owners. Access the information and tools you need to get the most out of your vehicle.

Welcome, Kawasaki owners. Access the information and tools you need to get the most out of your vehicle.

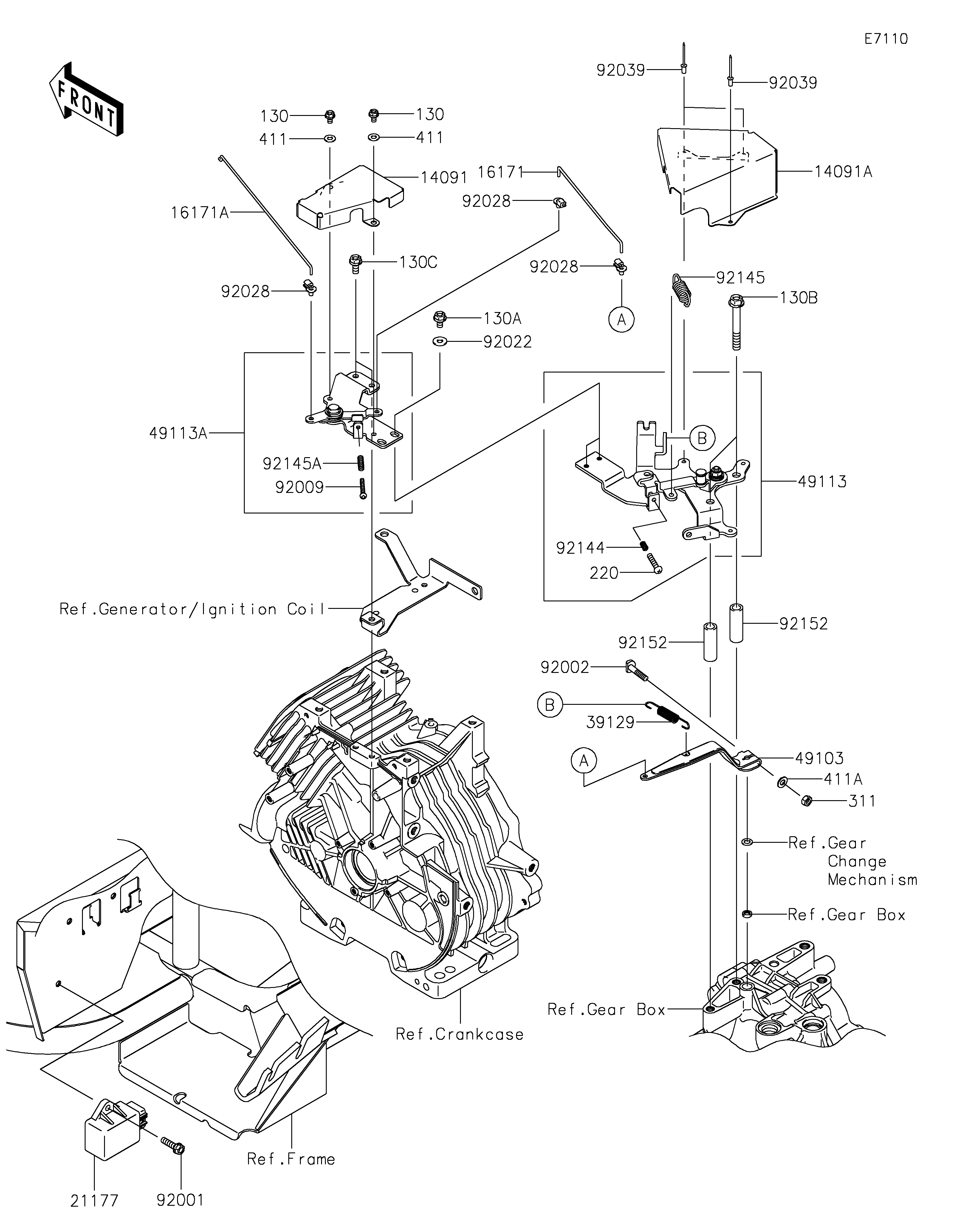
14091
14091A
16171
16171A
21177
39129
49103
49113
49113A
92001
92002
92009
92022
92028
92028
92028
92039
92039
92144
92145
92145A
92152
92152
130
130
130A
130B
130C
220
311
411
411
411A
Part Item Information
ITEM NAME REF # PART NUMBER QUANTITY DESTINATION REMARKS
COVER,FR 14091 14091-0401 1
COVER,RR 14091A 14091-0402 1
LINK 16171 16171-0007 1
LINK,GOVERNOR 16171A 16171-0046 1
CONTROLLER 21177 21177-0003 1
SPRING-GOVERNOR 39129 39129-0006 1
ARM-GOVERNOR 49103 49103-1055 1
PANEL-COMP-CONTROL 49113 49113-0006 1
PANEL-COMP-CONTROL 49113A 49113-0046 1
BOLT,FLANGED,6X22 92001 92001-1352 1
BOLT,6X28 92002 92002-2269 1
SCREW,4X30 92009 92009-7002 1
WASHER,6.2X15X1.2 92022 92022-2373 2
BUSHING,GOVERNOR 92028 92028-2156 3
RIVET,BLIND,4.0X9.2 92039 92039-1163 3
SPRING 92144 92144-2266 1
SPRING,RETURN 92145 92145-0301 1
SPRING 92145A 92145-7005 1
COLLAR,9.1X13.95X42 92152 92152-7501 2
BOLT-FLANGED,5X8 130 130BA0508 2
BOLT-FLANGED,6X10 130A 130BA0610 2
BOLT-FLANGED,8X60 130B 130BA0860 2
BOLT-FLANGED,6X14 130C 130BB0614 2
SCREW-PAN-CROS,5X22 220 220AA0522 1
NUT-HEX,6MM 311 311AA0600 1
WASHER-PLAIN,5MM 411 411AA0500 2
WASHER-PLAIN,6MM 411A 411AA0600 1