Skip to main content

Parts Diagrams

customer service agent speaking with a customer

Welcome, Kawasaki owners. Access the information and tools you need to get the most out of your vehicle.

Welcome, Kawasaki owners. Access the information and tools you need to get the most out of your vehicle.

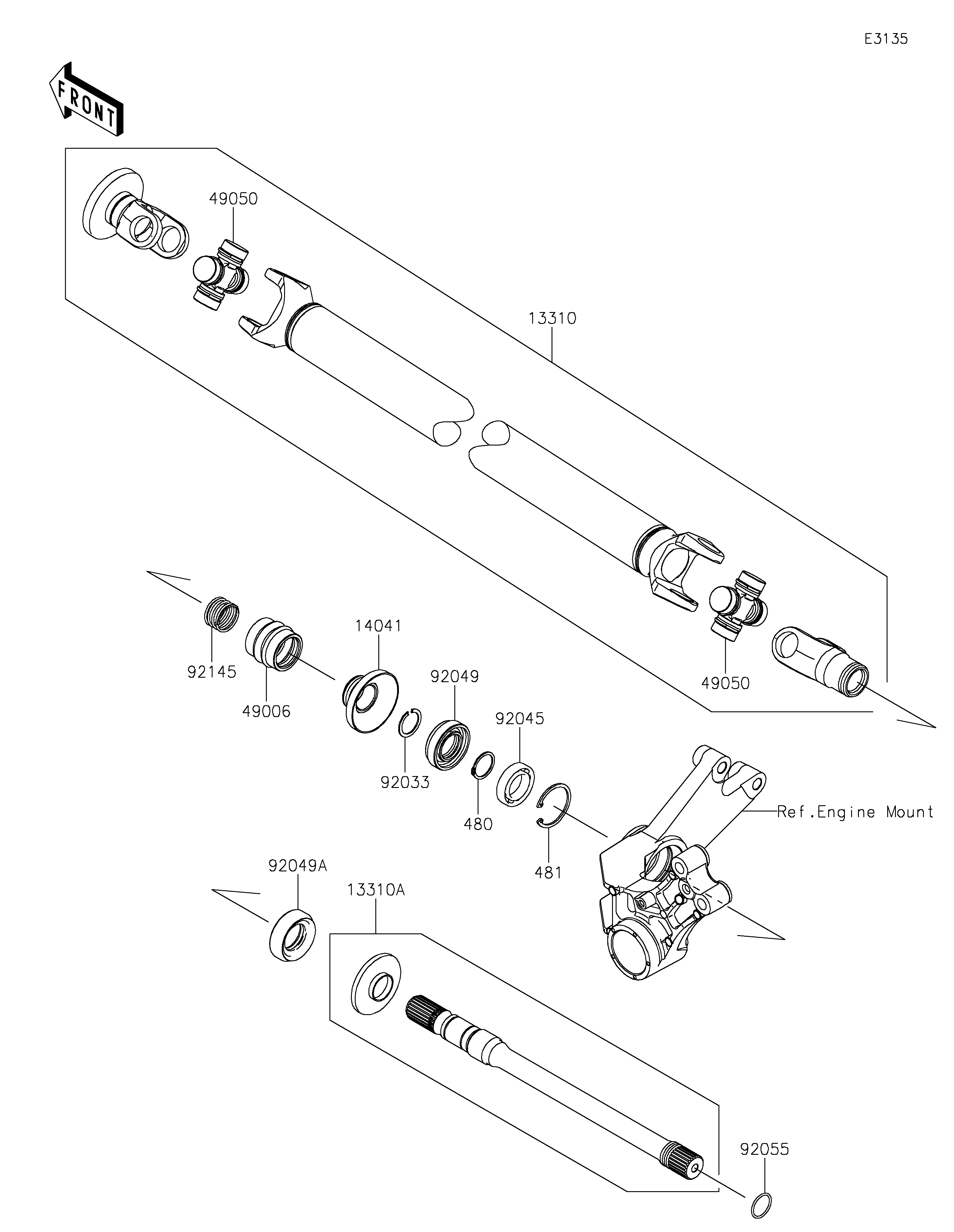
13310
13310A
14041
49006
49050
49050
92033
92045
92049
92049A
92055
92145
480
481
Part Item Information
ITEM NAME REF # PART NUMBER QUANTITY DESTINATION REMARKS
SHAFT-ASSY 13310 13310-0579 1
SHAFT-ASSY 13310A 13310-0580 1
COVER-COMP 14041 14041-0631 1
BOOT 49006 49006-0646 1
SPIDER 49050 49050-0034 2
RING-SNAP,24MM 92033 92033-026 1
BEARING-BALL,#6905 92045 92045-036 1
SEAL-OIL,TC9Y 25X48X10X17.2 92049 92049-0817 1
SEAL-OIL,TC9Y 28X50X10X17.2 92049A 92049-0818 1
RING-O,22.1X1.9 92055 92055-1617 1
SPRING 92145 92145-1838 1
CIRCLIP-TYPE-C,25MM 480 480J2500 1
CIRCLIP-TYPE-C,42MM 481 481J4200 1