main content of page
Parts Diagrams
OWNER CENTER |
Welcome, Kawasaki owners. Access the information and tools you need to get the most out of your vehicle.
OWNER CENTER |
Welcome, Kawasaki owners. Access the information and tools you need to get the most out of your vehicle.
Parts Diagrams |
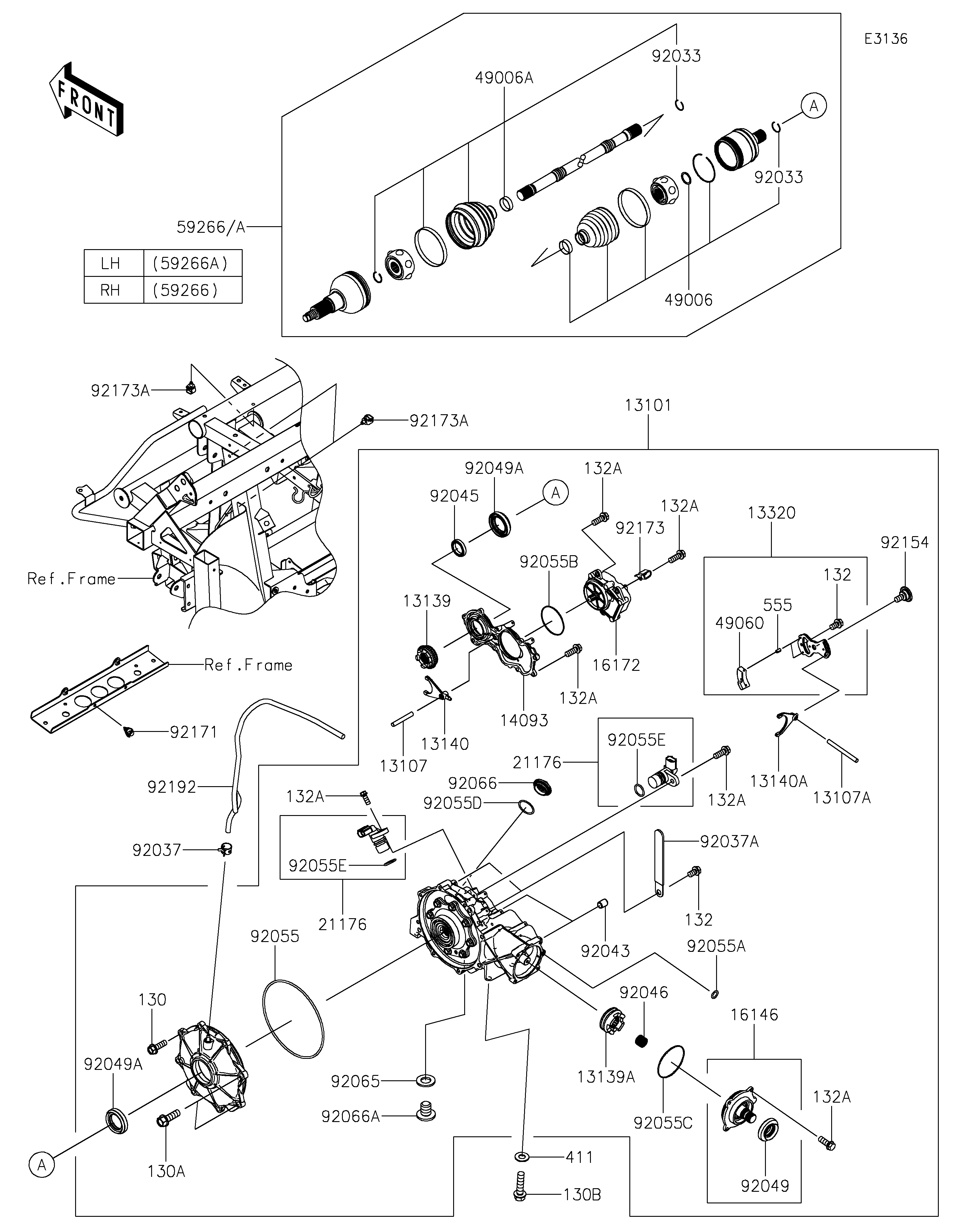
2025 Ridge XR Deluxe HVAC - Drive Shaft-Front
13101
13101
13107
13107
13107A
13107A
13139
13139
13139A
13139A
13140
13140
13140A
13140A
13320
13320
14093
14093
16146
16146
16172
16172
21176
21176
21176
21176
49006
49006
49006A
49006A
49060
49060
59266
59266
59266A
59266A
92033
92033
92033
92033
92037
92037
92037A
92037A
92043
92043
92045
92045
92046
92046
92049
92049
92049A
92049A
92049A
92049A
92055
92055
92055A
92055A
92055B
92055B
92055C
92055C
92055D
92055D
92055E
92055E
92055E
92055E
92065
92065
92066
92066
92066A
92066A
92154
92154
92171
92171
92173
92173
92173A
92173A
92173A
92173A
92192
92192
130
130
130A
130A
130B
130B
132
132
132
132
132A
132A
132A
132A
132A
132A
132A
132A
132A
132A
132A
132A
411
411
555
555
| ITEM NAME | REF # | PART NUMBER | QUANTITY | DESTINATION | REMARKS |
|---|---|---|---|---|---|
| GEAR-ASSY,FRONT DIFFERENTIAL | 13101 | 13101-0728 | 1 | ||
| SHAFT,DIFF LOCK | 13107 | 13107-0768 | 1 | ||
| SHAFT | 13107A | 13107-0887 | 1 | ||
| SHIFTER,DIFF | 13139 | 13139-0035 | 1 | ||
| SHIFTER | 13139A | 13139-0039 | 1 | ||
| FORK-SHIFT | 13140 | 13140-0674 | 1 | ||
| FORK-SHIFT | 13140A | 13140-0675 | 1 | ||
| LEVER-ASSY | 13320 | 13320-0045 | 1 | ||
| COVER,RH | 14093 | 14093-0707 | 1 | ||
| COVER-ASSY,INPUT SHAFT | 16146 | 16146-0740 | 1 | ||
| ACTUATOR | 16172 | 16172-0030 | 1 | ||
| SENSOR | 21176 | 21176-0891 | 2 | ||
| BOOT,INSIDE | 49006 | 49006-0656 | 2 | ||
| BOOT,OUTSIDE | 49006A | 49006-0657 | 2 | ||
| CAM | 49060 | 49060-0025 | 1 | ||
| JOINT-BALL,RH | 59266 | 59266-0779 | 1 | ||
| JOINT-BALL,LH | 59266A | 59266-0780 | 1 | ||
| RING-SNAP | 92033 | 92033-0837 | 4 | ||
| CLAMP,TUBE | 92037 | 92037-1505 | 1 | ||
| CLAMP | 92037A | 92037-1993 | 2 | ||
| PIN,DOWEL,8X10 | 92043 | 92043-1302 | 2 | ||
| BEARING-BALL,6806 | 92045 | 92045-0826 | 1 | ||
| BEARING-NEEDLE | 92046 | 92046-1234 | 1 | ||
| SEAL-OIL | 92049 | 92049-0160 | 1 | ||
| SEAL-OIL,TC9Y 40X62X10X17.2 | 92049A | 92049-0815 | 2 | ||
| RING-O,190.2X4.2 | 92055 | 92055-0121 | 1 | ||
| RING-O,7.5X1.5 | 92055A | 92055-0756 | 1 | ||
| RING-O,1.9X71.8 | 92055B | 92055-0781 | 1 | ||
| RING-O | 92055C | 92055-081 | 1 | ||
| RING-O,35.8MM | 92055D | 92055-1281 | 1 | ||
| RING-O | 92055E | 92055-1639 | 2 | ||
| GASKET,12X22X2 | 92065 | 92065-097 | 1 | ||
| PLUG,36X7.5 | 92066 | 92066-0744 | 1 | ||
| PLUG,12X15 | 92066A | 92066-0943 | 1 | ||
| BOLT | 92154 | 92154-4462 | 1 | ||
| CLAMP,13MM DIA. | 92171 | 92171-1415 | 1 | ||
| CLAMP | 92173 | 92173-0059 | 1 | ||
| CLAMP,12MM DIA. | 92173A | 92173-0736 | 3 | ||
| TUBE,5.8X10.8X940 | 92192 | 92192-2805 | 1 | ||
| BOLT-FLANGED,8X25 | 130 | 130CA0825 | 6 | ||
| BOLT-FLANGED,10X30 | 130A | 130CA1030 | 2 | ||
| BOLT-FLANGED,10X40 | 130B | 130CA1040 | 4 | ||
| BOLT-FLANGED-SMALL,6X10 | 132 | 132BA0610 | 2 | ||
| BOLT-FLANGED-SMALL,6X16 | 132A | 132BA0616 | 18 | ||
| WASHER-PLAIN,10MM | 411 | 411AA1000 | 4 | ||
| PIN-SPRING,4X8 | 555 | 555A0408 | 2 |
| GEAR-ASSY,FRONT DIFFERENTIAL | |
| REF # | 13101 |
|---|---|
| PART NUMBER | |
| QUANTITY | 1 |
| DESTINATION | |
| REMARKS | |
| SHAFT,DIFF LOCK | |
| REF # | 13107 |
|---|---|
| PART NUMBER | |
| QUANTITY | 1 |
| DESTINATION | |
| REMARKS | |
| SHAFT | |
| REF # | 13107A |
|---|---|
| PART NUMBER | |
| QUANTITY | 1 |
| DESTINATION | |
| REMARKS | |
| SHIFTER,DIFF | |
| REF # | 13139 |
|---|---|
| PART NUMBER | |
| QUANTITY | 1 |
| DESTINATION | |
| REMARKS | |
| SHIFTER | |
| REF # | 13139A |
|---|---|
| PART NUMBER | |
| QUANTITY | 1 |
| DESTINATION | |
| REMARKS | |
| FORK-SHIFT | |
| REF # | 13140 |
|---|---|
| PART NUMBER | |
| QUANTITY | 1 |
| DESTINATION | |
| REMARKS | |
| FORK-SHIFT | |
| REF # | 13140A |
|---|---|
| PART NUMBER | |
| QUANTITY | 1 |
| DESTINATION | |
| REMARKS | |
| LEVER-ASSY | |
| REF # | 13320 |
|---|---|
| PART NUMBER | |
| QUANTITY | 1 |
| DESTINATION | |
| REMARKS | |
| COVER,RH | |
| REF # | 14093 |
|---|---|
| PART NUMBER | |
| QUANTITY | 1 |
| DESTINATION | |
| REMARKS | |
| COVER-ASSY,INPUT SHAFT | |
| REF # | 16146 |
|---|---|
| PART NUMBER | |
| QUANTITY | 1 |
| DESTINATION | |
| REMARKS | |
| ACTUATOR | |
| REF # | 16172 |
|---|---|
| PART NUMBER | |
| QUANTITY | 1 |
| DESTINATION | |
| REMARKS | |
| SENSOR | |
| REF # | 21176 |
|---|---|
| PART NUMBER | |
| QUANTITY | 2 |
| DESTINATION | |
| REMARKS | |
| BOOT,INSIDE | |
| REF # | 49006 |
|---|---|
| PART NUMBER | |
| QUANTITY | 2 |
| DESTINATION | |
| REMARKS | |
| BOOT,OUTSIDE | |
| REF # | 49006A |
|---|---|
| PART NUMBER | |
| QUANTITY | 2 |
| DESTINATION | |
| REMARKS | |
| CAM | |
| REF # | 49060 |
|---|---|
| PART NUMBER | |
| QUANTITY | 1 |
| DESTINATION | |
| REMARKS | |
| JOINT-BALL,RH | |
| REF # | 59266 |
|---|---|
| PART NUMBER | |
| QUANTITY | 1 |
| DESTINATION | |
| REMARKS | |
| JOINT-BALL,LH | |
| REF # | 59266A |
|---|---|
| PART NUMBER | |
| QUANTITY | 1 |
| DESTINATION | |
| REMARKS | |
| RING-SNAP | |
| REF # | 92033 |
|---|---|
| PART NUMBER | |
| QUANTITY | 4 |
| DESTINATION | |
| REMARKS | |
| CLAMP,TUBE | |
| REF # | 92037 |
|---|---|
| PART NUMBER | |
| QUANTITY | 1 |
| DESTINATION | |
| REMARKS | |
| CLAMP | |
| REF # | 92037A |
|---|---|
| PART NUMBER | |
| QUANTITY | 2 |
| DESTINATION | |
| REMARKS | |
| PIN,DOWEL,8X10 | |
| REF # | 92043 |
|---|---|
| PART NUMBER | |
| QUANTITY | 2 |
| DESTINATION | |
| REMARKS | |
| BEARING-BALL,6806 | |
| REF # | 92045 |
|---|---|
| PART NUMBER | |
| QUANTITY | 1 |
| DESTINATION | |
| REMARKS | |
| BEARING-NEEDLE | |
| REF # | 92046 |
|---|---|
| PART NUMBER | |
| QUANTITY | 1 |
| DESTINATION | |
| REMARKS | |
| SEAL-OIL | |
| REF # | 92049 |
|---|---|
| PART NUMBER | |
| QUANTITY | 1 |
| DESTINATION | |
| REMARKS | |
| SEAL-OIL,TC9Y 40X62X10X17.2 | |
| REF # | 92049A |
|---|---|
| PART NUMBER | |
| QUANTITY | 2 |
| DESTINATION | |
| REMARKS | |
| RING-O,190.2X4.2 | |
| REF # | 92055 |
|---|---|
| PART NUMBER | |
| QUANTITY | 1 |
| DESTINATION | |
| REMARKS | |
| RING-O,7.5X1.5 | |
| REF # | 92055A |
|---|---|
| PART NUMBER | |
| QUANTITY | 1 |
| DESTINATION | |
| REMARKS | |
| RING-O,1.9X71.8 | |
| REF # | 92055B |
|---|---|
| PART NUMBER | |
| QUANTITY | 1 |
| DESTINATION | |
| REMARKS | |
| RING-O | |
| REF # | 92055C |
|---|---|
| PART NUMBER | |
| QUANTITY | 1 |
| DESTINATION | |
| REMARKS | |
| RING-O,35.8MM | |
| REF # | 92055D |
|---|---|
| PART NUMBER | |
| QUANTITY | 1 |
| DESTINATION | |
| REMARKS | |
| RING-O | |
| REF # | 92055E |
|---|---|
| PART NUMBER | |
| QUANTITY | 2 |
| DESTINATION | |
| REMARKS | |
| GASKET,12X22X2 | |
| REF # | 92065 |
|---|---|
| PART NUMBER | |
| QUANTITY | 1 |
| DESTINATION | |
| REMARKS | |
| PLUG,36X7.5 | |
| REF # | 92066 |
|---|---|
| PART NUMBER | |
| QUANTITY | 1 |
| DESTINATION | |
| REMARKS | |
| PLUG,12X15 | |
| REF # | 92066A |
|---|---|
| PART NUMBER | |
| QUANTITY | 1 |
| DESTINATION | |
| REMARKS | |
| BOLT | |
| REF # | 92154 |
|---|---|
| PART NUMBER | |
| QUANTITY | 1 |
| DESTINATION | |
| REMARKS | |
| CLAMP,13MM DIA. | |
| REF # | 92171 |
|---|---|
| PART NUMBER | |
| QUANTITY | 1 |
| DESTINATION | |
| REMARKS | |
| CLAMP | |
| REF # | 92173 |
|---|---|
| PART NUMBER | |
| QUANTITY | 1 |
| DESTINATION | |
| REMARKS | |
| CLAMP,12MM DIA. | |
| REF # | 92173A |
|---|---|
| PART NUMBER | |
| QUANTITY | 3 |
| DESTINATION | |
| REMARKS | |
| TUBE,5.8X10.8X940 | |
| REF # | 92192 |
|---|---|
| PART NUMBER | |
| QUANTITY | 1 |
| DESTINATION | |
| REMARKS | |
| BOLT-FLANGED,8X25 | |
| REF # | 130 |
|---|---|
| PART NUMBER | |
| QUANTITY | 6 |
| DESTINATION | |
| REMARKS | |
| BOLT-FLANGED,10X30 | |
| REF # | 130A |
|---|---|
| PART NUMBER | |
| QUANTITY | 2 |
| DESTINATION | |
| REMARKS | |
| BOLT-FLANGED,10X40 | |
| REF # | 130B |
|---|---|
| PART NUMBER | |
| QUANTITY | 4 |
| DESTINATION | |
| REMARKS | |
| BOLT-FLANGED-SMALL,6X10 | |
| REF # | 132 |
|---|---|
| PART NUMBER | |
| QUANTITY | 2 |
| DESTINATION | |
| REMARKS | |
| BOLT-FLANGED-SMALL,6X16 | |
| REF # | 132A |
|---|---|
| PART NUMBER | |
| QUANTITY | 18 |
| DESTINATION | |
| REMARKS | |
| WASHER-PLAIN,10MM | |
| REF # | 411 |
|---|---|
| PART NUMBER | |
| QUANTITY | 4 |
| DESTINATION | |
| REMARKS | |
| PIN-SPRING,4X8 | |
| REF # | 555 |
|---|---|
| PART NUMBER | |
| QUANTITY | 2 |
| DESTINATION | |
| REMARKS | |