main content of page
Parts Diagrams
OWNER CENTER |
Welcome, Kawasaki owners. Access the information and tools you need to get the most out of your vehicle.
OWNER CENTER |
Welcome, Kawasaki owners. Access the information and tools you need to get the most out of your vehicle.
Parts Diagrams |
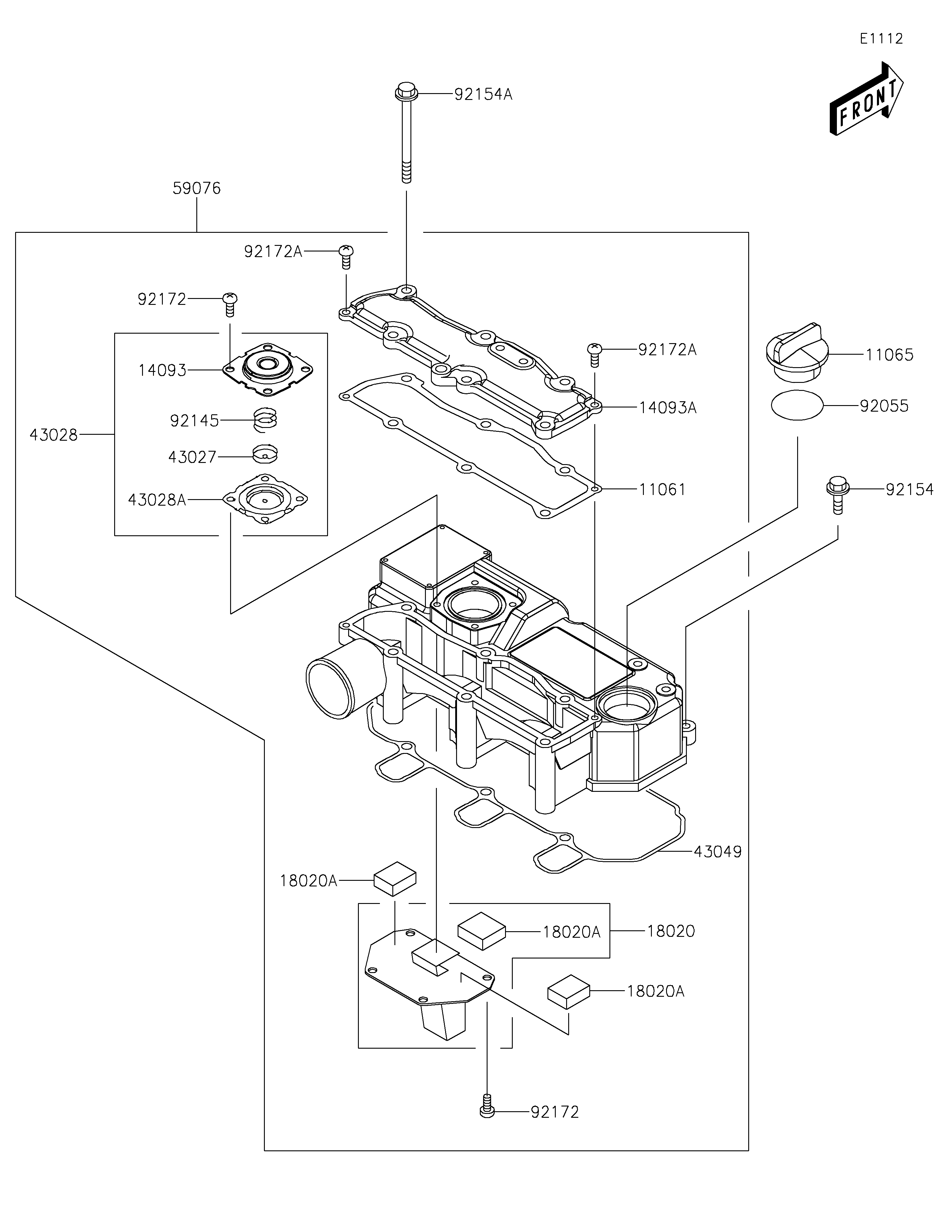
2026 MULE PRO-DX - Cylinder Head Cover
11061
11065
14093
14093A
18020
18020A
18020A
18020A
43027
43028
43028A
43049
59076
92055
92145
92154
92154A
92172
92172
92172A
92172A
| ITEM NAME | REF # | PART NUMBER | QUANTITY | DESTINATION | REMARKS |
|---|---|---|---|---|---|
| GASKET,INTAKE MANIFOLD COVER | 11061 | 11061-1193 | 1 | ||
| CAP,FILLER | 11065 | 11065-0943 | 1 | ||
| COVER,DIAPHRAGM | 14093 | 14093-0442 | 1 | ||
| COVER,INTAKE MANIFOLD | 14093A | 14093-0444 | 1 | ||
| BAFFLE,PLATE | 18020 | 18020-0723 | 1 | ||
| BAFFLE,BREATHER | 18020A | 18020-0724 | 3 | ||
| PLATE-DIAPHRAGM | 43027 | 43027-0009 | 1 | ||
| DIAPHRAGM,ASSY | 43028 | 43028-0019 | 1 | ||
| DIAPHRAGM | 43028A | 43028-0020 | 1 | ||
| PACKING,INTAKE MANIFOLD | 43049 | 43049-0038 | 1 | ||
| MANIFOLD-INTAKE | 59076 | 59076-0014 | 1 | ||
| RING-O | 92055 | 92055-0856 | 1 | ||
| SPRING | 92145 | 92145-1712 | 1 | ||
| BOLT,FLANGED,6X20 | 92154 | 92154-1988 | 3 | ||
| BOLT,FLANGED,6X75 | 92154A | 92154-1989 | 6 | ||
| SCREW,5X10 | 92172 | 92172-0985 | 8 | ||
| SCREW,5X16 | 92172A | 92172-0986 | 2 |
| GASKET,INTAKE MANIFOLD COVER | |
| REF # | 11061 |
|---|---|
| PART NUMBER | |
| QUANTITY | 1 |
| DESTINATION | |
| REMARKS | |
| CAP,FILLER | |
| REF # | 11065 |
|---|---|
| PART NUMBER | |
| QUANTITY | 1 |
| DESTINATION | |
| REMARKS | |
| COVER,DIAPHRAGM | |
| REF # | 14093 |
|---|---|
| PART NUMBER | |
| QUANTITY | 1 |
| DESTINATION | |
| REMARKS | |
| COVER,INTAKE MANIFOLD | |
| REF # | 14093A |
|---|---|
| PART NUMBER | |
| QUANTITY | 1 |
| DESTINATION | |
| REMARKS | |
| BAFFLE,PLATE | |
| REF # | 18020 |
|---|---|
| PART NUMBER | |
| QUANTITY | 1 |
| DESTINATION | |
| REMARKS | |
| BAFFLE,BREATHER | |
| REF # | 18020A |
|---|---|
| PART NUMBER | |
| QUANTITY | 3 |
| DESTINATION | |
| REMARKS | |
| PLATE-DIAPHRAGM | |
| REF # | 43027 |
|---|---|
| PART NUMBER | |
| QUANTITY | 1 |
| DESTINATION | |
| REMARKS | |
| DIAPHRAGM,ASSY | |
| REF # | 43028 |
|---|---|
| PART NUMBER | |
| QUANTITY | 1 |
| DESTINATION | |
| REMARKS | |
| DIAPHRAGM | |
| REF # | 43028A |
|---|---|
| PART NUMBER | |
| QUANTITY | 1 |
| DESTINATION | |
| REMARKS | |
| PACKING,INTAKE MANIFOLD | |
| REF # | 43049 |
|---|---|
| PART NUMBER | |
| QUANTITY | 1 |
| DESTINATION | |
| REMARKS | |
| MANIFOLD-INTAKE | |
| REF # | 59076 |
|---|---|
| PART NUMBER | |
| QUANTITY | 1 |
| DESTINATION | |
| REMARKS | |
| RING-O | |
| REF # | 92055 |
|---|---|
| PART NUMBER | |
| QUANTITY | 1 |
| DESTINATION | |
| REMARKS | |
| SPRING | |
| REF # | 92145 |
|---|---|
| PART NUMBER | |
| QUANTITY | 1 |
| DESTINATION | |
| REMARKS | |
| BOLT,FLANGED,6X20 | |
| REF # | 92154 |
|---|---|
| PART NUMBER | |
| QUANTITY | 3 |
| DESTINATION | |
| REMARKS | |
| BOLT,FLANGED,6X75 | |
| REF # | 92154A |
|---|---|
| PART NUMBER | |
| QUANTITY | 6 |
| DESTINATION | |
| REMARKS | |
| SCREW,5X10 | |
| REF # | 92172 |
|---|---|
| PART NUMBER | |
| QUANTITY | 8 |
| DESTINATION | |
| REMARKS | |
| SCREW,5X16 | |
| REF # | 92172A |
|---|---|
| PART NUMBER | |
| QUANTITY | 2 |
| DESTINATION | |
| REMARKS | |