main content of page
Parts Diagrams
OWNER CENTER |
Welcome, Kawasaki owners. Access the information and tools you need to get the most out of your vehicle.
OWNER CENTER |
Welcome, Kawasaki owners. Access the information and tools you need to get the most out of your vehicle.
Parts Diagrams |
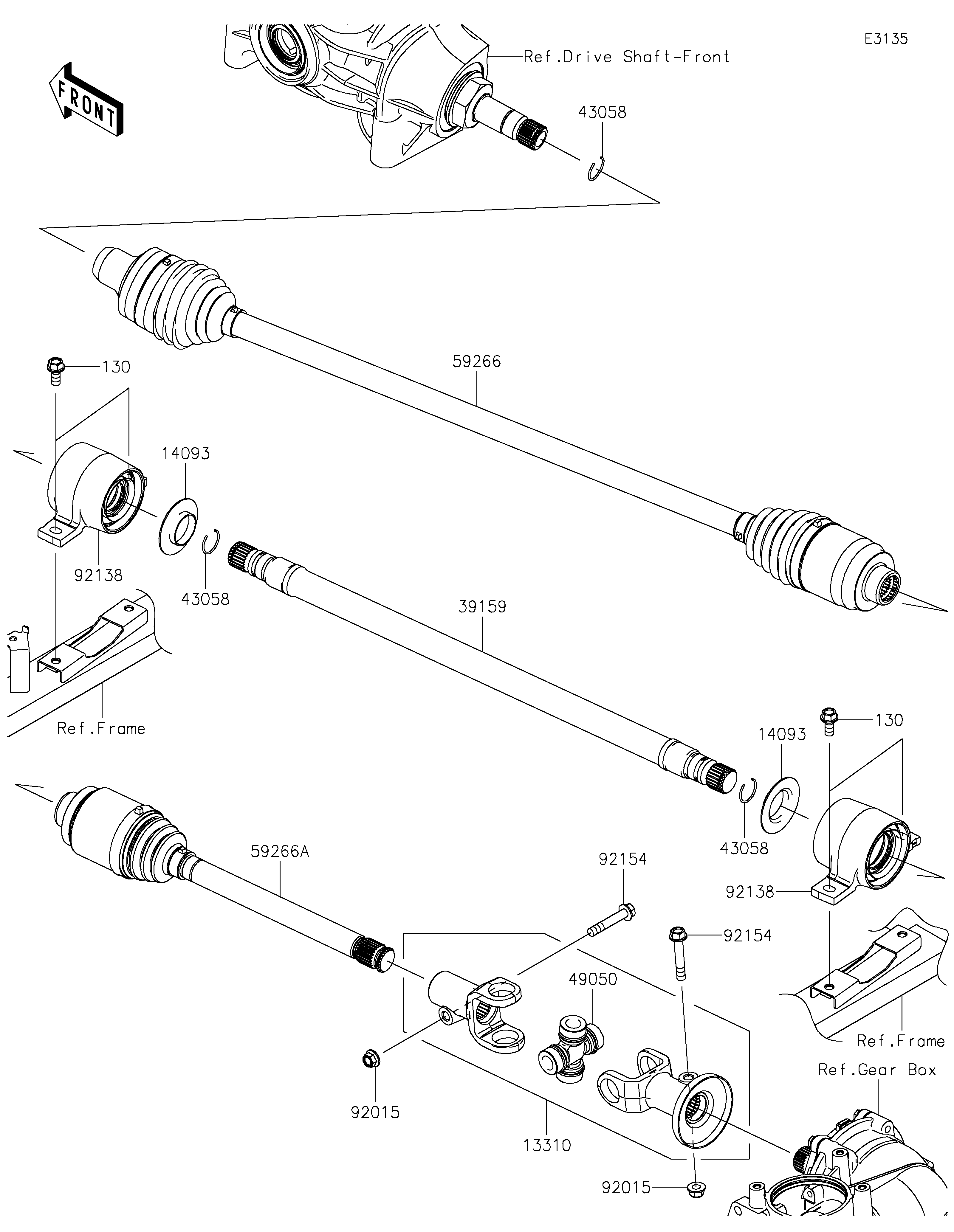
2026 MULE PRO-DXT™ EPS - Drive Shaft-Propeller
13310
14093
14093
39159
43058
43058
43058
49050
59266
59266A
92015
92015
92138
92138
92154
92154
130
130
| ITEM NAME | REF # | PART NUMBER | QUANTITY | DESTINATION | REMARKS |
|---|---|---|---|---|---|
| SHAFT-ASSY | 13310 | 13310-0038 | 1 | ||
| COVER,SIDE RIP | 14093 | 14093-0006 | 2 | ||
| SHAFT-DRIVE | 39159 | 39159-0598 | 1 | ||
| RING | 43058 | 43058-0018 | 3 | ||
| SPIDER | 49050 | 49050-0034 | 1 | ||
| JOINT-BALL,FR DIFF SIDE | 59266 | 59266-0731 | 1 | ||
| JOINT-BALL,RR DIFF SIDE | 59266A | 59266-0775 | 1 | ||
| NUT,8MM | 92015 | 92015-1432 | 2 | ||
| BEARING-COMP | 92138 | 92138-0002 | 2 | ||
| BOLT,FLANGED,8X46 | 92154 | 92154-1365 | 2 | ||
| BOLT-FLANGED,8X18 | 130 | 130BA0818 | 4 |
| SHAFT-ASSY | |
| REF # | 13310 |
|---|---|
| PART NUMBER | |
| QUANTITY | 1 |
| DESTINATION | |
| REMARKS | |
| COVER,SIDE RIP | |
| REF # | 14093 |
|---|---|
| PART NUMBER | |
| QUANTITY | 2 |
| DESTINATION | |
| REMARKS | |
| SHAFT-DRIVE | |
| REF # | 39159 |
|---|---|
| PART NUMBER | |
| QUANTITY | 1 |
| DESTINATION | |
| REMARKS | |
| RING | |
| REF # | 43058 |
|---|---|
| PART NUMBER | |
| QUANTITY | 3 |
| DESTINATION | |
| REMARKS | |
| SPIDER | |
| REF # | 49050 |
|---|---|
| PART NUMBER | |
| QUANTITY | 1 |
| DESTINATION | |
| REMARKS | |
| JOINT-BALL,FR DIFF SIDE | |
| REF # | 59266 |
|---|---|
| PART NUMBER | |
| QUANTITY | 1 |
| DESTINATION | |
| REMARKS | |
| JOINT-BALL,RR DIFF SIDE | |
| REF # | 59266A |
|---|---|
| PART NUMBER | |
| QUANTITY | 1 |
| DESTINATION | |
| REMARKS | |
| NUT,8MM | |
| REF # | 92015 |
|---|---|
| PART NUMBER | |
| QUANTITY | 2 |
| DESTINATION | |
| REMARKS | |
| BEARING-COMP | |
| REF # | 92138 |
|---|---|
| PART NUMBER | |
| QUANTITY | 2 |
| DESTINATION | |
| REMARKS | |
| BOLT,FLANGED,8X46 | |
| REF # | 92154 |
|---|---|
| PART NUMBER | |
| QUANTITY | 2 |
| DESTINATION | |
| REMARKS | |
| BOLT-FLANGED,8X18 | |
| REF # | 130 |
|---|---|
| PART NUMBER | |
| QUANTITY | 4 |
| DESTINATION | |
| REMARKS | |