main content of page
Parts Diagrams
OWNER CENTER |
Welcome, Kawasaki owners. Access the information and tools you need to get the most out of your vehicle.
OWNER CENTER |
Welcome, Kawasaki owners. Access the information and tools you need to get the most out of your vehicle.
Parts Diagrams |
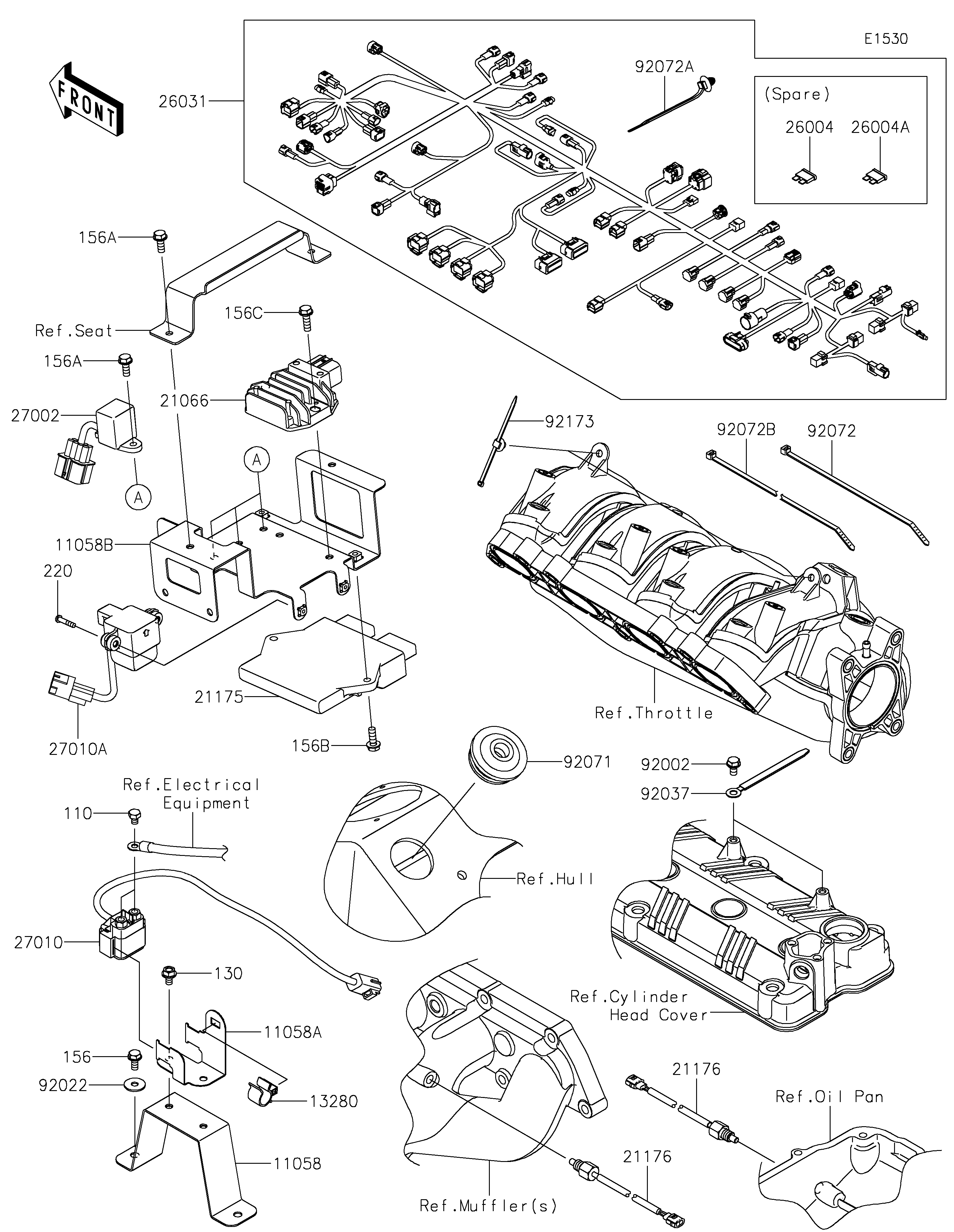
2026 JET SKI® STX® 160LX - Fuel Injection
11058
11058A
11058B
13280
21066
21175
21176
21176
26004
26004A
26031
27002
27010
27010A
92002
92022
92037
92071
92072
92072A
92072B
92173
110
130
156
156A
156A
156B
156C
220
| ITEM NAME | REF # | PART NUMBER | QUANTITY | DESTINATION | REMARKS |
|---|---|---|---|---|---|
| BRACKET,BEARING CASE | 11058 | 11058-2094 | 1 | ||
| BRACKET,MAGNETIC SWITCH | 11058A | 11058-2096 | 1 | ||
| BRACKET | 11058B | 11058-2322 | 1 | ||
| HOLDER | 13280 | 13280-0789 | 1 | ||
| REGULATOR-VOLTAGE | 21066 | 21066-0755 | 1 | ||
| CONTROL UNIT-ELECTRONIC | 21175 | 21175-2142 | 1 | ||
| SENSOR,TEMP | 21176 | 21176-0741 | 2 | ||
| FUSE-ASSY,15A | 26004 | 26004-0041 | 4 | ||
| FUSE-ASSY,20A | 26004A | 26004-0042 | 4 | ||
| HARNESS,MAIN | 26031 | 26031-4242 | 1 | ||
| RELAY-ASSY | 27002 | 27002-3703 | 3 | ||
| SWITCH,MAGNETIC | 27010 | 27010-1518 | 1 | ||
| SWITCH,VDS | 27010A | 27010-3785 | 1 | ||
| BOLT,6X12 | 92002 | 92002-3763 | 2 | ||
| WASHER,6.5X20X1.5 | 92022 | 92022-3710 | 2 | ||
| CLAMP,L=100 | 92037 | 92037-3736 | 2 | ||
| GROMMET | 92071 | 92071-0863 | 1 | ||
| BAND,L=188.85 | 92072 | 92072-0105 | 3 | ||
| BAND,OS170-FT7(BLACK) | 92072A | 92072-1414 | AR | ||
| BAND,L=372.24 | 92072B | 92072-3883 | 6 | ||
| CLAMP | 92173 | 92173-0742 | 2 | ||
| BOLT,6X8 | 110 | 110R0608 | 2 | ||
| BOLT-FLANGED,6X10 | 130 | 130R0610 | 2 | ||
| BOLT-WP,6X14 | 156 | 156R0614 | 2 | ||
| BOLT-WP,6X16 | 156A | 156R0616 | 5 | ||
| BOLT-WP,6X18 | 156B | 156R0618 | 2 | ||
| BOLT-WP,6X20 | 156C | 156R0620 | 2 | ||
| SCREW-PAN-CROS,4X20 | 220 | 220R0420 | 2 |
| BRACKET,BEARING CASE | |
| REF # | 11058 |
|---|---|
| PART NUMBER | |
| QUANTITY | 1 |
| DESTINATION | |
| REMARKS | |
| BRACKET,MAGNETIC SWITCH | |
| REF # | 11058A |
|---|---|
| PART NUMBER | |
| QUANTITY | 1 |
| DESTINATION | |
| REMARKS | |
| BRACKET | |
| REF # | 11058B |
|---|---|
| PART NUMBER | |
| QUANTITY | 1 |
| DESTINATION | |
| REMARKS | |
| HOLDER | |
| REF # | 13280 |
|---|---|
| PART NUMBER | |
| QUANTITY | 1 |
| DESTINATION | |
| REMARKS | |
| REGULATOR-VOLTAGE | |
| REF # | 21066 |
|---|---|
| PART NUMBER | |
| QUANTITY | 1 |
| DESTINATION | |
| REMARKS | |
| CONTROL UNIT-ELECTRONIC | |
| REF # | 21175 |
|---|---|
| PART NUMBER | |
| QUANTITY | 1 |
| DESTINATION | |
| REMARKS | |
| SENSOR,TEMP | |
| REF # | 21176 |
|---|---|
| PART NUMBER | |
| QUANTITY | 2 |
| DESTINATION | |
| REMARKS | |
| FUSE-ASSY,15A | |
| REF # | 26004 |
|---|---|
| PART NUMBER | |
| QUANTITY | 4 |
| DESTINATION | |
| REMARKS | |
| FUSE-ASSY,20A | |
| REF # | 26004A |
|---|---|
| PART NUMBER | |
| QUANTITY | 4 |
| DESTINATION | |
| REMARKS | |
| HARNESS,MAIN | |
| REF # | 26031 |
|---|---|
| PART NUMBER | |
| QUANTITY | 1 |
| DESTINATION | |
| REMARKS | |
| RELAY-ASSY | |
| REF # | 27002 |
|---|---|
| PART NUMBER | |
| QUANTITY | 3 |
| DESTINATION | |
| REMARKS | |
| SWITCH,MAGNETIC | |
| REF # | 27010 |
|---|---|
| PART NUMBER | |
| QUANTITY | 1 |
| DESTINATION | |
| REMARKS | |
| SWITCH,VDS | |
| REF # | 27010A |
|---|---|
| PART NUMBER | |
| QUANTITY | 1 |
| DESTINATION | |
| REMARKS | |
| BOLT,6X12 | |
| REF # | 92002 |
|---|---|
| PART NUMBER | |
| QUANTITY | 2 |
| DESTINATION | |
| REMARKS | |
| WASHER,6.5X20X1.5 | |
| REF # | 92022 |
|---|---|
| PART NUMBER | |
| QUANTITY | 2 |
| DESTINATION | |
| REMARKS | |
| CLAMP,L=100 | |
| REF # | 92037 |
|---|---|
| PART NUMBER | |
| QUANTITY | 2 |
| DESTINATION | |
| REMARKS | |
| GROMMET | |
| REF # | 92071 |
|---|---|
| PART NUMBER | |
| QUANTITY | 1 |
| DESTINATION | |
| REMARKS | |
| BAND,L=188.85 | |
| REF # | 92072 |
|---|---|
| PART NUMBER | |
| QUANTITY | 3 |
| DESTINATION | |
| REMARKS | |
| BAND,OS170-FT7(BLACK) | |
| REF # | 92072A |
|---|---|
| PART NUMBER | |
| QUANTITY | AR |
| DESTINATION | |
| REMARKS | |
| BAND,L=372.24 | |
| REF # | 92072B |
|---|---|
| PART NUMBER | |
| QUANTITY | 6 |
| DESTINATION | |
| REMARKS | |
| CLAMP | |
| REF # | 92173 |
|---|---|
| PART NUMBER | |
| QUANTITY | 2 |
| DESTINATION | |
| REMARKS | |
| BOLT,6X8 | |
| REF # | 110 |
|---|---|
| PART NUMBER | |
| QUANTITY | 2 |
| DESTINATION | |
| REMARKS | |
| BOLT-FLANGED,6X10 | |
| REF # | 130 |
|---|---|
| PART NUMBER | |
| QUANTITY | 2 |
| DESTINATION | |
| REMARKS | |
| BOLT-WP,6X14 | |
| REF # | 156 |
|---|---|
| PART NUMBER | |
| QUANTITY | 2 |
| DESTINATION | |
| REMARKS | |
| BOLT-WP,6X16 | |
| REF # | 156A |
|---|---|
| PART NUMBER | |
| QUANTITY | 5 |
| DESTINATION | |
| REMARKS | |
| BOLT-WP,6X18 | |
| REF # | 156B |
|---|---|
| PART NUMBER | |
| QUANTITY | 2 |
| DESTINATION | |
| REMARKS | |
| BOLT-WP,6X20 | |
| REF # | 156C |
|---|---|
| PART NUMBER | |
| QUANTITY | 2 |
| DESTINATION | |
| REMARKS | |
| SCREW-PAN-CROS,4X20 | |
| REF # | 220 |
|---|---|
| PART NUMBER | |
| QUANTITY | 2 |
| DESTINATION | |
| REMARKS | |