main content of page
Parts Diagrams
OWNER CENTER |
Welcome, Kawasaki owners. Access the information and tools you need to get the most out of your vehicle.
OWNER CENTER |
Welcome, Kawasaki owners. Access the information and tools you need to get the most out of your vehicle.
Parts Diagrams |
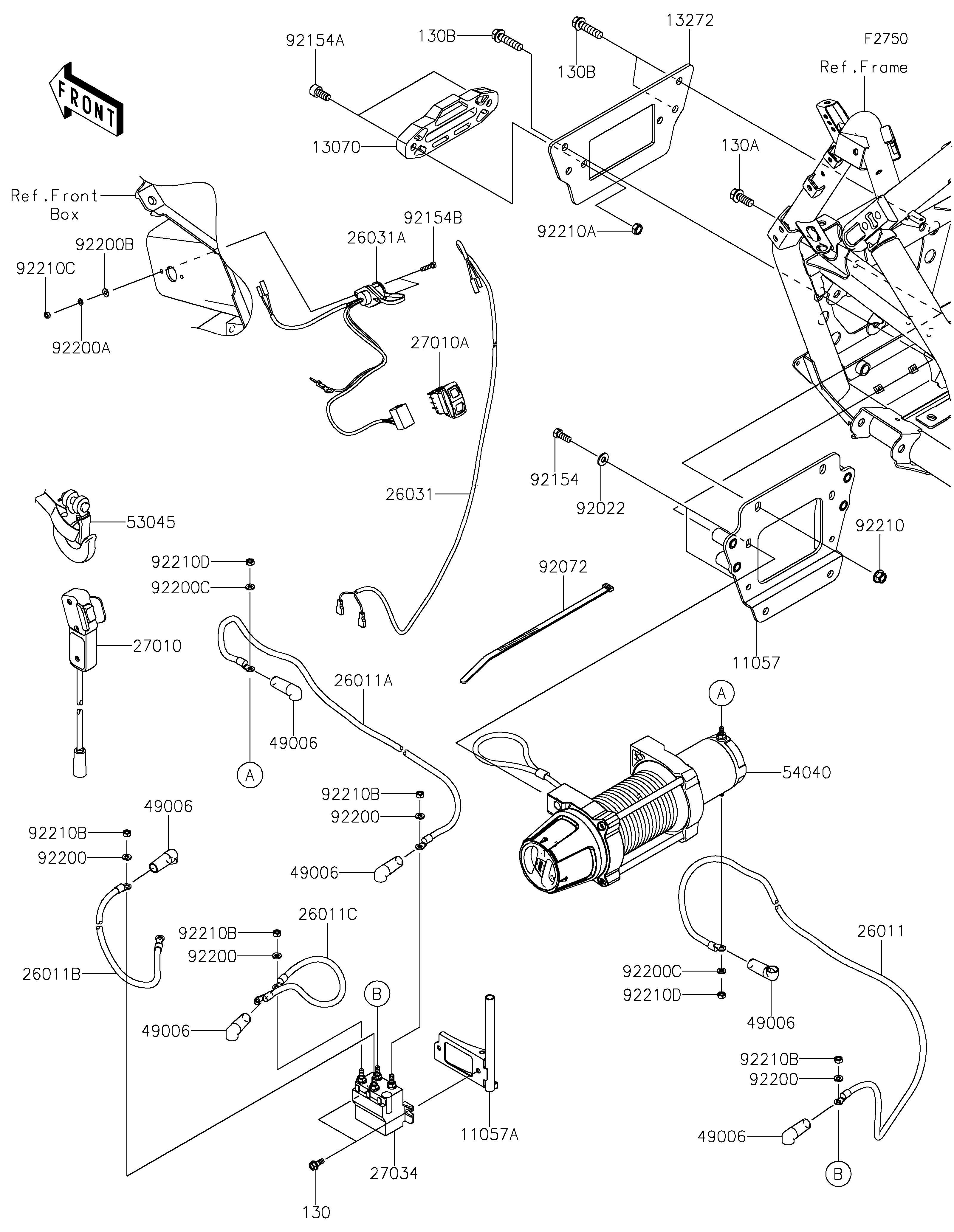
2026 TERYX KRX® 1000 ROCK EDITION - Other(Winch)
11057
11057A
13070
13272
26011
26011A
26011B
26011C
26031
26031A
27010
27010A
27034
49006
49006
49006
49006
49006
49006
53045
54040
92022
92072
92154
92154A
92154B
92200
92200
92200
92200
92200A
92200B
92200C
92200C
92210
92210A
92210B
92210B
92210B
92210B
92210C
92210D
92210D
130
130A
130B
130B
| ITEM NAME | REF # | PART NUMBER | QUANTITY | DESTINATION | REMARKS |
|---|---|---|---|---|---|
| BRACKET,WINCH | 11057 | 11057-3707 | 1 | ||
| BRACKET,WINCH RELAY | 11057A | 11057-3729 | 1 | ||
| GUIDE,FAIRLEAD | 13070 | 13070-1447 | 1 | ||
| PLATE,FAIRLEAD | 13272 | 13272-2847 | 1 | ||
| WIRE-LEAD,BLUE | 26011 | 26011-2451 | 1 | ||
| WIRE-LEAD,YELLOW | 26011A | 26011-2452 | 1 | ||
| WIRE-LEAD,RED | 26011B | 26011-2453 | 1 | ||
| WIRE-LEAD,BLACK | 26011C | 26011-2454 | 1 | ||
| HARNESS,REMOTE | 26031 | 26031-2842 | 1 | ||
| HARNESS,CONTACTOR | 26031A | 26031-2843 | 1 | ||
| SWITCH,REMOTE | 27010 | 27010-0820 | 1 | ||
| SWITCH,ON/OFF | 27010A | 27010-0942 | 1 | ||
| RELAY,CONTROLLER | 27034 | 27034-0018 | 1 | ||
| BOOT | 49006 | 49006-0601 | 6 | ||
| HOOK-ASSY | 53045 | 53045-0028 | 1 | ||
| WINCH,VRX45-S | 54040 | 54040-0010 | 1 | ||
| WASHER,8.2X19X2 | 92022 | 92022-1533 | 4 | ||
| BAND,L=292.1 | 92072 | 92072-3509 | 10 | ||
| BOLT,8X20 | 92154 | 92154-1876 | 4 | ||
| BOLT,SOCKET,10X20 | 92154A | 92154-1877 | 2 | ||
| BOLT,5X20 | 92154B | 92154-1879 | 2 | ||
| WASHER,6 LOCK | 92200 | 92200-1776 | 4 | ||
| WASHER,5 LOCK | 92200A | 92200-1777 | 2 | ||
| WASHER | 92200B | 92200-1778 | 2 | ||
| WASHER,6.4X12X1.8 | 92200C | 92200-2358 | 2 | ||
| NUT,LOCK,FLANGED,10MM | 92210 | 92210-1080 | 2 | ||
| NUT,LOCK,M10 | 92210A | 92210-1432 | 2 | ||
| NUT,M6X1.00 | 92210B | 92210-1434 | 4 | ||
| NUT,M5X0.80 | 92210C | 92210-1435 | 2 | ||
| NUT,6MM | 92210D | 92210-1792 | 2 | ||
| BOLT-FLANGED,6X12 | 130 | 130BA0612 | 2 | ||
| BOLT-FLANGED | 130A | 130CA1025 | 2 | ||
| BOLT-FLANGED,10X40 | 130B | 130CA1040 | 4 |
| BRACKET,WINCH | |
| REF # | 11057 |
|---|---|
| PART NUMBER | |
| QUANTITY | 1 |
| DESTINATION | |
| REMARKS | |
| BRACKET,WINCH RELAY | |
| REF # | 11057A |
|---|---|
| PART NUMBER | |
| QUANTITY | 1 |
| DESTINATION | |
| REMARKS | |
| GUIDE,FAIRLEAD | |
| REF # | 13070 |
|---|---|
| PART NUMBER | |
| QUANTITY | 1 |
| DESTINATION | |
| REMARKS | |
| PLATE,FAIRLEAD | |
| REF # | 13272 |
|---|---|
| PART NUMBER | |
| QUANTITY | 1 |
| DESTINATION | |
| REMARKS | |
| WIRE-LEAD,BLUE | |
| REF # | 26011 |
|---|---|
| PART NUMBER | |
| QUANTITY | 1 |
| DESTINATION | |
| REMARKS | |
| WIRE-LEAD,YELLOW | |
| REF # | 26011A |
|---|---|
| PART NUMBER | |
| QUANTITY | 1 |
| DESTINATION | |
| REMARKS | |
| WIRE-LEAD,RED | |
| REF # | 26011B |
|---|---|
| PART NUMBER | |
| QUANTITY | 1 |
| DESTINATION | |
| REMARKS | |
| WIRE-LEAD,BLACK | |
| REF # | 26011C |
|---|---|
| PART NUMBER | |
| QUANTITY | 1 |
| DESTINATION | |
| REMARKS | |
| HARNESS,REMOTE | |
| REF # | 26031 |
|---|---|
| PART NUMBER | |
| QUANTITY | 1 |
| DESTINATION | |
| REMARKS | |
| HARNESS,CONTACTOR | |
| REF # | 26031A |
|---|---|
| PART NUMBER | |
| QUANTITY | 1 |
| DESTINATION | |
| REMARKS | |
| SWITCH,REMOTE | |
| REF # | 27010 |
|---|---|
| PART NUMBER | |
| QUANTITY | 1 |
| DESTINATION | |
| REMARKS | |
| SWITCH,ON/OFF | |
| REF # | 27010A |
|---|---|
| PART NUMBER | |
| QUANTITY | 1 |
| DESTINATION | |
| REMARKS | |
| RELAY,CONTROLLER | |
| REF # | 27034 |
|---|---|
| PART NUMBER | |
| QUANTITY | 1 |
| DESTINATION | |
| REMARKS | |
| BOOT | |
| REF # | 49006 |
|---|---|
| PART NUMBER | |
| QUANTITY | 6 |
| DESTINATION | |
| REMARKS | |
| HOOK-ASSY | |
| REF # | 53045 |
|---|---|
| PART NUMBER | |
| QUANTITY | 1 |
| DESTINATION | |
| REMARKS | |
| WINCH,VRX45-S | |
| REF # | 54040 |
|---|---|
| PART NUMBER | |
| QUANTITY | 1 |
| DESTINATION | |
| REMARKS | |
| WASHER,8.2X19X2 | |
| REF # | 92022 |
|---|---|
| PART NUMBER | |
| QUANTITY | 4 |
| DESTINATION | |
| REMARKS | |
| BAND,L=292.1 | |
| REF # | 92072 |
|---|---|
| PART NUMBER | |
| QUANTITY | 10 |
| DESTINATION | |
| REMARKS | |
| BOLT,8X20 | |
| REF # | 92154 |
|---|---|
| PART NUMBER | |
| QUANTITY | 4 |
| DESTINATION | |
| REMARKS | |
| BOLT,SOCKET,10X20 | |
| REF # | 92154A |
|---|---|
| PART NUMBER | |
| QUANTITY | 2 |
| DESTINATION | |
| REMARKS | |
| BOLT,5X20 | |
| REF # | 92154B |
|---|---|
| PART NUMBER | |
| QUANTITY | 2 |
| DESTINATION | |
| REMARKS | |
| WASHER,6 LOCK | |
| REF # | 92200 |
|---|---|
| PART NUMBER | |
| QUANTITY | 4 |
| DESTINATION | |
| REMARKS | |
| WASHER,5 LOCK | |
| REF # | 92200A |
|---|---|
| PART NUMBER | |
| QUANTITY | 2 |
| DESTINATION | |
| REMARKS | |
| WASHER | |
| REF # | 92200B |
|---|---|
| PART NUMBER | |
| QUANTITY | 2 |
| DESTINATION | |
| REMARKS | |
| WASHER,6.4X12X1.8 | |
| REF # | 92200C |
|---|---|
| PART NUMBER | |
| QUANTITY | 2 |
| DESTINATION | |
| REMARKS | |
| NUT,LOCK,FLANGED,10MM | |
| REF # | 92210 |
|---|---|
| PART NUMBER | |
| QUANTITY | 2 |
| DESTINATION | |
| REMARKS | |
| NUT,LOCK,M10 | |
| REF # | 92210A |
|---|---|
| PART NUMBER | |
| QUANTITY | 2 |
| DESTINATION | |
| REMARKS | |
| NUT,M6X1.00 | |
| REF # | 92210B |
|---|---|
| PART NUMBER | |
| QUANTITY | 4 |
| DESTINATION | |
| REMARKS | |
| NUT,M5X0.80 | |
| REF # | 92210C |
|---|---|
| PART NUMBER | |
| QUANTITY | 2 |
| DESTINATION | |
| REMARKS | |
| NUT,6MM | |
| REF # | 92210D |
|---|---|
| PART NUMBER | |
| QUANTITY | 2 |
| DESTINATION | |
| REMARKS | |
| BOLT-FLANGED,6X12 | |
| REF # | 130 |
|---|---|
| PART NUMBER | |
| QUANTITY | 2 |
| DESTINATION | |
| REMARKS | |
| BOLT-FLANGED | |
| REF # | 130A |
|---|---|
| PART NUMBER | |
| QUANTITY | 2 |
| DESTINATION | |
| REMARKS | |
| BOLT-FLANGED,10X40 | |
| REF # | 130B |
|---|---|
| PART NUMBER | |
| QUANTITY | 4 |
| DESTINATION | |
| REMARKS | |