Skip to main content

Parts Diagrams

customer service agent speaking with a customer

Welcome, Kawasaki owners. Access the information and tools you need to get the most out of your vehicle.

Welcome, Kawasaki owners. Access the information and tools you need to get the most out of your vehicle.

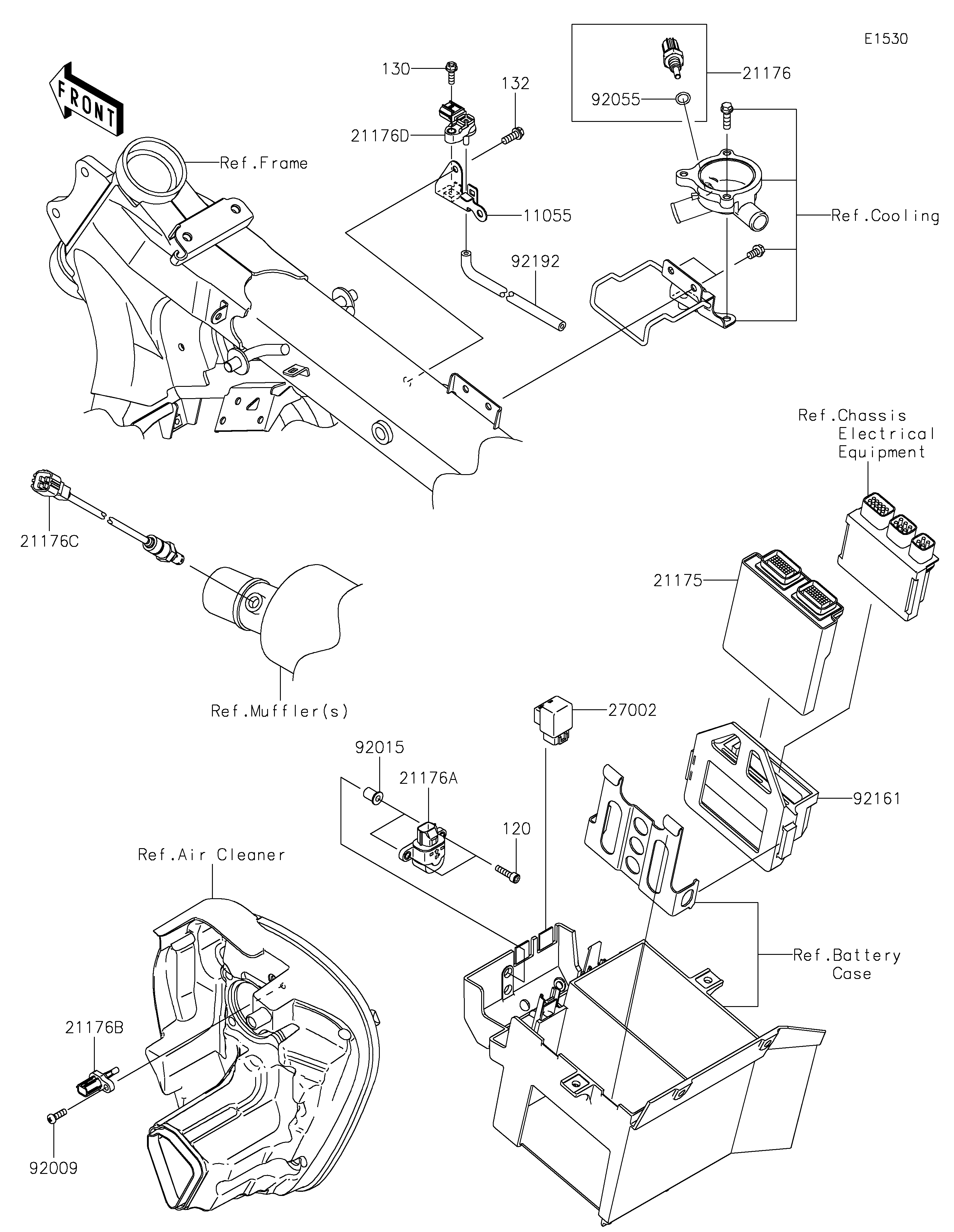
2026 VULCAN® 1700 VAQUERO® ABS - Fuel Injection

11055
21175
21176
21176A
21176B
21176C
21176D
27002
92009
92015
92055
92161
92192
120
130
132
Part Item Information
ITEM NAME REF # PART NUMBER QUANTITY DESTINATION REMARKS
BRACKET 11055 11055-0569 1
CONTROL UNIT-ELECTRONIC 21175 21175-0927 1
SENSOR,WATER TEMP 21176 21176-0009 1
SENSOR 21176A 21176-0025 1
SENSOR,AIR TEMPERATURE 21176B 21176-0048 1
SENSOR,OXYGEN 21176C 21176-0090 1
SENSOR,PRESSURE 21176D 21176-0111 1
RELAY-ASSY 27002 27002-1062 1
SCREW,TAPPING,5X16 92009 92009-1984 1
NUT,WELL,5MM 92015 92015-1757 2
RING-O,9.5X1.9 92055 92055-0016 1
DAMPER 92161 92161-0092 1
TUBE,FITTING-ASV 92192 92192-0354 1
BOLT-SOCKET,5X20 120 120CA0520 2
BOLT-FLANGED,5X16 130 130BA0516 1
BOLT-FLANGED-SMALL,6X16 132 132BA0616 1