main content of page
Parts Diagrams
OWNER CENTER |
Welcome, Kawasaki owners. Access the information and tools you need to get the most out of your vehicle.
OWNER CENTER |
Welcome, Kawasaki owners. Access the information and tools you need to get the most out of your vehicle.
Parts Diagrams |
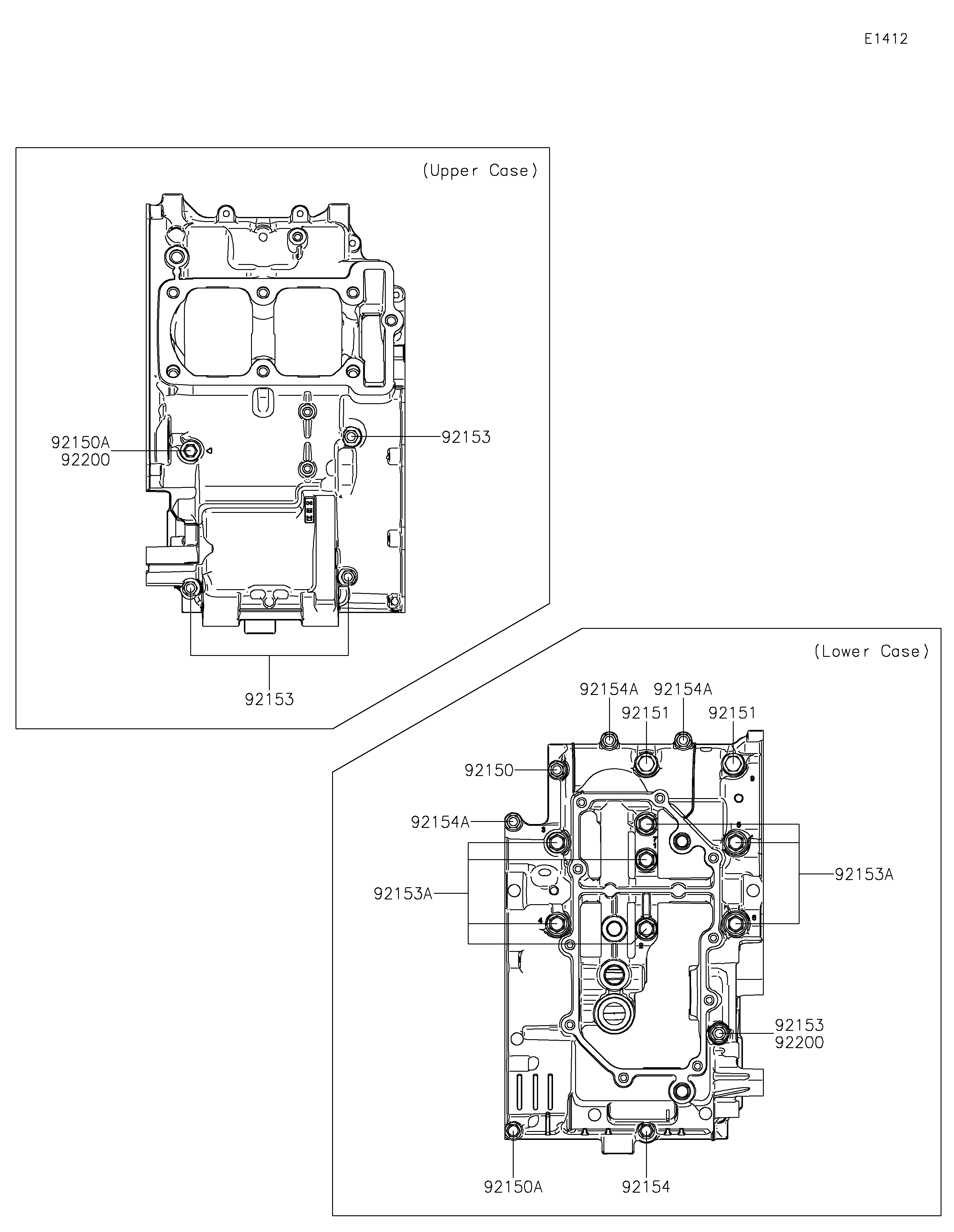
2026 Ninja 300 ABS - Crankcase Bolt Pattern
92150
92150A
92150A
92151
92151
92153
92153
92153
92153A
92153A
92154
92154A
92154A
92154A
92200
92200
| ITEM NAME | REF # | PART NUMBER | QUANTITY | DESTINATION | REMARKS |
|---|---|---|---|---|---|
| BOLT,6X38 | 92150 | 92150-1301 | 1 | ||
| BOLT,6X60 | 92150A | 92150-1548 | 2 | ||
| BOLT,8X73 | 92151 | 92151-1462 | 2 | ||
| BOLT,6X85,WHITE | 92153 | 92153-0927 | 4 | ||
| BOLT,FLANGED,8X90 | 92153A | 92153-1632 | 7 | ||
| BOLT,FLANGED,6X135 | 92154 | 92154-1189 | 1 | ||
| BOLT,6X22 | 92154A | 92154-2832 | 3 | ||
| WASHER,6.3X13.5X1 | 92200 | 92200-0788 | 2 |
| BOLT,6X38 | |
| REF # | 92150 |
|---|---|
| PART NUMBER | |
| QUANTITY | 1 |
| DESTINATION | |
| REMARKS | |
| BOLT,6X60 | |
| REF # | 92150A |
|---|---|
| PART NUMBER | |
| QUANTITY | 2 |
| DESTINATION | |
| REMARKS | |
| BOLT,8X73 | |
| REF # | 92151 |
|---|---|
| PART NUMBER | |
| QUANTITY | 2 |
| DESTINATION | |
| REMARKS | |
| BOLT,6X85,WHITE | |
| REF # | 92153 |
|---|---|
| PART NUMBER | |
| QUANTITY | 4 |
| DESTINATION | |
| REMARKS | |
| BOLT,FLANGED,8X90 | |
| REF # | 92153A |
|---|---|
| PART NUMBER | |
| QUANTITY | 7 |
| DESTINATION | |
| REMARKS | |
| BOLT,FLANGED,6X135 | |
| REF # | 92154 |
|---|---|
| PART NUMBER | |
| QUANTITY | 1 |
| DESTINATION | |
| REMARKS | |
| BOLT,6X22 | |
| REF # | 92154A |
|---|---|
| PART NUMBER | |
| QUANTITY | 3 |
| DESTINATION | |
| REMARKS | |
| WASHER,6.3X13.5X1 | |
| REF # | 92200 |
|---|---|
| PART NUMBER | |
| QUANTITY | 2 |
| DESTINATION | |
| REMARKS | |