Skip to main content

Parts Diagrams

customer service agent speaking with a customer

Welcome, Kawasaki owners. Access the information and tools you need to get the most out of your vehicle.

Welcome, Kawasaki owners. Access the information and tools you need to get the most out of your vehicle.

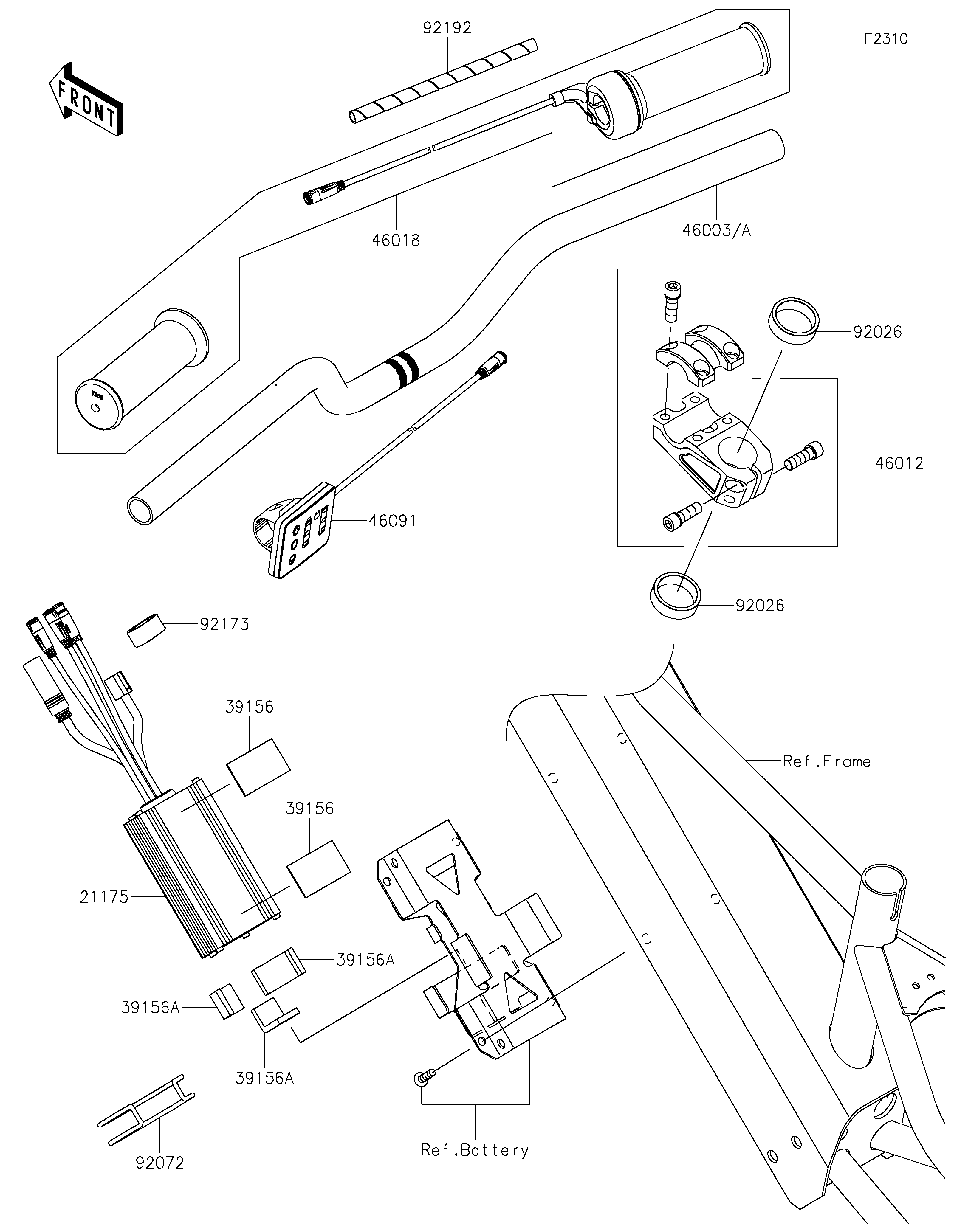
21175
39156
39156
39156A
39156A
39156A
46003
46003A
46012
46018
46091
92026
92026
92072
92173
92192
Part Item Information
ITEM NAME REF # PART NUMBER QUANTITY DESTINATION REMARKS
CONTROL UNIT-ELECTRONIC 21175 21175-2107 1
PAD,45X26X1 39156 39156-2607 2
PAD,40X20X4 39156A 39156-2690 3
HANDLE,BLACK 46003 46003-0845-10 1
HANDLE,F.S.BLACK 46003A 46003-0845-18R 1
HOLDER-HANDLE 46012 46012-0427 1
GRIP-ASSY-THROTTLE 46018 46018-0269 1
HOUSING-ASSY-CONTROL,LH 46091 46091-0658 1
SPACER 92026 92026-0925 2
BAND 92072 92072-0874 1
CLAMP 92173 92173-2199 1
TUBE,SPIRAL,550MM 92192 92192-2823 1