Skip to main content

Parts Diagrams

customer service agent speaking with a customer

Welcome, Kawasaki owners. Access the information and tools you need to get the most out of your vehicle.

Welcome, Kawasaki owners. Access the information and tools you need to get the most out of your vehicle.

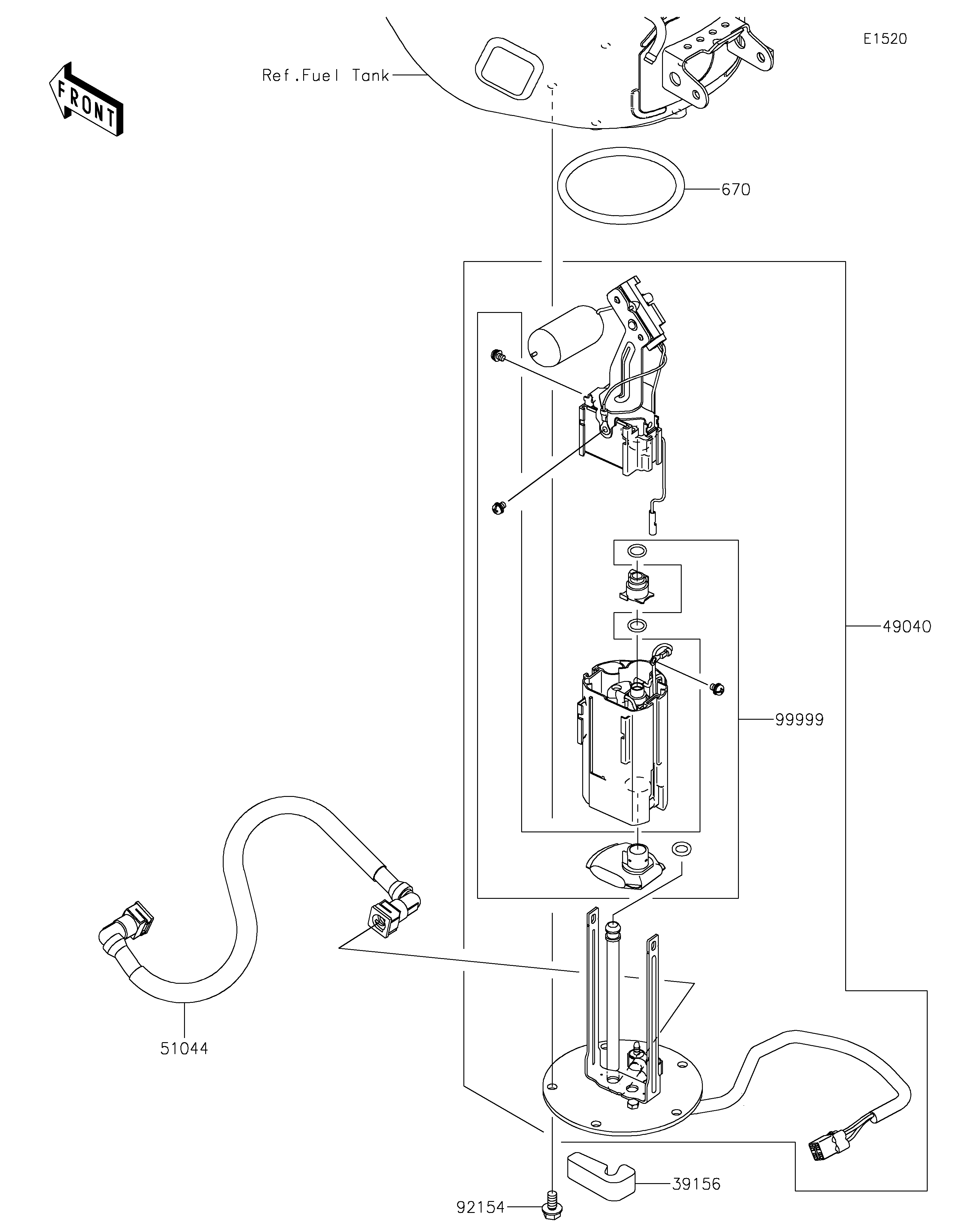
39156
49040
51044
92154
99999
670
Part Item Information
ITEM NAME REF # PART NUMBER QUANTITY DESTINATION REMARKS
PAD,FUEL PUMP 39156 39156-0991 1
PUMP-FUEL 49040 49040-0779 1
TUBE-ASSY,FUEL 51044 51044-0869 1
BOLT,FLANGED,6X12 92154 92154-1848 5
KIT,FUEL FILTER 99999 99999-0521 1
O RING 670 670E5075 1