main content of page
Parts Diagrams
OWNER CENTER |
Welcome, Kawasaki owners. Access the information and tools you need to get the most out of your vehicle.
OWNER CENTER |
Welcome, Kawasaki owners. Access the information and tools you need to get the most out of your vehicle.
Parts Diagrams |
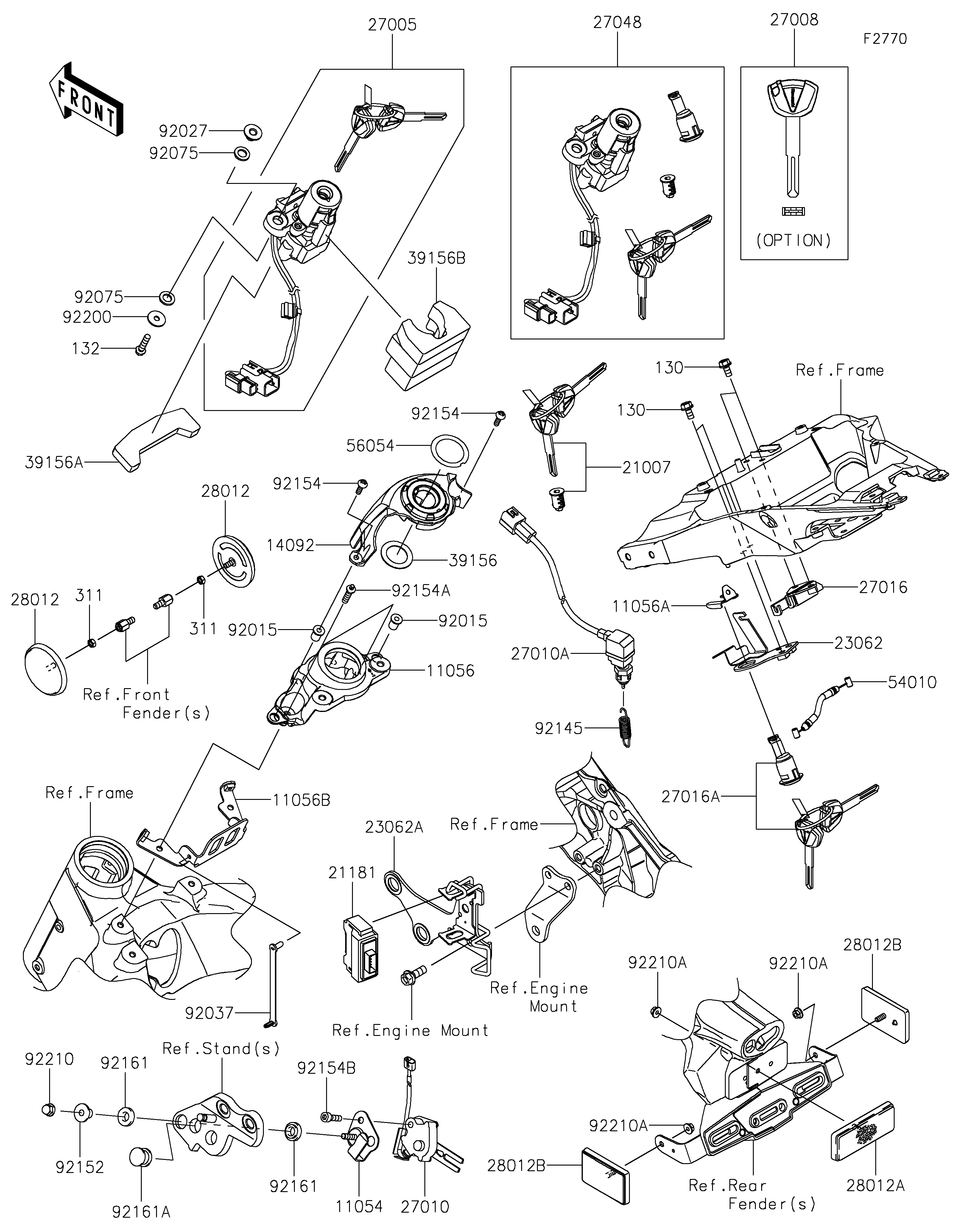
2026 Z1100 SE ABS - Ignition Switch/Locks/Reflectors
11054
11054
11056
11056
11056A
11056A
11056B
11056B
14092
14092
21007
21007
21181
21181
23062
23062
23062A
23062A
27005
27005
27008
27008
27010
27010
27010A
27010A
27016
27016
27016A
27016A
27048
27048
28012
28012
28012
28012
28012A
28012A
28012B
28012B
28012B
28012B
39156
39156
39156A
39156A
39156B
39156B
54010
54010
56054
56054
92015
92015
92015
92015
92027
92027
92037
92037
92075
92075
92075
92075
92145
92145
92152
92152
92154
92154
92154
92154
92154A
92154A
92154B
92154B
92161
92161
92161
92161
92161A
92161A
92200
92200
92210
92210
92210A
92210A
92210A
92210A
92210A
92210A
130
130
130
130
132
132
311
311
311
311
| ITEM NAME | REF # | PART NUMBER | QUANTITY | DESTINATION | REMARKS |
|---|---|---|---|---|---|
| BRACKET,SIDE STAND SWITCH | 11054 | 11054-1904 | 1 | ||
| BRACKET,IGNITION SWITCH | 11056 | 11056-0161 | 1 | ||
| BRACKET | 11056A | 11056-1084 | 1 | ||
| BRACKET,IGNITION SW. | 11056B | 11056-3933 | 1 | ||
| COVER,KEY CYLINDER | 14092 | 14092-1130 | 1 | ||
| ROTOR,LOCK,TANK CAP | 21007 | 21007-5089 | 1 | ||
| AMPLIFIER,IMMOBI | 21181 | 21181-0029 | 1 | ||
| BRACKET-COMP,KEY CYLINDER | 23062 | 23062-1629 | 1 | ||
| BRACKET-COMP,IMB-AMP | 23062A | 23062-1630 | 1 | ||
| SWITCH-ASSY-IGNITION | 27005 | 27005-0763 | 1 | ||
| KEY-LOCK,BLANK | 27008 | 27008-0661 | AR | (OPTION) | |
| SWITCH,SIDE STAND | 27010 | 27010-0112 | 1 | ||
| SWITCH,CRUISE CONTROL CANCEL | 27010A | 27010-0923 | 1 | ||
| LOCK-ASSY,SEAT STRIKER | 27016 | 27016-1115 | 1 | ||
| LOCK-ASSY,SEAT | 27016A | 27016-5440 | 1 | ||
| SWITCH-ASSY | 27048 | 27048-5346 | 1 | ||
| REFLECTOR-REFLEX,FR,SIDE | 28012 | 28012-0001 | 2 | ||
| REFLECTOR-REFLEX | 28012A | 28012-1077 | 1 | ||
| REFLECTOR-REFLEX | 28012B | 28012-1088 | 2 | ||
| PAD | 39156 | 39156-0617 | 1 | ||
| PAD,FRAME | 39156A | 39156-1754 | 1 | ||
| PAD,IG. SWITCH | 39156B | 39156-1755 | 1 | ||
| CABLE,SEAT LOCK | 54010 | 54010-0597 | 1 | ||
| MARK,IGNITION | 56054 | 56054-1108 | 1 | ||
| NUT,WELL,5MM | 92015 | 92015-1757 | 2 | ||
| COLLAR,L=9.6 | 92027 | 92027-1045 | 2 | ||
| CLAMP,SPEED,L=80.5 | 92037 | 92037-1903 | 1 | ||
| DAMPER | 92075 | 92075-1564 | 4 | ||
| SPRING,BRAKE LAMP SWITCH | 92145 | 92145-1902 | 1 | ||
| COLLAR | 92152 | 92152-1074 | 1 | ||
| BOLT,SOCKET,5X16 | 92154 | 92154-0209 | 2 | ||
| BOLT,TORX,6X22 | 92154A | 92154-1858 | 2 | ||
| BOLT,SOCKET,6X22 | 92154B | 92154-1898 | 1 | ||
| DAMPER | 92161 | 92161-0117 | 2 | ||
| DAMPER | 92161A | 92161-0118 | 1 | ||
| WASHER,6X20X1.6 | 92200 | 92200-0212 | 2 | ||
| NUT,CAP,6MM | 92210 | 92210-0003 | 1 | ||
| NUT,FLANGED,5MM | 92210A | 92210-0007 | 3 | ||
| BOLT-FLANGED,6X12 | 130 | 130BA0612 | 4 | ||
| BOLT-FLANGED-SMALL,6X25 | 132 | 132BA0625 | 2 | ||
| NUT-HEX,5MM | 311 | 311AB0500 | 2 |
| BRACKET,SIDE STAND SWITCH | |
| REF # | 11054 |
|---|---|
| PART NUMBER | |
| QUANTITY | 1 |
| DESTINATION | |
| REMARKS | |
| BRACKET,IGNITION SWITCH | |
| REF # | 11056 |
|---|---|
| PART NUMBER | |
| QUANTITY | 1 |
| DESTINATION | |
| REMARKS | |
| BRACKET | |
| REF # | 11056A |
|---|---|
| PART NUMBER | |
| QUANTITY | 1 |
| DESTINATION | |
| REMARKS | |
| BRACKET,IGNITION SW. | |
| REF # | 11056B |
|---|---|
| PART NUMBER | |
| QUANTITY | 1 |
| DESTINATION | |
| REMARKS | |
| COVER,KEY CYLINDER | |
| REF # | 14092 |
|---|---|
| PART NUMBER | |
| QUANTITY | 1 |
| DESTINATION | |
| REMARKS | |
| ROTOR,LOCK,TANK CAP | |
| REF # | 21007 |
|---|---|
| PART NUMBER | |
| QUANTITY | 1 |
| DESTINATION | |
| REMARKS | |
| AMPLIFIER,IMMOBI | |
| REF # | 21181 |
|---|---|
| PART NUMBER | |
| QUANTITY | 1 |
| DESTINATION | |
| REMARKS | |
| BRACKET-COMP,KEY CYLINDER | |
| REF # | 23062 |
|---|---|
| PART NUMBER | |
| QUANTITY | 1 |
| DESTINATION | |
| REMARKS | |
| BRACKET-COMP,IMB-AMP | |
| REF # | 23062A |
|---|---|
| PART NUMBER | |
| QUANTITY | 1 |
| DESTINATION | |
| REMARKS | |
| SWITCH-ASSY-IGNITION | |
| REF # | 27005 |
|---|---|
| PART NUMBER | |
| QUANTITY | 1 |
| DESTINATION | |
| REMARKS | |
| KEY-LOCK,BLANK | |
| REF # | 27008 |
|---|---|
| PART NUMBER | |
| QUANTITY | AR |
| DESTINATION | |
| REMARKS | (OPTION) |
| SWITCH,SIDE STAND | |
| REF # | 27010 |
|---|---|
| PART NUMBER | |
| QUANTITY | 1 |
| DESTINATION | |
| REMARKS | |
| SWITCH,CRUISE CONTROL CANCEL | |
| REF # | 27010A |
|---|---|
| PART NUMBER | |
| QUANTITY | 1 |
| DESTINATION | |
| REMARKS | |
| LOCK-ASSY,SEAT STRIKER | |
| REF # | 27016 |
|---|---|
| PART NUMBER | |
| QUANTITY | 1 |
| DESTINATION | |
| REMARKS | |
| LOCK-ASSY,SEAT | |
| REF # | 27016A |
|---|---|
| PART NUMBER | |
| QUANTITY | 1 |
| DESTINATION | |
| REMARKS | |
| SWITCH-ASSY | |
| REF # | 27048 |
|---|---|
| PART NUMBER | |
| QUANTITY | 1 |
| DESTINATION | |
| REMARKS | |
| REFLECTOR-REFLEX,FR,SIDE | |
| REF # | 28012 |
|---|---|
| PART NUMBER | |
| QUANTITY | 2 |
| DESTINATION | |
| REMARKS | |
| REFLECTOR-REFLEX | |
| REF # | 28012A |
|---|---|
| PART NUMBER | |
| QUANTITY | 1 |
| DESTINATION | |
| REMARKS | |
| REFLECTOR-REFLEX | |
| REF # | 28012B |
|---|---|
| PART NUMBER | |
| QUANTITY | 2 |
| DESTINATION | |
| REMARKS | |
| PAD | |
| REF # | 39156 |
|---|---|
| PART NUMBER | |
| QUANTITY | 1 |
| DESTINATION | |
| REMARKS | |
| PAD,FRAME | |
| REF # | 39156A |
|---|---|
| PART NUMBER | |
| QUANTITY | 1 |
| DESTINATION | |
| REMARKS | |
| PAD,IG. SWITCH | |
| REF # | 39156B |
|---|---|
| PART NUMBER | |
| QUANTITY | 1 |
| DESTINATION | |
| REMARKS | |
| CABLE,SEAT LOCK | |
| REF # | 54010 |
|---|---|
| PART NUMBER | |
| QUANTITY | 1 |
| DESTINATION | |
| REMARKS | |
| MARK,IGNITION | |
| REF # | 56054 |
|---|---|
| PART NUMBER | |
| QUANTITY | 1 |
| DESTINATION | |
| REMARKS | |
| NUT,WELL,5MM | |
| REF # | 92015 |
|---|---|
| PART NUMBER | |
| QUANTITY | 2 |
| DESTINATION | |
| REMARKS | |
| COLLAR,L=9.6 | |
| REF # | 92027 |
|---|---|
| PART NUMBER | |
| QUANTITY | 2 |
| DESTINATION | |
| REMARKS | |
| CLAMP,SPEED,L=80.5 | |
| REF # | 92037 |
|---|---|
| PART NUMBER | |
| QUANTITY | 1 |
| DESTINATION | |
| REMARKS | |
| DAMPER | |
| REF # | 92075 |
|---|---|
| PART NUMBER | |
| QUANTITY | 4 |
| DESTINATION | |
| REMARKS | |
| SPRING,BRAKE LAMP SWITCH | |
| REF # | 92145 |
|---|---|
| PART NUMBER | |
| QUANTITY | 1 |
| DESTINATION | |
| REMARKS | |
| COLLAR | |
| REF # | 92152 |
|---|---|
| PART NUMBER | |
| QUANTITY | 1 |
| DESTINATION | |
| REMARKS | |
| BOLT,SOCKET,5X16 | |
| REF # | 92154 |
|---|---|
| PART NUMBER | |
| QUANTITY | 2 |
| DESTINATION | |
| REMARKS | |
| BOLT,TORX,6X22 | |
| REF # | 92154A |
|---|---|
| PART NUMBER | |
| QUANTITY | 2 |
| DESTINATION | |
| REMARKS | |
| BOLT,SOCKET,6X22 | |
| REF # | 92154B |
|---|---|
| PART NUMBER | |
| QUANTITY | 1 |
| DESTINATION | |
| REMARKS | |
| DAMPER | |
| REF # | 92161 |
|---|---|
| PART NUMBER | |
| QUANTITY | 2 |
| DESTINATION | |
| REMARKS | |
| DAMPER | |
| REF # | 92161A |
|---|---|
| PART NUMBER | |
| QUANTITY | 1 |
| DESTINATION | |
| REMARKS | |
| WASHER,6X20X1.6 | |
| REF # | 92200 |
|---|---|
| PART NUMBER | |
| QUANTITY | 2 |
| DESTINATION | |
| REMARKS | |
| NUT,CAP,6MM | |
| REF # | 92210 |
|---|---|
| PART NUMBER | |
| QUANTITY | 1 |
| DESTINATION | |
| REMARKS | |
| NUT,FLANGED,5MM | |
| REF # | 92210A |
|---|---|
| PART NUMBER | |
| QUANTITY | 3 |
| DESTINATION | |
| REMARKS | |
| BOLT-FLANGED,6X12 | |
| REF # | 130 |
|---|---|
| PART NUMBER | |
| QUANTITY | 4 |
| DESTINATION | |
| REMARKS | |
| BOLT-FLANGED-SMALL,6X25 | |
| REF # | 132 |
|---|---|
| PART NUMBER | |
| QUANTITY | 2 |
| DESTINATION | |
| REMARKS | |
| NUT-HEX,5MM | |
| REF # | 311 |
|---|---|
| PART NUMBER | |
| QUANTITY | 2 |
| DESTINATION | |
| REMARKS | |