main content of page
Parts Diagrams
OWNER CENTER |
Welcome, Kawasaki owners. Access the information and tools you need to get the most out of your vehicle.
OWNER CENTER |
Welcome, Kawasaki owners. Access the information and tools you need to get the most out of your vehicle.
Parts Diagrams |
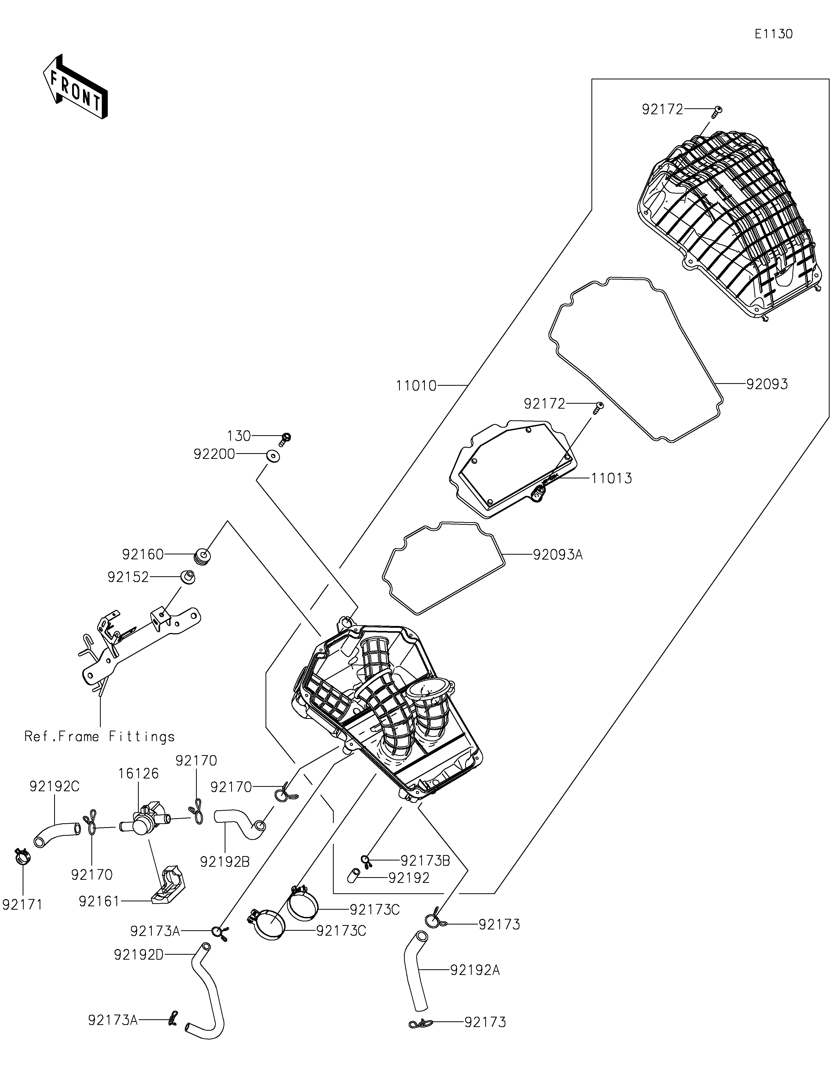
11010
11013
16126
92093
92093A
92152
92160
92161
92170
92170
92170
92171
92172
92172
92173
92173
92173A
92173A
92173B
92173C
92173C
92192
92192A
92192B
92192C
92192D
92200
130
| ITEM NAME | REF # | PART NUMBER | QUANTITY | DESTINATION | REMARKS |
|---|---|---|---|---|---|
| FILTER-ASSY-AIR | 11010 | 11010-1858 | 1 | ||
| ELEMENT-AIR FILTER | 11013 | 11013-0767 | 1 | ||
| VALVE,AIR CUT | 16126 | 16126-0744 | 1 | ||
| SEAL,CASE | 92093 | 92093-0706 | 1 | ||
| SEAL,ELEMENT | 92093A | 92093-0707 | 1 | ||
| COLLAR,6.5X10.5X13.1 | 92152 | 92152-0547 | 1 | ||
| DAMPER | 92160 | 92160-1162 | 1 | ||
| DAMPER | 92161 | 92161-1933 | 1 | ||
| CLAMP | 92170 | 92170-1017 | 3 | ||
| CLAMP,18.8MM | 92171 | 92171-2056 | 1 | ||
| SCREW,5X25 | 92172 | 92172-0891 | 9 | ||
| CLAMP,20MM | 92173 | 92173-0190 | 2 | ||
| CLAMP,14MM | 92173A | 92173-0192 | 2 | ||
| CLAMP | 92173B | 92173-1714 | 1 | ||
| CLAMP | 92173C | 92173-2714 | 2 | ||
| TUBE,DRAIN CLEAN | 92192 | 92192-1744 | 1 | ||
| TUBE,BREATHER | 92192A | 92192-1810 | 1 | ||
| TUBE,AIR CUT VALVE-AIR CLEANER | 92192B | 92192-1811 | 1 | ||
| TUBE,AIR CUT VALVE-HEAD CAP | 92192C | 92192-1812 | 1 | ||
| TUBE,ISC-AIR CLEANER | 92192D | 92192-1813 | 1 | ||
| WASHER,6.5X22X1.6 | 92200 | 92200-1087 | 1 | ||
| BOLT-FLANGED,6X25 | 130 | 130BB0625 | 1 |
| FILTER-ASSY-AIR | |
| REF # | 11010 |
|---|---|
| PART NUMBER | |
| QUANTITY | 1 |
| DESTINATION | |
| REMARKS | |
| ELEMENT-AIR FILTER | |
| REF # | 11013 |
|---|---|
| PART NUMBER | |
| QUANTITY | 1 |
| DESTINATION | |
| REMARKS | |
| VALVE,AIR CUT | |
| REF # | 16126 |
|---|---|
| PART NUMBER | |
| QUANTITY | 1 |
| DESTINATION | |
| REMARKS | |
| SEAL,CASE | |
| REF # | 92093 |
|---|---|
| PART NUMBER | |
| QUANTITY | 1 |
| DESTINATION | |
| REMARKS | |
| SEAL,ELEMENT | |
| REF # | 92093A |
|---|---|
| PART NUMBER | |
| QUANTITY | 1 |
| DESTINATION | |
| REMARKS | |
| COLLAR,6.5X10.5X13.1 | |
| REF # | 92152 |
|---|---|
| PART NUMBER | |
| QUANTITY | 1 |
| DESTINATION | |
| REMARKS | |
| DAMPER | |
| REF # | 92160 |
|---|---|
| PART NUMBER | |
| QUANTITY | 1 |
| DESTINATION | |
| REMARKS | |
| DAMPER | |
| REF # | 92161 |
|---|---|
| PART NUMBER | |
| QUANTITY | 1 |
| DESTINATION | |
| REMARKS | |
| CLAMP | |
| REF # | 92170 |
|---|---|
| PART NUMBER | |
| QUANTITY | 3 |
| DESTINATION | |
| REMARKS | |
| CLAMP,18.8MM | |
| REF # | 92171 |
|---|---|
| PART NUMBER | |
| QUANTITY | 1 |
| DESTINATION | |
| REMARKS | |
| SCREW,5X25 | |
| REF # | 92172 |
|---|---|
| PART NUMBER | |
| QUANTITY | 9 |
| DESTINATION | |
| REMARKS | |
| CLAMP,20MM | |
| REF # | 92173 |
|---|---|
| PART NUMBER | |
| QUANTITY | 2 |
| DESTINATION | |
| REMARKS | |
| CLAMP,14MM | |
| REF # | 92173A |
|---|---|
| PART NUMBER | |
| QUANTITY | 2 |
| DESTINATION | |
| REMARKS | |
| CLAMP | |
| REF # | 92173B |
|---|---|
| PART NUMBER | |
| QUANTITY | 1 |
| DESTINATION | |
| REMARKS | |
| CLAMP | |
| REF # | 92173C |
|---|---|
| PART NUMBER | |
| QUANTITY | 2 |
| DESTINATION | |
| REMARKS | |
| TUBE,DRAIN CLEAN | |
| REF # | 92192 |
|---|---|
| PART NUMBER | |
| QUANTITY | 1 |
| DESTINATION | |
| REMARKS | |
| TUBE,BREATHER | |
| REF # | 92192A |
|---|---|
| PART NUMBER | |
| QUANTITY | 1 |
| DESTINATION | |
| REMARKS | |
| TUBE,AIR CUT VALVE-AIR CLEANER | |
| REF # | 92192B |
|---|---|
| PART NUMBER | |
| QUANTITY | 1 |
| DESTINATION | |
| REMARKS | |
| TUBE,AIR CUT VALVE-HEAD CAP | |
| REF # | 92192C |
|---|---|
| PART NUMBER | |
| QUANTITY | 1 |
| DESTINATION | |
| REMARKS | |
| TUBE,ISC-AIR CLEANER | |
| REF # | 92192D |
|---|---|
| PART NUMBER | |
| QUANTITY | 1 |
| DESTINATION | |
| REMARKS | |
| WASHER,6.5X22X1.6 | |
| REF # | 92200 |
|---|---|
| PART NUMBER | |
| QUANTITY | 1 |
| DESTINATION | |
| REMARKS | |
| BOLT-FLANGED,6X25 | |
| REF # | 130 |
|---|---|
| PART NUMBER | |
| QUANTITY | 1 |
| DESTINATION | |
| REMARKS | |