main content of page
Parts Diagrams
OWNER CENTER |
Welcome, Kawasaki owners. Access the information and tools you need to get the most out of your vehicle.
OWNER CENTER |
Welcome, Kawasaki owners. Access the information and tools you need to get the most out of your vehicle.
Parts Diagrams |
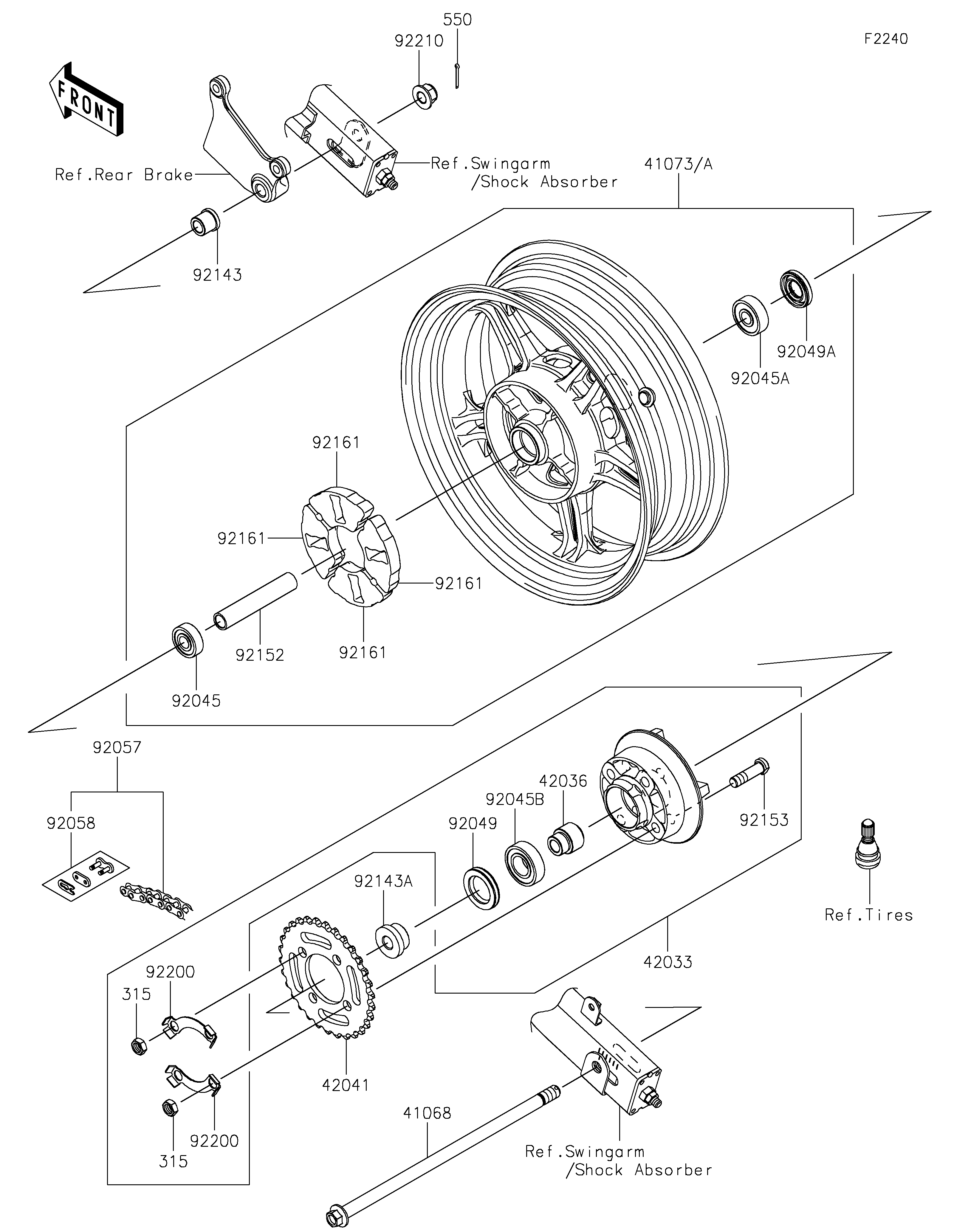
41068
41073
41073A
42033
42036
42041
92045
92045A
92045B
92049
92049A
92057
92058
92143
92143A
92152
92153
92161
92161
92161
92161
92200
92200
92210
315
315
550
| ITEM NAME | REF # | PART NUMBER | QUANTITY | DESTINATION | REMARKS |
|---|---|---|---|---|---|
| AXLE,12X290 | 41068 | 41068-0610 | 1 | ||
| WHEEL-ASSY,RR,C.P.BLUE | 41073 | 41073-0673-60J | 1 | ||
| WHEEL-ASSY,RR,N.F.M.RED | 41073A | 41073-0673-63D | 1 | ||
| COUPLING-ASSY,RR HUB | 42033 | 42033-0575 | 1 | ||
| SLEEVE,RR HUB COUPLING,L=29 | 42036 | 42036-1292 | 1 | ||
| SPROCKET-HUB,30T | 42041 | 42041-0154 | 1 | ||
| BEARING-BALL,6201-LLHC3P6 | 92045 | 92045-0161 | 1 | ||
| BEARING-BALL,6301-LLHC3P6 | 92045A | 92045-0162 | 1 | ||
| BEARING-BALL,6004-LUC3P6 | 92045B | 92045-0163 | 1 | ||
| SEAL-OIL,SC26X42X8 | 92049 | 92049-1490 | 1 | ||
| SEAL-OIL,KCY19X37X7 | 92049A | 92049-1491 | 1 | ||
| CHAIN,DRIVE,DID420AD | 92057 | 92057-0738 | 1 | ||
| JOINT-CHAIN | 92058 | 92058-0050 | 1 | ||
| COLLAR,RR AXLE,L=19 | 92143 | 92143-1420 | 1 | ||
| COLLAR,RR AXLE,LH,L=17 | 92143A | 92143-1533 | 1 | ||
| COLLAR,12.7X17.3X94.5 | 92152 | 92152-2140 | 1 | ||
| BOLT,10X36 | 92153 | 92153-1120 | 4 | ||
| DAMPER,RR HUB SHOCK | 92161 | 92161-0084 | 4 | ||
| WASHER,LOCK | 92200 | 92200-0903 | 2 | ||
| NUT,LOCK,FLANGED,12MM | 92210 | 92210-1513 | 1 | ||
| NUT-HEX-FINE,10MM | 315 | 315BA1000 | 4 | ||
| PIN-COTTER,2.5X20 | 550 | 550AA2520 | 1 |
| AXLE,12X290 | |
| REF # | 41068 |
|---|---|
| PART NUMBER | |
| QUANTITY | 1 |
| DESTINATION | |
| REMARKS | |
| WHEEL-ASSY,RR,C.P.BLUE | |
| REF # | 41073 |
|---|---|
| PART NUMBER | |
| QUANTITY | 1 |
| DESTINATION | |
| REMARKS | |
| WHEEL-ASSY,RR,N.F.M.RED | |
| REF # | 41073A |
|---|---|
| PART NUMBER | |
| QUANTITY | 1 |
| DESTINATION | |
| REMARKS | |
| COUPLING-ASSY,RR HUB | |
| REF # | 42033 |
|---|---|
| PART NUMBER | |
| QUANTITY | 1 |
| DESTINATION | |
| REMARKS | |
| SLEEVE,RR HUB COUPLING,L=29 | |
| REF # | 42036 |
|---|---|
| PART NUMBER | |
| QUANTITY | 1 |
| DESTINATION | |
| REMARKS | |
| SPROCKET-HUB,30T | |
| REF # | 42041 |
|---|---|
| PART NUMBER | |
| QUANTITY | 1 |
| DESTINATION | |
| REMARKS | |
| BEARING-BALL,6201-LLHC3P6 | |
| REF # | 92045 |
|---|---|
| PART NUMBER | |
| QUANTITY | 1 |
| DESTINATION | |
| REMARKS | |
| BEARING-BALL,6301-LLHC3P6 | |
| REF # | 92045A |
|---|---|
| PART NUMBER | |
| QUANTITY | 1 |
| DESTINATION | |
| REMARKS | |
| BEARING-BALL,6004-LUC3P6 | |
| REF # | 92045B |
|---|---|
| PART NUMBER | |
| QUANTITY | 1 |
| DESTINATION | |
| REMARKS | |
| SEAL-OIL,SC26X42X8 | |
| REF # | 92049 |
|---|---|
| PART NUMBER | |
| QUANTITY | 1 |
| DESTINATION | |
| REMARKS | |
| SEAL-OIL,KCY19X37X7 | |
| REF # | 92049A |
|---|---|
| PART NUMBER | |
| QUANTITY | 1 |
| DESTINATION | |
| REMARKS | |
| CHAIN,DRIVE,DID420AD | |
| REF # | 92057 |
|---|---|
| PART NUMBER | |
| QUANTITY | 1 |
| DESTINATION | |
| REMARKS | |
| JOINT-CHAIN | |
| REF # | 92058 |
|---|---|
| PART NUMBER | |
| QUANTITY | 1 |
| DESTINATION | |
| REMARKS | |
| COLLAR,RR AXLE,L=19 | |
| REF # | 92143 |
|---|---|
| PART NUMBER | |
| QUANTITY | 1 |
| DESTINATION | |
| REMARKS | |
| COLLAR,RR AXLE,LH,L=17 | |
| REF # | 92143A |
|---|---|
| PART NUMBER | |
| QUANTITY | 1 |
| DESTINATION | |
| REMARKS | |
| COLLAR,12.7X17.3X94.5 | |
| REF # | 92152 |
|---|---|
| PART NUMBER | |
| QUANTITY | 1 |
| DESTINATION | |
| REMARKS | |
| BOLT,10X36 | |
| REF # | 92153 |
|---|---|
| PART NUMBER | |
| QUANTITY | 4 |
| DESTINATION | |
| REMARKS | |
| DAMPER,RR HUB SHOCK | |
| REF # | 92161 |
|---|---|
| PART NUMBER | |
| QUANTITY | 4 |
| DESTINATION | |
| REMARKS | |
| WASHER,LOCK | |
| REF # | 92200 |
|---|---|
| PART NUMBER | |
| QUANTITY | 2 |
| DESTINATION | |
| REMARKS | |
| NUT,LOCK,FLANGED,12MM | |
| REF # | 92210 |
|---|---|
| PART NUMBER | |
| QUANTITY | 1 |
| DESTINATION | |
| REMARKS | |
| NUT-HEX-FINE,10MM | |
| REF # | 315 |
|---|---|
| PART NUMBER | |
| QUANTITY | 4 |
| DESTINATION | |
| REMARKS | |
| PIN-COTTER,2.5X20 | |
| REF # | 550 |
|---|---|
| PART NUMBER | |
| QUANTITY | 1 |
| DESTINATION | |
| REMARKS | |