main content of page
Parts Diagrams
OWNER CENTER |
Welcome, Kawasaki owners. Access the information and tools you need to get the most out of your vehicle.
OWNER CENTER |
Welcome, Kawasaki owners. Access the information and tools you need to get the most out of your vehicle.
Parts Diagrams |
11056
11056A
35004
35004A
35004B
35019
35023
35034
92009
92039
92150
92150
92154
92154
92161
92161
92161
92161A
92161B
92161B
92161B
92161C
92172
92172
92172
92172
92173
92200
92200A
92200A
92200A
92200A
130
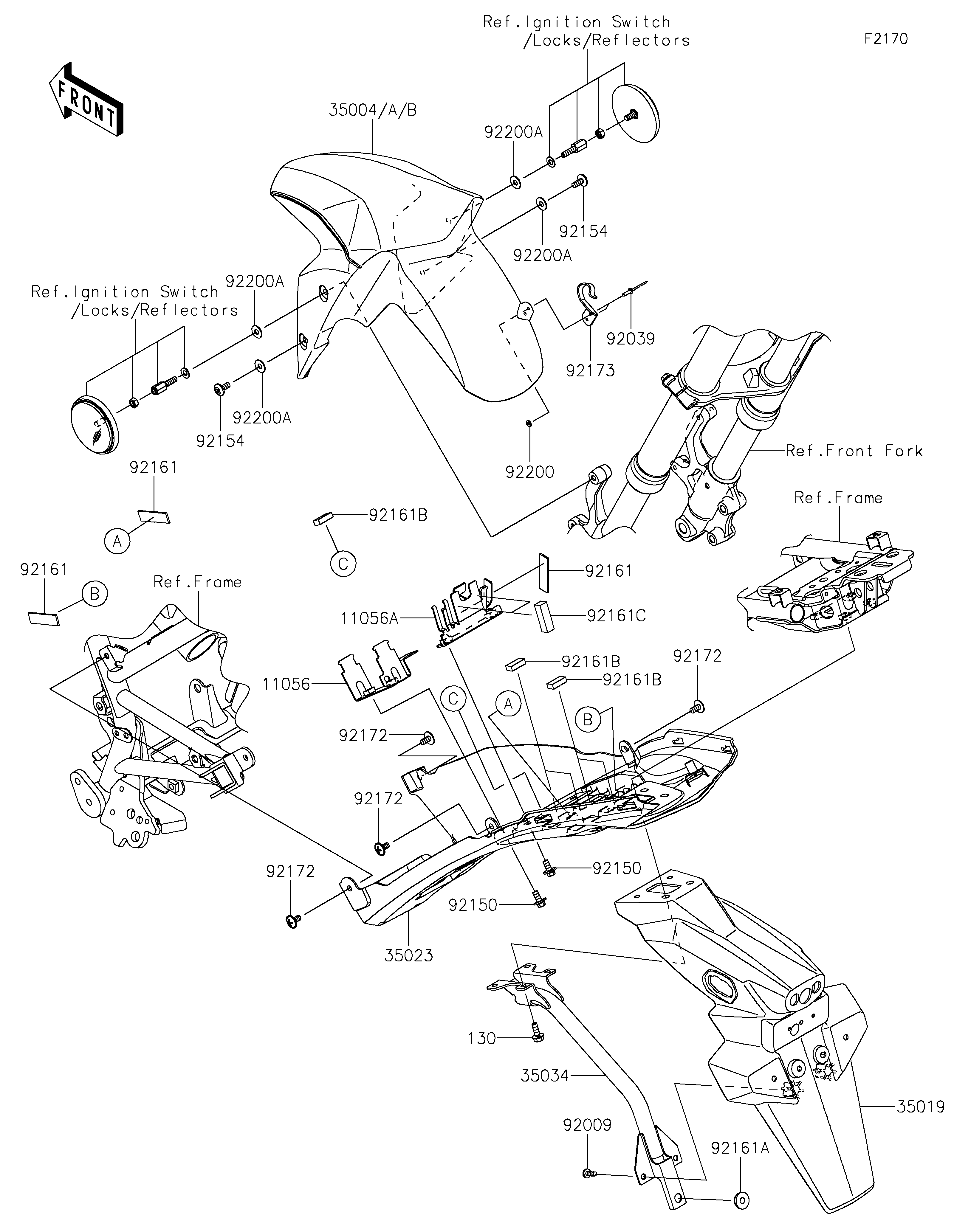
| ITEM NAME | REF # | PART NUMBER | QUANTITY | DESTINATION | REMARKS |
|---|---|---|---|---|---|
| BRACKET | 11056 | 11056-7604 | 1 | ||
| BRACKET | 11056A | 11056-7605 | 1 | ||
| FENDER-FRONT,M.F.R.GRAYSTONE | 35004 | 35004-0352-35B | 1 | ||
| FENDER-FRONT,P.R.WHITE | 35004A | 35004-0352-68N | 1 | ||
| FENDER-FRONT,M.Y.GREEN | 35004B | 35004-0352-79K | 1 | ||
| FLAP | 35019 | 35019-0605 | 1 | ||
| FENDER-REAR | 35023 | 35023-0410 | 1 | ||
| REINFORCE | 35034 | 35034-0597 | 1 | ||
| SCREW,6X14 | 92009 | 92009-3845 | 2 | ||
| RIVET | 92039 | 92039-1231 | 2 | ||
| BOLT,6X14 | 92150 | 92150-1340 | 4 | ||
| BOLT,SOCKET,6X14 | 92154 | 92154-2161 | 2 | ||
| DAMPER | 92161 | 92161-1359 | 3 | ||
| DAMPER | 92161A | 92161-1810 | 1 | ||
| DAMPER | 92161B | 92161-1842 | 5 | ||
| DAMPER,10X35X11 | 92161C | 92161-1924 | 2 | ||
| SCREW,6X12 | 92172 | 92172-0394 | 4 | ||
| CLAMP | 92173 | 92173-1485 | 1 | ||
| WASHER,3.5X8X1 | 92200 | 92200-1251 | 2 | ||
| WASHER,6.5X16X1 | 92200A | 92200-1784 | 4 | ||
| BOLT-FLANGED,6X16 | 130 | 130BA0616 | 4 |
| BRACKET | |
| REF # | 11056 |
|---|---|
| PART NUMBER | |
| QUANTITY | 1 |
| DESTINATION | |
| REMARKS | |
| BRACKET | |
| REF # | 11056A |
|---|---|
| PART NUMBER | |
| QUANTITY | 1 |
| DESTINATION | |
| REMARKS | |
| FENDER-FRONT,M.F.R.GRAYSTONE | |
| REF # | 35004 |
|---|---|
| PART NUMBER | |
| QUANTITY | 1 |
| DESTINATION | |
| REMARKS | |
| FENDER-FRONT,P.R.WHITE | |
| REF # | 35004A |
|---|---|
| PART NUMBER | |
| QUANTITY | 1 |
| DESTINATION | |
| REMARKS | |
| FENDER-FRONT,M.Y.GREEN | |
| REF # | 35004B |
|---|---|
| PART NUMBER | |
| QUANTITY | 1 |
| DESTINATION | |
| REMARKS | |
| FLAP | |
| REF # | 35019 |
|---|---|
| PART NUMBER | |
| QUANTITY | 1 |
| DESTINATION | |
| REMARKS | |
| FENDER-REAR | |
| REF # | 35023 |
|---|---|
| PART NUMBER | |
| QUANTITY | 1 |
| DESTINATION | |
| REMARKS | |
| REINFORCE | |
| REF # | 35034 |
|---|---|
| PART NUMBER | |
| QUANTITY | 1 |
| DESTINATION | |
| REMARKS | |
| SCREW,6X14 | |
| REF # | 92009 |
|---|---|
| PART NUMBER | |
| QUANTITY | 2 |
| DESTINATION | |
| REMARKS | |
| RIVET | |
| REF # | 92039 |
|---|---|
| PART NUMBER | |
| QUANTITY | 2 |
| DESTINATION | |
| REMARKS | |
| BOLT,6X14 | |
| REF # | 92150 |
|---|---|
| PART NUMBER | |
| QUANTITY | 4 |
| DESTINATION | |
| REMARKS | |
| BOLT,SOCKET,6X14 | |
| REF # | 92154 |
|---|---|
| PART NUMBER | |
| QUANTITY | 2 |
| DESTINATION | |
| REMARKS | |
| DAMPER | |
| REF # | 92161 |
|---|---|
| PART NUMBER | |
| QUANTITY | 3 |
| DESTINATION | |
| REMARKS | |
| DAMPER | |
| REF # | 92161A |
|---|---|
| PART NUMBER | |
| QUANTITY | 1 |
| DESTINATION | |
| REMARKS | |
| DAMPER | |
| REF # | 92161B |
|---|---|
| PART NUMBER | |
| QUANTITY | 5 |
| DESTINATION | |
| REMARKS | |
| DAMPER,10X35X11 | |
| REF # | 92161C |
|---|---|
| PART NUMBER | |
| QUANTITY | 2 |
| DESTINATION | |
| REMARKS | |
| SCREW,6X12 | |
| REF # | 92172 |
|---|---|
| PART NUMBER | |
| QUANTITY | 4 |
| DESTINATION | |
| REMARKS | |
| CLAMP | |
| REF # | 92173 |
|---|---|
| PART NUMBER | |
| QUANTITY | 1 |
| DESTINATION | |
| REMARKS | |
| WASHER,3.5X8X1 | |
| REF # | 92200 |
|---|---|
| PART NUMBER | |
| QUANTITY | 2 |
| DESTINATION | |
| REMARKS | |
| WASHER,6.5X16X1 | |
| REF # | 92200A |
|---|---|
| PART NUMBER | |
| QUANTITY | 4 |
| DESTINATION | |
| REMARKS | |
| BOLT-FLANGED,6X16 | |
| REF # | 130 |
|---|---|
| PART NUMBER | |
| QUANTITY | 4 |
| DESTINATION | |
| REMARKS | |