Skip to main content

Parts Diagrams

customer service agent speaking with a customer

Welcome, Kawasaki owners. Access the information and tools you need to get the most out of your vehicle.

Welcome, Kawasaki owners. Access the information and tools you need to get the most out of your vehicle.

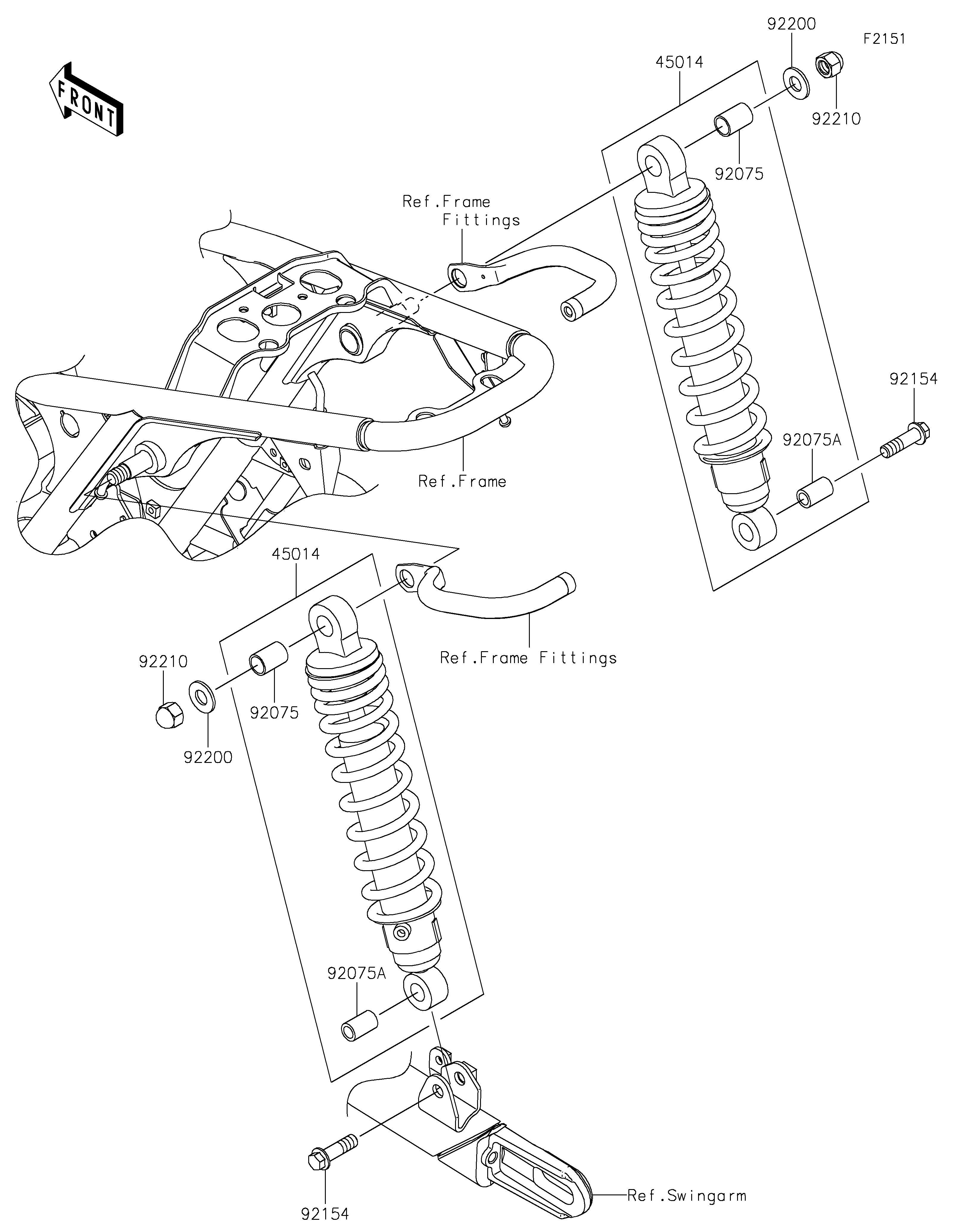
45014
45014
92075
92075
92075A
92075A
92154
92154
92200
92200
92210
92210
Part Item Information
ITEM NAME REF # PART NUMBER QUANTITY DESTINATION REMARKS
SHOCKABSORBER,F.BLACK 45014 45014-0620-21 2
DAMPER,SHOCKABSORBER 92075 92075-1141 2
DAMPER,SHOCKABSORBER 92075A 92075-1586 2
BOLT,FLANGED,10X35 92154 92154-3890 2
WASHER,12MM 92200 92200-1312 2
NUT,CAP,12MM 92210 92210-1174 2