main content of page
Parts Diagrams
OWNER CENTER |
Welcome, Kawasaki owners. Access the information and tools you need to get the most out of your vehicle.
OWNER CENTER |
Welcome, Kawasaki owners. Access the information and tools you need to get the most out of your vehicle.
Parts Diagrams |
11056
11056
11056A
11056A
11056B
11056B
11057
11057
11057A
11057A
11057B
11057B
11057C
11057C
11057D
11057D
14091
14091
14092
14092
31009
31009
32099
32099
32109
32109
32109A
32109A
39156
39156
39156A
39156A
39156B
39156B
39156C
39156C
39156D
39156D
39188
39188
53044
53044
53044
53044
53044A
53044A
55020
55020
92015
92015
92072
92072
92075
92075
92075A
92075A
92075A
92075A
92153
92153
92153
92153
92154
92154
92154A
92154A
92161
92161
92161A
92161A
92161B
92161B
92161B
92161B
92161C
92161C
92192
92192
92200
92200
92200
92200
92210
92210
92210
92210
130
130
130A
130A
130B
130B
130B
130B
130C
130C
130C
130C
130D
130D
220
220
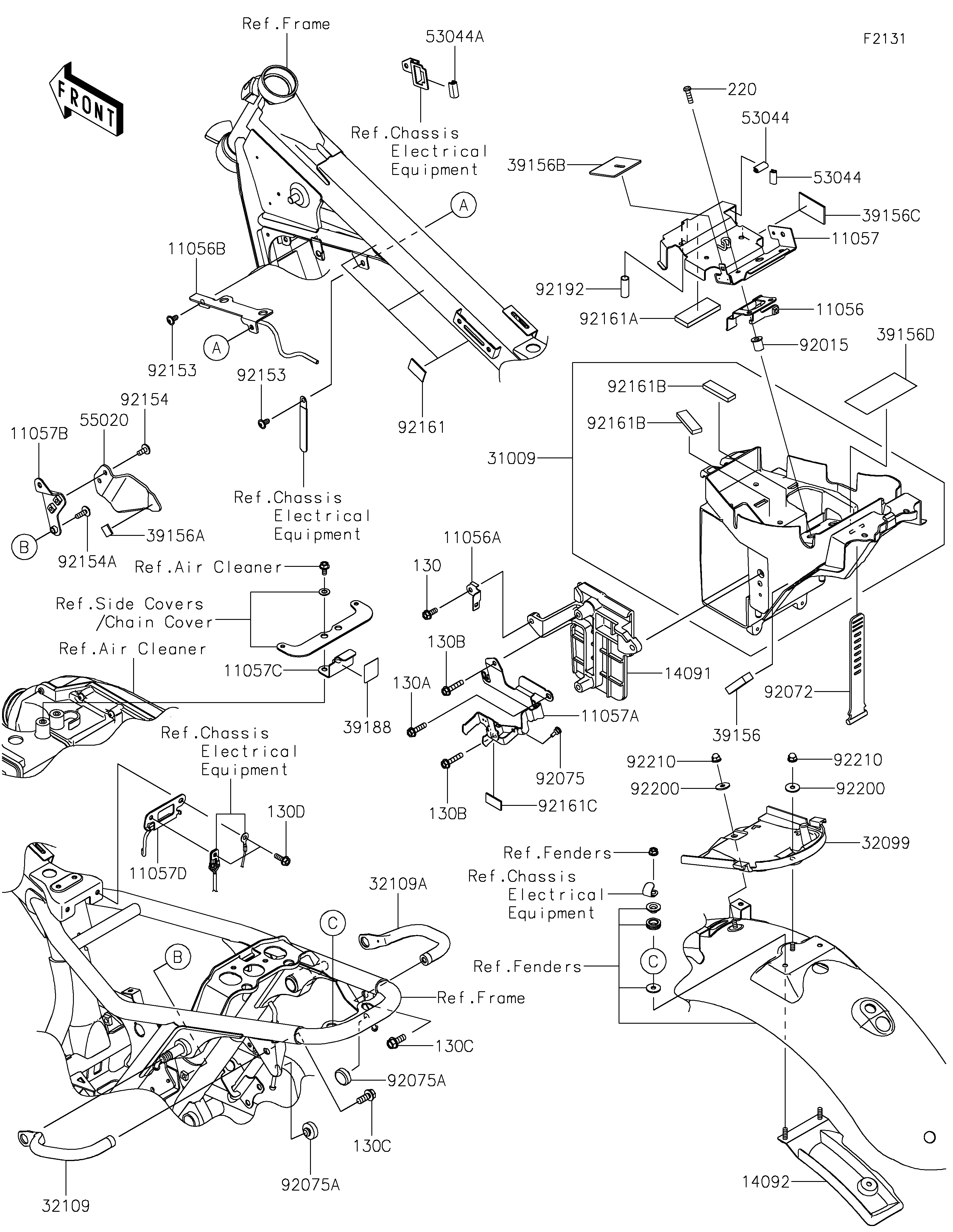
| ITEM NAME | REF # | PART NUMBER | QUANTITY | DESTINATION | REMARKS |
|---|---|---|---|---|---|
| BRACKET,VEHICLE DOWN SENSOR | 11056 | 11056-0557 | 1 | ||
| BRACKET | 11056A | 11056-1274 | 1 | ||
| BRACKET,IGNITION COIL | 11056B | 11056-1550 | 1 | ||
| BRACKET,ECU | 11057 | 11057-1859 | 1 | ||
| BRACKET,JUNCTION BOX | 11057A | 11057-1863 | 1 | ||
| BRACKET,BRAKE SWITCH | 11057B | 11057-2854 | 1 | ||
| BRACKET,TANK,RR | 11057C | 11057-2995 | 1 | ||
| BRACKET,TANK,RR | 11057D | 11057-2996 | 1 | ||
| COVER,BATTERY | 14091 | 14091-0297 | 1 | ||
| COVER,RR,HARNESS | 14092 | 14092-0244 | 1 | ||
| CASE-COMP-BATTERY | 31009 | 31009-0009 | 1 | ||
| CASE,U LOCK | 32099 | 32099-0056 | 1 | ||
| GRIP-FRAME,LH | 32109 | 32109-0045 | 1 | ||
| GRIP-FRAME,RH | 32109A | 32109-0046 | 1 | ||
| PAD,10X50X15 | 39156 | 39156-1726 | 1 | ||
| PAD,15X15X2 | 39156A | 39156-2511 | 1 | ||
| PAD,55X55X2 | 39156B | 39156-2528 | 1 | ||
| PAD,30X50X2 | 39156C | 39156-2531 | 1 | ||
| PAD,100X45X0.21 | 39156D | 39156-2551 | 1 | ||
| TAPE,27.5X31 | 39188 | 39188-0582 | 1 | ||
| TRIM,L=22 | 53044 | 53044-0681 | 2 | ||
| TRIM,L=22 | 53044A | 53044-7503 | 1 | ||
| GUARD,BRAKE SWITCH | 55020 | 55020-2280 | 1 | ||
| NUT | 92015 | 92015-1700 | 2 | ||
| BAND,TOOL | 92072 | 92072-0149 | 1 | ||
| DAMPER,6X10X15 | 92075 | 92075-1808 | 1 | ||
| DAMPER,9X24X14 | 92075A | 92075-281 | 2 | ||
| BOLT,SOCKET,6X12 | 92153 | 92153-1617 | 2 | ||
| BOLT,SOCKET,6X14 | 92154 | 92154-0907 | 2 | ||
| BOLT,SOCKET,6X18 | 92154A | 92154-2438 | 1 | ||
| DAMPER,30X20X2 | 92161 | 92161-0833 | 3 | ||
| DAMPER | 92161A | 92161-0903 | 1 | ||
| DAMPER,15X50X6 | 92161B | 92161-0905 | 2 | ||
| DAMPER,15X30X2 | 92161C | 92161-1394 | 1 | ||
| TUBE,7X8X50 | 92192 | 92192-1005 | 1 | ||
| WASHER,6.5X20X1.6 | 92200 | 92200-2231 | 2 | ||
| NUT,CAP,6MM | 92210 | 92210-0322 | 2 | ||
| BOLT-FLANGED,6X16 | 130 | 130BA0616 | 1 | ||
| BOLT-FLANGED,6X25 | 130A | 130BA0625 | 1 | ||
| BOLT-FLANGED,6X30 | 130B | 130BA0630 | 2 | ||
| BOLT-FLANGED,8X20 | 130C | 130BA0820 | 2 | ||
| BOLT-FLANGED,6X18 | 130D | 130BB0618 | 2 | ||
| SCREW-PAN-CROS,6X20 | 220 | 220AA0620 | 2 |
| BRACKET,VEHICLE DOWN SENSOR | |
| REF # | 11056 |
|---|---|
| PART NUMBER | |
| QUANTITY | 1 |
| DESTINATION | |
| REMARKS | |
| BRACKET | |
| REF # | 11056A |
|---|---|
| PART NUMBER | |
| QUANTITY | 1 |
| DESTINATION | |
| REMARKS | |
| BRACKET,IGNITION COIL | |
| REF # | 11056B |
|---|---|
| PART NUMBER | |
| QUANTITY | 1 |
| DESTINATION | |
| REMARKS | |
| BRACKET,ECU | |
| REF # | 11057 |
|---|---|
| PART NUMBER | |
| QUANTITY | 1 |
| DESTINATION | |
| REMARKS | |
| BRACKET,JUNCTION BOX | |
| REF # | 11057A |
|---|---|
| PART NUMBER | |
| QUANTITY | 1 |
| DESTINATION | |
| REMARKS | |
| BRACKET,BRAKE SWITCH | |
| REF # | 11057B |
|---|---|
| PART NUMBER | |
| QUANTITY | 1 |
| DESTINATION | |
| REMARKS | |
| BRACKET,TANK,RR | |
| REF # | 11057C |
|---|---|
| PART NUMBER | |
| QUANTITY | 1 |
| DESTINATION | |
| REMARKS | |
| BRACKET,TANK,RR | |
| REF # | 11057D |
|---|---|
| PART NUMBER | |
| QUANTITY | 1 |
| DESTINATION | |
| REMARKS | |
| COVER,BATTERY | |
| REF # | 14091 |
|---|---|
| PART NUMBER | |
| QUANTITY | 1 |
| DESTINATION | |
| REMARKS | |
| COVER,RR,HARNESS | |
| REF # | 14092 |
|---|---|
| PART NUMBER | |
| QUANTITY | 1 |
| DESTINATION | |
| REMARKS | |
| CASE-COMP-BATTERY | |
| REF # | 31009 |
|---|---|
| PART NUMBER | |
| QUANTITY | 1 |
| DESTINATION | |
| REMARKS | |
| CASE,U LOCK | |
| REF # | 32099 |
|---|---|
| PART NUMBER | |
| QUANTITY | 1 |
| DESTINATION | |
| REMARKS | |
| GRIP-FRAME,LH | |
| REF # | 32109 |
|---|---|
| PART NUMBER | |
| QUANTITY | 1 |
| DESTINATION | |
| REMARKS | |
| GRIP-FRAME,RH | |
| REF # | 32109A |
|---|---|
| PART NUMBER | |
| QUANTITY | 1 |
| DESTINATION | |
| REMARKS | |
| PAD,10X50X15 | |
| REF # | 39156 |
|---|---|
| PART NUMBER | |
| QUANTITY | 1 |
| DESTINATION | |
| REMARKS | |
| PAD,15X15X2 | |
| REF # | 39156A |
|---|---|
| PART NUMBER | |
| QUANTITY | 1 |
| DESTINATION | |
| REMARKS | |
| PAD,55X55X2 | |
| REF # | 39156B |
|---|---|
| PART NUMBER | |
| QUANTITY | 1 |
| DESTINATION | |
| REMARKS | |
| PAD,30X50X2 | |
| REF # | 39156C |
|---|---|
| PART NUMBER | |
| QUANTITY | 1 |
| DESTINATION | |
| REMARKS | |
| PAD,100X45X0.21 | |
| REF # | 39156D |
|---|---|
| PART NUMBER | |
| QUANTITY | 1 |
| DESTINATION | |
| REMARKS | |
| TAPE,27.5X31 | |
| REF # | 39188 |
|---|---|
| PART NUMBER | |
| QUANTITY | 1 |
| DESTINATION | |
| REMARKS | |
| TRIM,L=22 | |
| REF # | 53044 |
|---|---|
| PART NUMBER | |
| QUANTITY | 2 |
| DESTINATION | |
| REMARKS | |
| TRIM,L=22 | |
| REF # | 53044A |
|---|---|
| PART NUMBER | |
| QUANTITY | 1 |
| DESTINATION | |
| REMARKS | |
| GUARD,BRAKE SWITCH | |
| REF # | 55020 |
|---|---|
| PART NUMBER | |
| QUANTITY | 1 |
| DESTINATION | |
| REMARKS | |
| NUT | |
| REF # | 92015 |
|---|---|
| PART NUMBER | |
| QUANTITY | 2 |
| DESTINATION | |
| REMARKS | |
| BAND,TOOL | |
| REF # | 92072 |
|---|---|
| PART NUMBER | |
| QUANTITY | 1 |
| DESTINATION | |
| REMARKS | |
| DAMPER,6X10X15 | |
| REF # | 92075 |
|---|---|
| PART NUMBER | |
| QUANTITY | 1 |
| DESTINATION | |
| REMARKS | |
| DAMPER,9X24X14 | |
| REF # | 92075A |
|---|---|
| PART NUMBER | |
| QUANTITY | 2 |
| DESTINATION | |
| REMARKS | |
| BOLT,SOCKET,6X12 | |
| REF # | 92153 |
|---|---|
| PART NUMBER | |
| QUANTITY | 2 |
| DESTINATION | |
| REMARKS | |
| BOLT,SOCKET,6X14 | |
| REF # | 92154 |
|---|---|
| PART NUMBER | |
| QUANTITY | 2 |
| DESTINATION | |
| REMARKS | |
| BOLT,SOCKET,6X18 | |
| REF # | 92154A |
|---|---|
| PART NUMBER | |
| QUANTITY | 1 |
| DESTINATION | |
| REMARKS | |
| DAMPER,30X20X2 | |
| REF # | 92161 |
|---|---|
| PART NUMBER | |
| QUANTITY | 3 |
| DESTINATION | |
| REMARKS | |
| DAMPER | |
| REF # | 92161A |
|---|---|
| PART NUMBER | |
| QUANTITY | 1 |
| DESTINATION | |
| REMARKS | |
| DAMPER,15X50X6 | |
| REF # | 92161B |
|---|---|
| PART NUMBER | |
| QUANTITY | 2 |
| DESTINATION | |
| REMARKS | |
| DAMPER,15X30X2 | |
| REF # | 92161C |
|---|---|
| PART NUMBER | |
| QUANTITY | 1 |
| DESTINATION | |
| REMARKS | |
| TUBE,7X8X50 | |
| REF # | 92192 |
|---|---|
| PART NUMBER | |
| QUANTITY | 1 |
| DESTINATION | |
| REMARKS | |
| WASHER,6.5X20X1.6 | |
| REF # | 92200 |
|---|---|
| PART NUMBER | |
| QUANTITY | 2 |
| DESTINATION | |
| REMARKS | |
| NUT,CAP,6MM | |
| REF # | 92210 |
|---|---|
| PART NUMBER | |
| QUANTITY | 2 |
| DESTINATION | |
| REMARKS | |
| BOLT-FLANGED,6X16 | |
| REF # | 130 |
|---|---|
| PART NUMBER | |
| QUANTITY | 1 |
| DESTINATION | |
| REMARKS | |
| BOLT-FLANGED,6X25 | |
| REF # | 130A |
|---|---|
| PART NUMBER | |
| QUANTITY | 1 |
| DESTINATION | |
| REMARKS | |
| BOLT-FLANGED,6X30 | |
| REF # | 130B |
|---|---|
| PART NUMBER | |
| QUANTITY | 2 |
| DESTINATION | |
| REMARKS | |
| BOLT-FLANGED,8X20 | |
| REF # | 130C |
|---|---|
| PART NUMBER | |
| QUANTITY | 2 |
| DESTINATION | |
| REMARKS | |
| BOLT-FLANGED,6X18 | |
| REF # | 130D |
|---|---|
| PART NUMBER | |
| QUANTITY | 2 |
| DESTINATION | |
| REMARKS | |
| SCREW-PAN-CROS,6X20 | |
| REF # | 220 |
|---|---|
| PART NUMBER | |
| QUANTITY | 2 |
| DESTINATION | |
| REMARKS | |