main content of page
Parts Diagrams
OWNER CENTER |
Welcome, Kawasaki owners. Access the information and tools you need to get the most out of your vehicle.
OWNER CENTER |
Welcome, Kawasaki owners. Access the information and tools you need to get the most out of your vehicle.
Parts Diagrams |
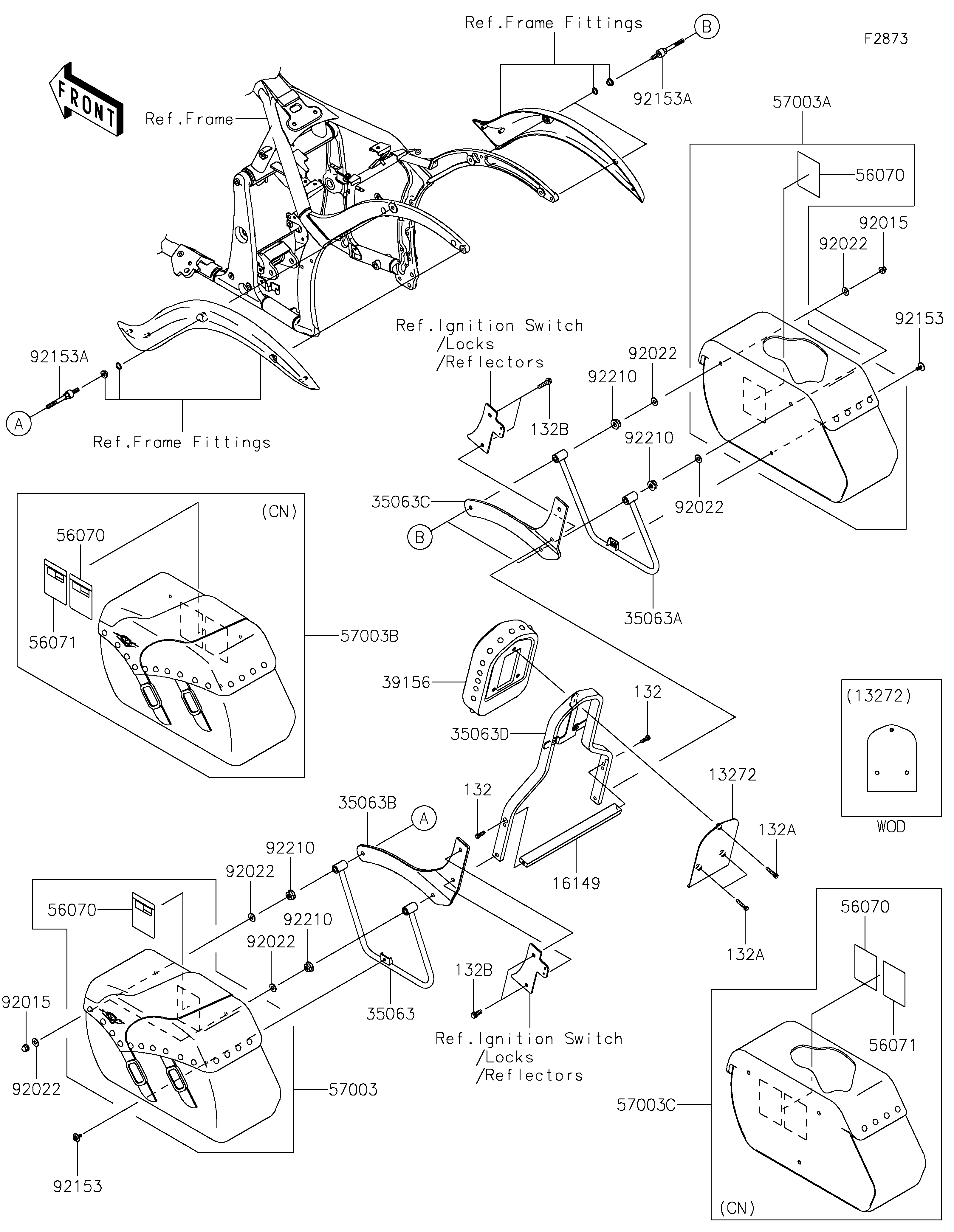
2022 VULCAN® 900 CLASSIC LT - Saddlebags
13272
16149
35063
35063A
35063B
35063C
35063D
39156
56070
56070
56070
56070
56071
56071
57003
57003A
57003B
57003C
92015
92015
92022
92022
92022
92022
92022
92022
92153
92153
92153A
92153A
92210
92210
92210
92210
132
132
132A
132A
132B
132B
| ITEM NAME | REF # | PART NUMBER | QUANTITY | DESTINATION | REMARKS |
|---|---|---|---|---|---|
| PLATE | 13272 | 13272-0841 | 1 | ||
| BAR | 16149 | 16149-0032 | 1 | ||
| STAY,SIDE BAG,LH | 35063 | 35063-0264 | 1 | ||
| STAY,SIDE BAG,RH | 35063A | 35063-0266 | 1 | ||
| STAY,BACKREST,LH | 35063B | 35063-0349 | 1 | ||
| STAY,BACKREST,RH | 35063C | 35063-0350 | 1 | ||
| STAY,BACKREST | 35063D | 35063-0691 | 1 | ||
| PAD,SISSY BAR,BLACK | 39156 | 39156-0559-MA | 1 | ||
| LABEL-WARNING,SADDLEBAG | 56070 | 56070-0076 | 2 | ||
| LABEL-WARNING,SADDLEBAG | 56071 | 56071-0001 | 2 | CN | |
| BAG-ASSY,LH | 57003 | 57003-0086 | 1 | CA | |
| BAG-ASSY,RH | 57003A | 57003-0087 | 1 | CA | |
| BAG-ASSY,LH | 57003B | 57003-0088 | 1 | CN | |
| BAG-ASSY,RH | 57003C | 57003-0089 | 1 | CN | |
| NUT,CAP,LOCK,8MM,BLACK | 92015 | 92015-1209 | 4 | ||
| WASHER,8.5X20X1.6,BLACK | 92022 | 92022-1317 | 8 | ||
| BOLT,6X16 | 92153 | 92153-0684 | 2 | ||
| BOLT | 92153A | 92153-1544 | 4 | ||
| NUT,FLANGED,8MM | 92210 | 92210-0555 | 4 | ||
| BOLT-FLANGED-SMALL,6X20 | 132 | 132BB0620 | 2 | ||
| BOLT-FLANGED-SMALL,6X30 | 132A | 132E0630 | 3 | ||
| BOLT-FLANGED-SMALL,8X20 | 132B | 132E0820 | 4 |
| PLATE | |
| REF # | 13272 |
|---|---|
| PART NUMBER | |
| QUANTITY | 1 |
| DESTINATION | |
| REMARKS | |
| BAR | |
| REF # | 16149 |
|---|---|
| PART NUMBER | |
| QUANTITY | 1 |
| DESTINATION | |
| REMARKS | |
| STAY,SIDE BAG,LH | |
| REF # | 35063 |
|---|---|
| PART NUMBER | |
| QUANTITY | 1 |
| DESTINATION | |
| REMARKS | |
| STAY,SIDE BAG,RH | |
| REF # | 35063A |
|---|---|
| PART NUMBER | |
| QUANTITY | 1 |
| DESTINATION | |
| REMARKS | |
| STAY,BACKREST,LH | |
| REF # | 35063B |
|---|---|
| PART NUMBER | |
| QUANTITY | 1 |
| DESTINATION | |
| REMARKS | |
| STAY,BACKREST,RH | |
| REF # | 35063C |
|---|---|
| PART NUMBER | |
| QUANTITY | 1 |
| DESTINATION | |
| REMARKS | |
| STAY,BACKREST | |
| REF # | 35063D |
|---|---|
| PART NUMBER | |
| QUANTITY | 1 |
| DESTINATION | |
| REMARKS | |
| PAD,SISSY BAR,BLACK | |
| REF # | 39156 |
|---|---|
| PART NUMBER | |
| QUANTITY | 1 |
| DESTINATION | |
| REMARKS | |
| LABEL-WARNING,SADDLEBAG | |
| REF # | 56070 |
|---|---|
| PART NUMBER | |
| QUANTITY | 2 |
| DESTINATION | |
| REMARKS | |
| LABEL-WARNING,SADDLEBAG | |
| REF # | 56071 |
|---|---|
| PART NUMBER | |
| QUANTITY | 2 |
| DESTINATION | CN |
| REMARKS | |
| BAG-ASSY,LH | |
| REF # | 57003 |
|---|---|
| PART NUMBER | |
| QUANTITY | 1 |
| DESTINATION | CA |
| REMARKS | |
| BAG-ASSY,RH | |
| REF # | 57003A |
|---|---|
| PART NUMBER | |
| QUANTITY | 1 |
| DESTINATION | CA |
| REMARKS | |
| BAG-ASSY,LH | |
| REF # | 57003B |
|---|---|
| PART NUMBER | |
| QUANTITY | 1 |
| DESTINATION | CN |
| REMARKS | |
| BAG-ASSY,RH | |
| REF # | 57003C |
|---|---|
| PART NUMBER | |
| QUANTITY | 1 |
| DESTINATION | CN |
| REMARKS | |
| NUT,CAP,LOCK,8MM,BLACK | |
| REF # | 92015 |
|---|---|
| PART NUMBER | |
| QUANTITY | 4 |
| DESTINATION | |
| REMARKS | |
| WASHER,8.5X20X1.6,BLACK | |
| REF # | 92022 |
|---|---|
| PART NUMBER | |
| QUANTITY | 8 |
| DESTINATION | |
| REMARKS | |
| BOLT,6X16 | |
| REF # | 92153 |
|---|---|
| PART NUMBER | |
| QUANTITY | 2 |
| DESTINATION | |
| REMARKS | |
| BOLT | |
| REF # | 92153A |
|---|---|
| PART NUMBER | |
| QUANTITY | 4 |
| DESTINATION | |
| REMARKS | |
| NUT,FLANGED,8MM | |
| REF # | 92210 |
|---|---|
| PART NUMBER | |
| QUANTITY | 4 |
| DESTINATION | |
| REMARKS | |
| BOLT-FLANGED-SMALL,6X20 | |
| REF # | 132 |
|---|---|
| PART NUMBER | |
| QUANTITY | 2 |
| DESTINATION | |
| REMARKS | |
| BOLT-FLANGED-SMALL,6X30 | |
| REF # | 132A |
|---|---|
| PART NUMBER | |
| QUANTITY | 3 |
| DESTINATION | |
| REMARKS | |
| BOLT-FLANGED-SMALL,8X20 | |
| REF # | 132B |
|---|---|
| PART NUMBER | |
| QUANTITY | 4 |
| DESTINATION | |
| REMARKS | |