main content of page
Parts Diagrams
OWNER CENTER |
Welcome, Kawasaki owners. Access the information and tools you need to get the most out of your vehicle.
OWNER CENTER |
Welcome, Kawasaki owners. Access the information and tools you need to get the most out of your vehicle.
Parts Diagrams |
16073
16073
16163
16163
21176
21176
21176
21176
31064
31064
49033
49033
49056
49056
49056A
49056A
92005
92005
92005A
92005A
92005B
92005B
92055
92055
92055A
92055A
92055A
92055A
92055B
92055B
92055C
92055C
92055C
92055C
92144
92144
92172
92172
92172A
92172A
92172A
92172A
92191
92191
92191A
92191A
92191B
92191B
92192
92192
92192A
92192A
92192A
92192A
92192A
92192A
92192A
92192A
92192B
92192B
92192C
92192C
92192C
92192C
92200
92200
92200A
92200A
92200A
92200A
220
220
220
220
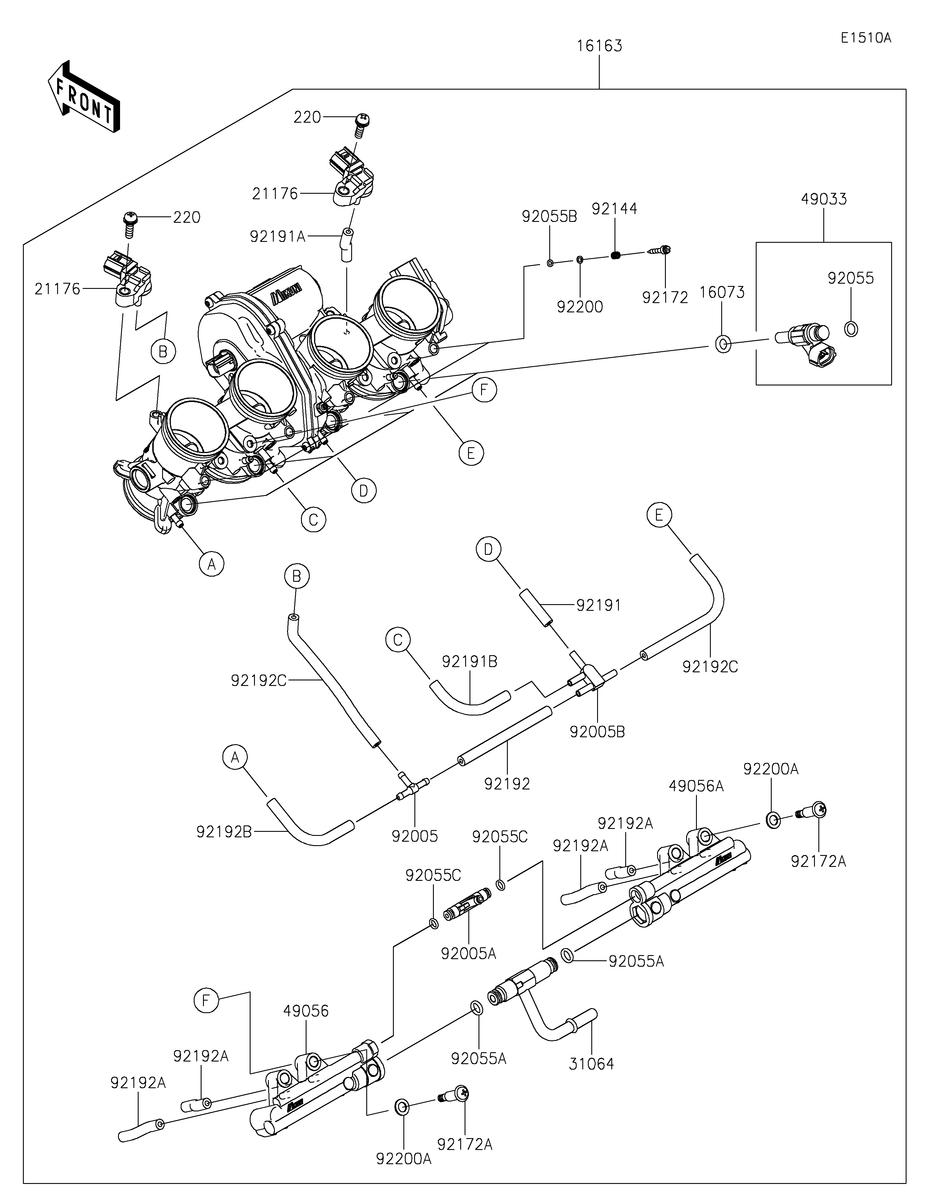
| ITEM NAME | REF # | PART NUMBER | QUANTITY | DESTINATION | REMARKS |
|---|---|---|---|---|---|
| INSULATOR | 16073 | 16073-0848 | 4 | _________________________________________CA | |
| THROTTLE-ASSY | 16163 | 16163-1322 | 1 | _________________________________________CA | |
| SENSOR,PRESSURE | 21176 | 21176-0906 | 2 | _________________________________________CA | |
| PIPE-COMP | 31064 | 31064-0714 | 1 | _________________________________________CA | |
| NOZZLE-INJECTION | 49033 | 49033-0563 | 4 | _________________________________________CA | |
| PIPE-INJECTION,LH | 49056 | 49056-0569 | 1 | _________________________________________CA | |
| PIPE-INJECTION,RH | 49056A | 49056-0570 | 1 | _________________________________________CA | |
| FITTING | 92005 | 92005-1380 | 1 | _________________________________________CA | |
| FITTING | 92005A | 92005-1475 | 1 | _________________________________________CA | |
| FITTING | 92005B | 92005-1476 | 1 | _________________________________________CA | |
| RING-O,INJECTION NOZZLE | 92055 | 92055-0124 | 4 | _________________________________________CA | |
| RING-O | 92055A | 92055-0761 | 2 | _________________________________________CA | |
| RING-O,AIR SCREW | 92055B | 92055-1658 | 4 | _________________________________________CA | |
| RING-O | 92055C | 92055-1758 | 2 | _________________________________________CA | |
| SPRING,THROTTLE STOP SCREW | 92144 | 92144-1674 | 4 | _________________________________________CA | |
| SCREW | 92172 | 92172-0156 | 4 | _________________________________________CA | |
| SCREW,PIPE INJECTION | 92172A | 92172-0828 | 4 | _________________________________________CA | |
| TUBE,3.2X7.4X30 | 92191 | 92191-1550 | 1 | _________________________________________CA | |
| TUBE,3.2X7.4X40 | 92191A | 92191-1551 | 1 | _________________________________________CA | |
| TUBE,3.2X7.4X70 | 92191B | 92191-1552 | 1 | _________________________________________CA | |
| TUBE,3.2X7.4X90 | 92192 | 92192-1265 | 1 | _________________________________________CA | |
| TUBE,3.5X7.5X40 | 92192A | 92192-1494 | 4 | _________________________________________CA | |
| TUBE,3.2X7.4X80 | 92192B | 92192-2727 | 1 | _________________________________________CA | |
| TUBE,3.2X7.4X125 | 92192C | 92192-2729 | 2 | _________________________________________CA | |
| WASHER,PILOT AIR SCREW | 92200 | 92200-1564 | 4 | _________________________________________CA | |
| WASHER | 92200A | 92200-3807 | 4 | _________________________________________CA | |
| SCREW-PAN-CROS,5X16 | 220 | 220AA0516 | 2 | _________________________________________CA |
| INSULATOR | |
| REF # | 16073 |
|---|---|
| PART NUMBER | |
| QUANTITY | 4 |
| DESTINATION | |
| REMARKS | _________________________________________CA |
| THROTTLE-ASSY | |
| REF # | 16163 |
|---|---|
| PART NUMBER | |
| QUANTITY | 1 |
| DESTINATION | |
| REMARKS | _________________________________________CA |
| SENSOR,PRESSURE | |
| REF # | 21176 |
|---|---|
| PART NUMBER | |
| QUANTITY | 2 |
| DESTINATION | |
| REMARKS | _________________________________________CA |
| PIPE-COMP | |
| REF # | 31064 |
|---|---|
| PART NUMBER | |
| QUANTITY | 1 |
| DESTINATION | |
| REMARKS | _________________________________________CA |
| NOZZLE-INJECTION | |
| REF # | 49033 |
|---|---|
| PART NUMBER | |
| QUANTITY | 4 |
| DESTINATION | |
| REMARKS | _________________________________________CA |
| PIPE-INJECTION,LH | |
| REF # | 49056 |
|---|---|
| PART NUMBER | |
| QUANTITY | 1 |
| DESTINATION | |
| REMARKS | _________________________________________CA |
| PIPE-INJECTION,RH | |
| REF # | 49056A |
|---|---|
| PART NUMBER | |
| QUANTITY | 1 |
| DESTINATION | |
| REMARKS | _________________________________________CA |
| FITTING | |
| REF # | 92005 |
|---|---|
| PART NUMBER | |
| QUANTITY | 1 |
| DESTINATION | |
| REMARKS | _________________________________________CA |
| FITTING | |
| REF # | 92005A |
|---|---|
| PART NUMBER | |
| QUANTITY | 1 |
| DESTINATION | |
| REMARKS | _________________________________________CA |
| FITTING | |
| REF # | 92005B |
|---|---|
| PART NUMBER | |
| QUANTITY | 1 |
| DESTINATION | |
| REMARKS | _________________________________________CA |
| RING-O,INJECTION NOZZLE | |
| REF # | 92055 |
|---|---|
| PART NUMBER | |
| QUANTITY | 4 |
| DESTINATION | |
| REMARKS | _________________________________________CA |
| RING-O | |
| REF # | 92055A |
|---|---|
| PART NUMBER | |
| QUANTITY | 2 |
| DESTINATION | |
| REMARKS | _________________________________________CA |
| RING-O,AIR SCREW | |
| REF # | 92055B |
|---|---|
| PART NUMBER | |
| QUANTITY | 4 |
| DESTINATION | |
| REMARKS | _________________________________________CA |
| RING-O | |
| REF # | 92055C |
|---|---|
| PART NUMBER | |
| QUANTITY | 2 |
| DESTINATION | |
| REMARKS | _________________________________________CA |
| SPRING,THROTTLE STOP SCREW | |
| REF # | 92144 |
|---|---|
| PART NUMBER | |
| QUANTITY | 4 |
| DESTINATION | |
| REMARKS | _________________________________________CA |
| SCREW | |
| REF # | 92172 |
|---|---|
| PART NUMBER | |
| QUANTITY | 4 |
| DESTINATION | |
| REMARKS | _________________________________________CA |
| SCREW,PIPE INJECTION | |
| REF # | 92172A |
|---|---|
| PART NUMBER | |
| QUANTITY | 4 |
| DESTINATION | |
| REMARKS | _________________________________________CA |
| TUBE,3.2X7.4X30 | |
| REF # | 92191 |
|---|---|
| PART NUMBER | |
| QUANTITY | 1 |
| DESTINATION | |
| REMARKS | _________________________________________CA |
| TUBE,3.2X7.4X40 | |
| REF # | 92191A |
|---|---|
| PART NUMBER | |
| QUANTITY | 1 |
| DESTINATION | |
| REMARKS | _________________________________________CA |
| TUBE,3.2X7.4X70 | |
| REF # | 92191B |
|---|---|
| PART NUMBER | |
| QUANTITY | 1 |
| DESTINATION | |
| REMARKS | _________________________________________CA |
| TUBE,3.2X7.4X90 | |
| REF # | 92192 |
|---|---|
| PART NUMBER | |
| QUANTITY | 1 |
| DESTINATION | |
| REMARKS | _________________________________________CA |
| TUBE,3.5X7.5X40 | |
| REF # | 92192A |
|---|---|
| PART NUMBER | |
| QUANTITY | 4 |
| DESTINATION | |
| REMARKS | _________________________________________CA |
| TUBE,3.2X7.4X80 | |
| REF # | 92192B |
|---|---|
| PART NUMBER | |
| QUANTITY | 1 |
| DESTINATION | |
| REMARKS | _________________________________________CA |
| TUBE,3.2X7.4X125 | |
| REF # | 92192C |
|---|---|
| PART NUMBER | |
| QUANTITY | 2 |
| DESTINATION | |
| REMARKS | _________________________________________CA |
| WASHER,PILOT AIR SCREW | |
| REF # | 92200 |
|---|---|
| PART NUMBER | |
| QUANTITY | 4 |
| DESTINATION | |
| REMARKS | _________________________________________CA |
| WASHER | |
| REF # | 92200A |
|---|---|
| PART NUMBER | |
| QUANTITY | 4 |
| DESTINATION | |
| REMARKS | _________________________________________CA |
| SCREW-PAN-CROS,5X16 | |
| REF # | 220 |
|---|---|
| PART NUMBER | |
| QUANTITY | 2 |
| DESTINATION | |
| REMARKS | _________________________________________CA |