main content of page
Parts Diagrams
OWNER CENTER |
Welcome, Kawasaki owners. Access the information and tools you need to get the most out of your vehicle.
OWNER CENTER |
Welcome, Kawasaki owners. Access the information and tools you need to get the most out of your vehicle.
Parts Diagrams |
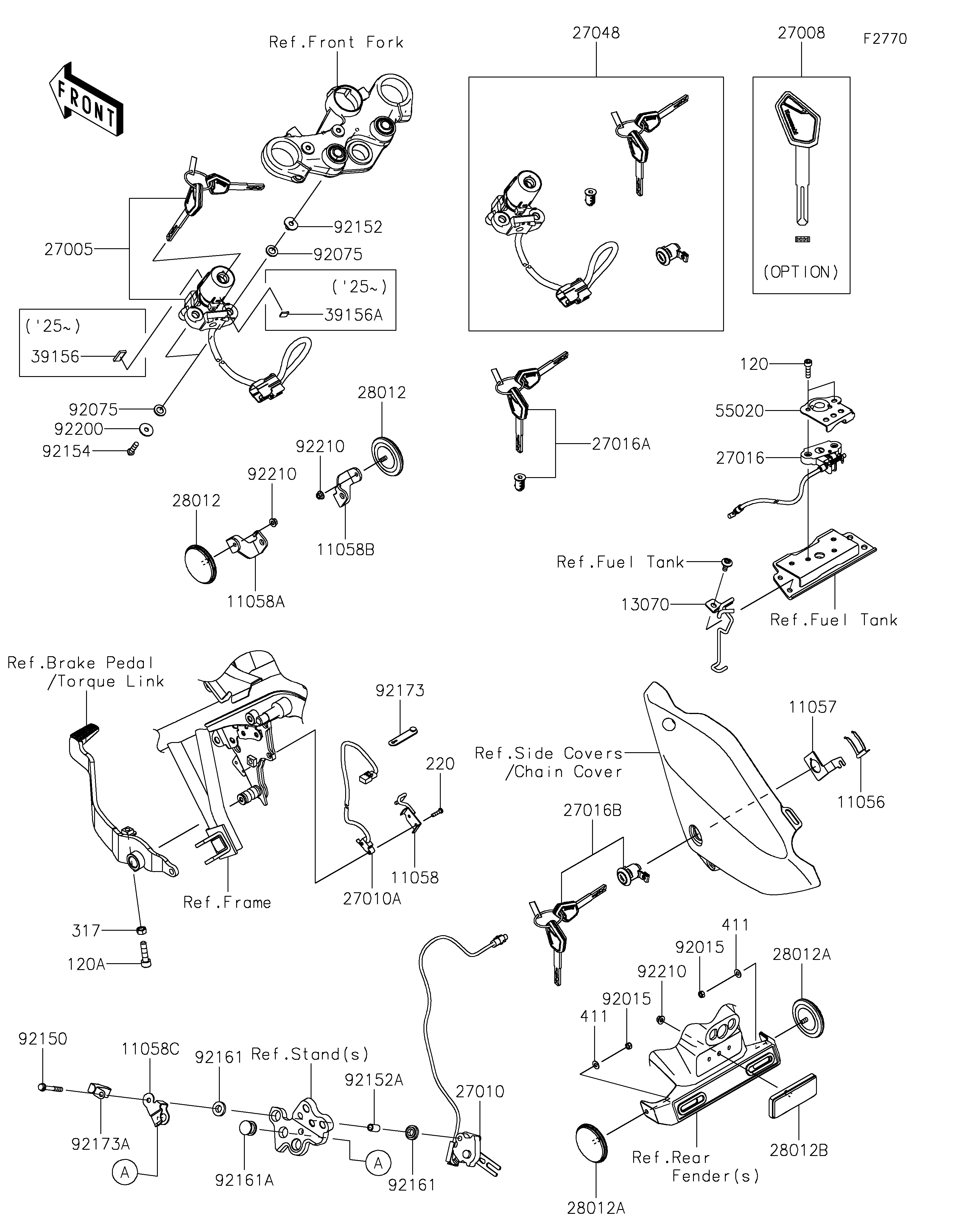
2026 Eliminator - Ignition Switch/Locks/Reflectors
11056
11057
11058
11058A
11058B
11058C
13070
27005
27008
27010
27010A
27016
27016A
27016B
27048
28012
28012
28012A
28012A
28012B
39156
39156A
55020
92015
92015
92075
92075
92150
92152
92152A
92154
92161
92161
92161A
92173
92173A
92200
92210
92210
92210
120
120A
220
317
411
411
| ITEM NAME | REF # | PART NUMBER | QUANTITY | DESTINATION | REMARKS |
|---|---|---|---|---|---|
| BRACKET,CLASP | 11056 | 11056-0238 | 1 | ||
| BRACKET,SEAT LOCK | 11057 | 11057-7033 | 1 | ||
| BRACKET,RR BRAKE | 11058 | 11058-0383 | 1 | ||
| BRACKET,REFLECTOR,FR,LH | 11058A | 11058-0574 | 1 | ||
| BRACKET,REFLECTOR,FR,RH | 11058B | 11058-0575 | 1 | ||
| BRACKET | 11058C | 11058-1673 | 1 | ||
| GUIDE,SEAT LOCK | 13070 | 13070-1476 | 1 | ||
| SWITCH-ASSY-IGNITION | 27005 | 27005-0724 | 1 | ||
| KEY-LOCK,BLANK | 27008 | 27008-0688 | 1 | (OPTION) | |
| SWITCH,SIDE STAND | 27010 | 27010-0845 | 1 | ||
| SWITCH,BRAKE | 27010A | 27010-0983 | 1 | ||
| LOCK-ASSY,SEAT STRIKER | 27016 | 27016-0107 | 1 | ||
| LOCK-ASSY,TANK CAP | 27016A | 27016-5421 | 1 | ||
| LOCK-ASSY,SEAT | 27016B | 27016-5429 | 1 | ||
| SWITCH-ASSY | 27048 | 27048-5292 | 1 | ||
| REFLECTOR-REFLEX,FR,SIDE | 28012 | 28012-0061 | 2 | ||
| REFLECTOR-REFLEX,RR,SIDE | 28012A | 28012-0063 | 2 | ||
| REFLECTOR-REFLEX,RR,FLAP | 28012B | 28012-0064 | 1 | ||
| PAD,25X10X3 | 39156 | 39156-2586 | 1 | ||
| PAD,10X10X2 | 39156A | 39156-2982 | 1 | ||
| GUARD,SEAT STRIKER | 55020 | 55020-2468 | 1 | ||
| NUT,LOCK,5MM | 92015 | 92015-1221 | 2 | ||
| DAMPER | 92075 | 92075-1564 | 4 | ||
| BOLT,6X45 | 92150 | 92150-1884 | 1 | ||
| COLLAR,6X9X10.6 | 92152 | 92152-1971 | 2 | ||
| COLLAR,6.5X9.5X17 | 92152A | 92152-2274 | 1 | ||
| BOLT,TORX,6X22 | 92154 | 92154-1858 | 2 | ||
| DAMPER | 92161 | 92161-0117 | 2 | ||
| DAMPER | 92161A | 92161-0118 | 1 | ||
| CLAMP | 92173 | 92173-2198 | 1 | ||
| CLAMP | 92173A | 92173-2721 | 1 | ||
| WASHER,6X20X1.6 | 92200 | 92200-0780 | 2 | ||
| NUT,FLANGED,5MM | 92210 | 92210-0007 | 3 | ||
| BOLT-SOCKET,6X22 | 120 | 120CA0622 | 2 | ||
| BOLT-SOCKET,8X30 | 120A | 120CB0830 | 1 | ||
| SCREW-PAN-CROS,4X16 | 220 | 220AB0416 | 1 | ||
| NUT-HEX-SMALL,8MM | 317 | 317AB0800 | 1 | ||
| WASHER-PLAIN,5MM | 411 | 411AB0500 | 2 |
| BRACKET,CLASP | |
| REF # | 11056 |
|---|---|
| PART NUMBER | |
| QUANTITY | 1 |
| DESTINATION | |
| REMARKS | |
| BRACKET,SEAT LOCK | |
| REF # | 11057 |
|---|---|
| PART NUMBER | |
| QUANTITY | 1 |
| DESTINATION | |
| REMARKS | |
| BRACKET,RR BRAKE | |
| REF # | 11058 |
|---|---|
| PART NUMBER | |
| QUANTITY | 1 |
| DESTINATION | |
| REMARKS | |
| BRACKET,REFLECTOR,FR,LH | |
| REF # | 11058A |
|---|---|
| PART NUMBER | |
| QUANTITY | 1 |
| DESTINATION | |
| REMARKS | |
| BRACKET,REFLECTOR,FR,RH | |
| REF # | 11058B |
|---|---|
| PART NUMBER | |
| QUANTITY | 1 |
| DESTINATION | |
| REMARKS | |
| BRACKET | |
| REF # | 11058C |
|---|---|
| PART NUMBER | |
| QUANTITY | 1 |
| DESTINATION | |
| REMARKS | |
| GUIDE,SEAT LOCK | |
| REF # | 13070 |
|---|---|
| PART NUMBER | |
| QUANTITY | 1 |
| DESTINATION | |
| REMARKS | |
| SWITCH-ASSY-IGNITION | |
| REF # | 27005 |
|---|---|
| PART NUMBER | |
| QUANTITY | 1 |
| DESTINATION | |
| REMARKS | |
| KEY-LOCK,BLANK | |
| REF # | 27008 |
|---|---|
| PART NUMBER | |
| QUANTITY | 1 |
| DESTINATION | |
| REMARKS | (OPTION) |
| SWITCH,SIDE STAND | |
| REF # | 27010 |
|---|---|
| PART NUMBER | |
| QUANTITY | 1 |
| DESTINATION | |
| REMARKS | |
| SWITCH,BRAKE | |
| REF # | 27010A |
|---|---|
| PART NUMBER | |
| QUANTITY | 1 |
| DESTINATION | |
| REMARKS | |
| LOCK-ASSY,SEAT STRIKER | |
| REF # | 27016 |
|---|---|
| PART NUMBER | |
| QUANTITY | 1 |
| DESTINATION | |
| REMARKS | |
| LOCK-ASSY,TANK CAP | |
| REF # | 27016A |
|---|---|
| PART NUMBER | |
| QUANTITY | 1 |
| DESTINATION | |
| REMARKS | |
| LOCK-ASSY,SEAT | |
| REF # | 27016B |
|---|---|
| PART NUMBER | |
| QUANTITY | 1 |
| DESTINATION | |
| REMARKS | |
| SWITCH-ASSY | |
| REF # | 27048 |
|---|---|
| PART NUMBER | |
| QUANTITY | 1 |
| DESTINATION | |
| REMARKS | |
| REFLECTOR-REFLEX,FR,SIDE | |
| REF # | 28012 |
|---|---|
| PART NUMBER | |
| QUANTITY | 2 |
| DESTINATION | |
| REMARKS | |
| REFLECTOR-REFLEX,RR,SIDE | |
| REF # | 28012A |
|---|---|
| PART NUMBER | |
| QUANTITY | 2 |
| DESTINATION | |
| REMARKS | |
| REFLECTOR-REFLEX,RR,FLAP | |
| REF # | 28012B |
|---|---|
| PART NUMBER | |
| QUANTITY | 1 |
| DESTINATION | |
| REMARKS | |
| PAD,25X10X3 | |
| REF # | 39156 |
|---|---|
| PART NUMBER | |
| QUANTITY | 1 |
| DESTINATION | |
| REMARKS | |
| PAD,10X10X2 | |
| REF # | 39156A |
|---|---|
| PART NUMBER | |
| QUANTITY | 1 |
| DESTINATION | |
| REMARKS | |
| GUARD,SEAT STRIKER | |
| REF # | 55020 |
|---|---|
| PART NUMBER | |
| QUANTITY | 1 |
| DESTINATION | |
| REMARKS | |
| NUT,LOCK,5MM | |
| REF # | 92015 |
|---|---|
| PART NUMBER | |
| QUANTITY | 2 |
| DESTINATION | |
| REMARKS | |
| DAMPER | |
| REF # | 92075 |
|---|---|
| PART NUMBER | |
| QUANTITY | 4 |
| DESTINATION | |
| REMARKS | |
| BOLT,6X45 | |
| REF # | 92150 |
|---|---|
| PART NUMBER | |
| QUANTITY | 1 |
| DESTINATION | |
| REMARKS | |
| COLLAR,6X9X10.6 | |
| REF # | 92152 |
|---|---|
| PART NUMBER | |
| QUANTITY | 2 |
| DESTINATION | |
| REMARKS | |
| COLLAR,6.5X9.5X17 | |
| REF # | 92152A |
|---|---|
| PART NUMBER | |
| QUANTITY | 1 |
| DESTINATION | |
| REMARKS | |
| BOLT,TORX,6X22 | |
| REF # | 92154 |
|---|---|
| PART NUMBER | |
| QUANTITY | 2 |
| DESTINATION | |
| REMARKS | |
| DAMPER | |
| REF # | 92161 |
|---|---|
| PART NUMBER | |
| QUANTITY | 2 |
| DESTINATION | |
| REMARKS | |
| DAMPER | |
| REF # | 92161A |
|---|---|
| PART NUMBER | |
| QUANTITY | 1 |
| DESTINATION | |
| REMARKS | |
| CLAMP | |
| REF # | 92173 |
|---|---|
| PART NUMBER | |
| QUANTITY | 1 |
| DESTINATION | |
| REMARKS | |
| CLAMP | |
| REF # | 92173A |
|---|---|
| PART NUMBER | |
| QUANTITY | 1 |
| DESTINATION | |
| REMARKS | |
| WASHER,6X20X1.6 | |
| REF # | 92200 |
|---|---|
| PART NUMBER | |
| QUANTITY | 2 |
| DESTINATION | |
| REMARKS | |
| NUT,FLANGED,5MM | |
| REF # | 92210 |
|---|---|
| PART NUMBER | |
| QUANTITY | 3 |
| DESTINATION | |
| REMARKS | |
| BOLT-SOCKET,6X22 | |
| REF # | 120 |
|---|---|
| PART NUMBER | |
| QUANTITY | 2 |
| DESTINATION | |
| REMARKS | |
| BOLT-SOCKET,8X30 | |
| REF # | 120A |
|---|---|
| PART NUMBER | |
| QUANTITY | 1 |
| DESTINATION | |
| REMARKS | |
| SCREW-PAN-CROS,4X16 | |
| REF # | 220 |
|---|---|
| PART NUMBER | |
| QUANTITY | 1 |
| DESTINATION | |
| REMARKS | |
| NUT-HEX-SMALL,8MM | |
| REF # | 317 |
|---|---|
| PART NUMBER | |
| QUANTITY | 1 |
| DESTINATION | |
| REMARKS | |
| WASHER-PLAIN,5MM | |
| REF # | 411 |
|---|---|
| PART NUMBER | |
| QUANTITY | 2 |
| DESTINATION | |
| REMARKS | |