main content of page
Parts Diagrams
OWNER CENTER |
Welcome, Kawasaki owners. Access the information and tools you need to get the most out of your vehicle.
OWNER CENTER |
Welcome, Kawasaki owners. Access the information and tools you need to get the most out of your vehicle.
Parts Diagrams |
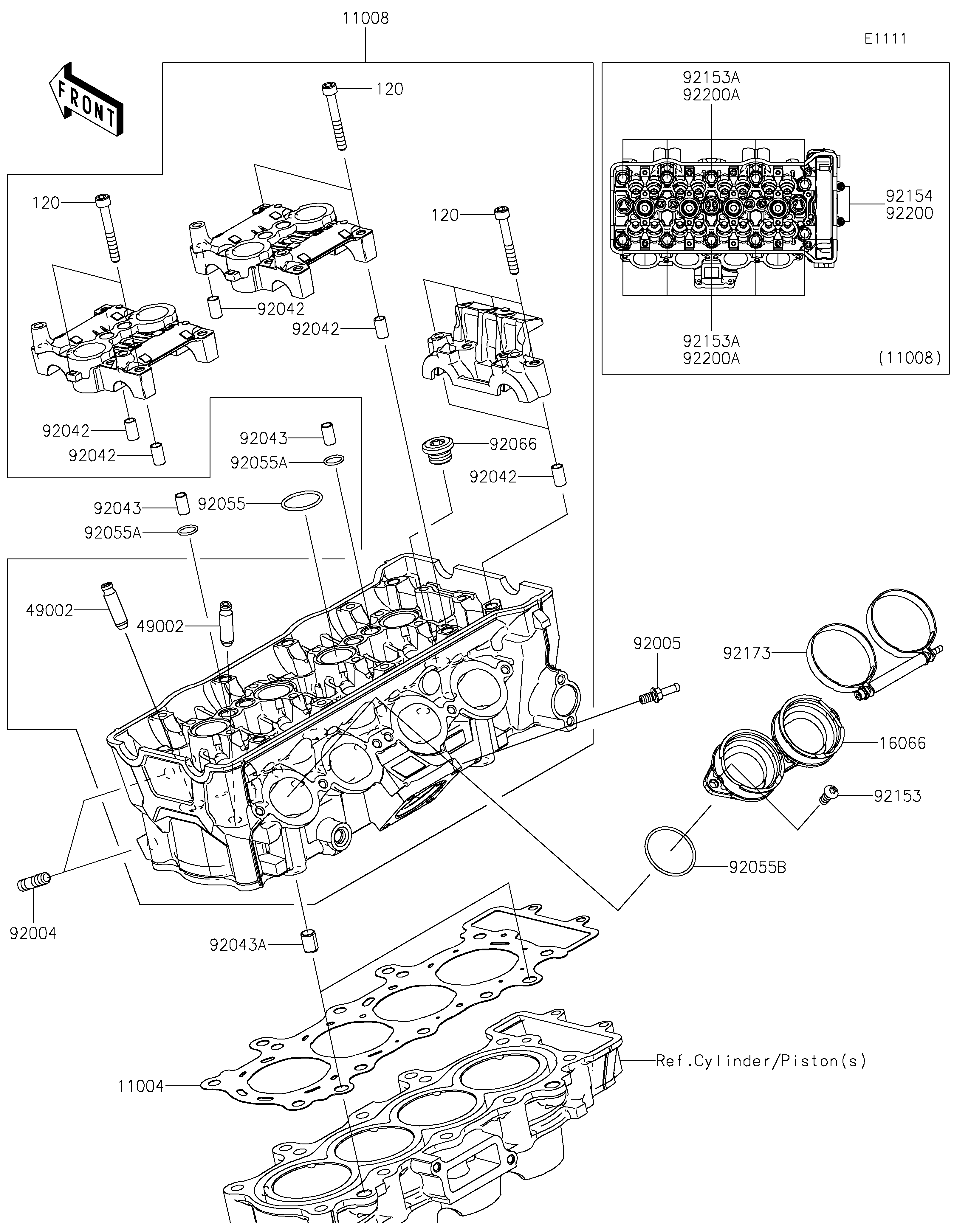
2026 NINJA® ZX™-4R ABS - Cylinder Head
11004
11008
16066
49002
49002
92004
92005
92042
92042
92042
92042
92042
92043
92043
92043A
92055
92055A
92055A
92055B
92066
92153
92153A
92153A
92154
92173
92200
92200A
92200A
120
120
120
| ITEM NAME | REF # | PART NUMBER | QUANTITY | DESTINATION | REMARKS |
|---|---|---|---|---|---|
| GASKET-HEAD | 11004 | 11004-0806 | 1 | ||
| HEAD-COMP-CYLINDER | 11008 | 11008-1503 | 1 | ||
| HOLDER-THROTTLE BODY | 16066 | 16066-0025 | 2 | ||
| GUIDE-VALVE | 49002 | 49002-1152 | 16 | ||
| STUD,8X18 | 92004 | 92004-0049 | 8 | ||
| FITTING | 92005 | 92005-0826 | 1 | ||
| PIN,DOWEL,6.3X8X14 | 92042 | 92042-007 | 6 | ||
| PIN,DOWEL,10X14 | 92043 | 92043-1037 | 4 | ||
| PIN,8.2X10X14 | 92043A | 92043-1264 | 2 | ||
| RING-O,25.5X2 | 92055 | 92055-0074 | 4 | ||
| RING-O,11.5X1.5 | 92055A | 92055-0133 | 4 | ||
| RING-O,36.2X1.9 | 92055B | 92055-1742 | 4 | ||
| PLUG,16X10 | 92066 | 92066-0129 | 3 | ||
| BOLT,TORX,6X14 | 92153 | 92153-0406 | 6 | ||
| BOLT,FLANGED,8X120 | 92153A | 92153-0960 | 10 | ||
| BOLT,SOCKET,6X80 | 92154 | 92154-7031 | 2 | ||
| CLAMP | 92173 | 92173-2681 | 2 | ||
| WASHER,6.1X10.0X1.0 | 92200 | 92200-0190 | 2 | ||
| WASHER,WAVE,8.2X16.4X1.6 | 92200A | 92200-2372 | 10 | ||
| BOLT-SOCKET,6X45 | 120 | 120CA0645 | 20 |
| GASKET-HEAD | |
| REF # | 11004 |
|---|---|
| PART NUMBER | |
| QUANTITY | 1 |
| DESTINATION | |
| REMARKS | |
| HEAD-COMP-CYLINDER | |
| REF # | 11008 |
|---|---|
| PART NUMBER | |
| QUANTITY | 1 |
| DESTINATION | |
| REMARKS | |
| HOLDER-THROTTLE BODY | |
| REF # | 16066 |
|---|---|
| PART NUMBER | |
| QUANTITY | 2 |
| DESTINATION | |
| REMARKS | |
| GUIDE-VALVE | |
| REF # | 49002 |
|---|---|
| PART NUMBER | |
| QUANTITY | 16 |
| DESTINATION | |
| REMARKS | |
| STUD,8X18 | |
| REF # | 92004 |
|---|---|
| PART NUMBER | |
| QUANTITY | 8 |
| DESTINATION | |
| REMARKS | |
| FITTING | |
| REF # | 92005 |
|---|---|
| PART NUMBER | |
| QUANTITY | 1 |
| DESTINATION | |
| REMARKS | |
| PIN,DOWEL,6.3X8X14 | |
| REF # | 92042 |
|---|---|
| PART NUMBER | |
| QUANTITY | 6 |
| DESTINATION | |
| REMARKS | |
| PIN,DOWEL,10X14 | |
| REF # | 92043 |
|---|---|
| PART NUMBER | |
| QUANTITY | 4 |
| DESTINATION | |
| REMARKS | |
| PIN,8.2X10X14 | |
| REF # | 92043A |
|---|---|
| PART NUMBER | |
| QUANTITY | 2 |
| DESTINATION | |
| REMARKS | |
| RING-O,25.5X2 | |
| REF # | 92055 |
|---|---|
| PART NUMBER | |
| QUANTITY | 4 |
| DESTINATION | |
| REMARKS | |
| RING-O,11.5X1.5 | |
| REF # | 92055A |
|---|---|
| PART NUMBER | |
| QUANTITY | 4 |
| DESTINATION | |
| REMARKS | |
| RING-O,36.2X1.9 | |
| REF # | 92055B |
|---|---|
| PART NUMBER | |
| QUANTITY | 4 |
| DESTINATION | |
| REMARKS | |
| PLUG,16X10 | |
| REF # | 92066 |
|---|---|
| PART NUMBER | |
| QUANTITY | 3 |
| DESTINATION | |
| REMARKS | |
| BOLT,TORX,6X14 | |
| REF # | 92153 |
|---|---|
| PART NUMBER | |
| QUANTITY | 6 |
| DESTINATION | |
| REMARKS | |
| BOLT,FLANGED,8X120 | |
| REF # | 92153A |
|---|---|
| PART NUMBER | |
| QUANTITY | 10 |
| DESTINATION | |
| REMARKS | |
| BOLT,SOCKET,6X80 | |
| REF # | 92154 |
|---|---|
| PART NUMBER | |
| QUANTITY | 2 |
| DESTINATION | |
| REMARKS | |
| CLAMP | |
| REF # | 92173 |
|---|---|
| PART NUMBER | |
| QUANTITY | 2 |
| DESTINATION | |
| REMARKS | |
| WASHER,6.1X10.0X1.0 | |
| REF # | 92200 |
|---|---|
| PART NUMBER | |
| QUANTITY | 2 |
| DESTINATION | |
| REMARKS | |
| WASHER,WAVE,8.2X16.4X1.6 | |
| REF # | 92200A |
|---|---|
| PART NUMBER | |
| QUANTITY | 10 |
| DESTINATION | |
| REMARKS | |
| BOLT-SOCKET,6X45 | |
| REF # | 120 |
|---|---|
| PART NUMBER | |
| QUANTITY | 20 |
| DESTINATION | |
| REMARKS | |