Skip to main content

Parts Diagrams

customer service agent speaking with a customer

Welcome, Kawasaki owners. Access the information and tools you need to get the most out of your vehicle.

Welcome, Kawasaki owners. Access the information and tools you need to get the most out of your vehicle.

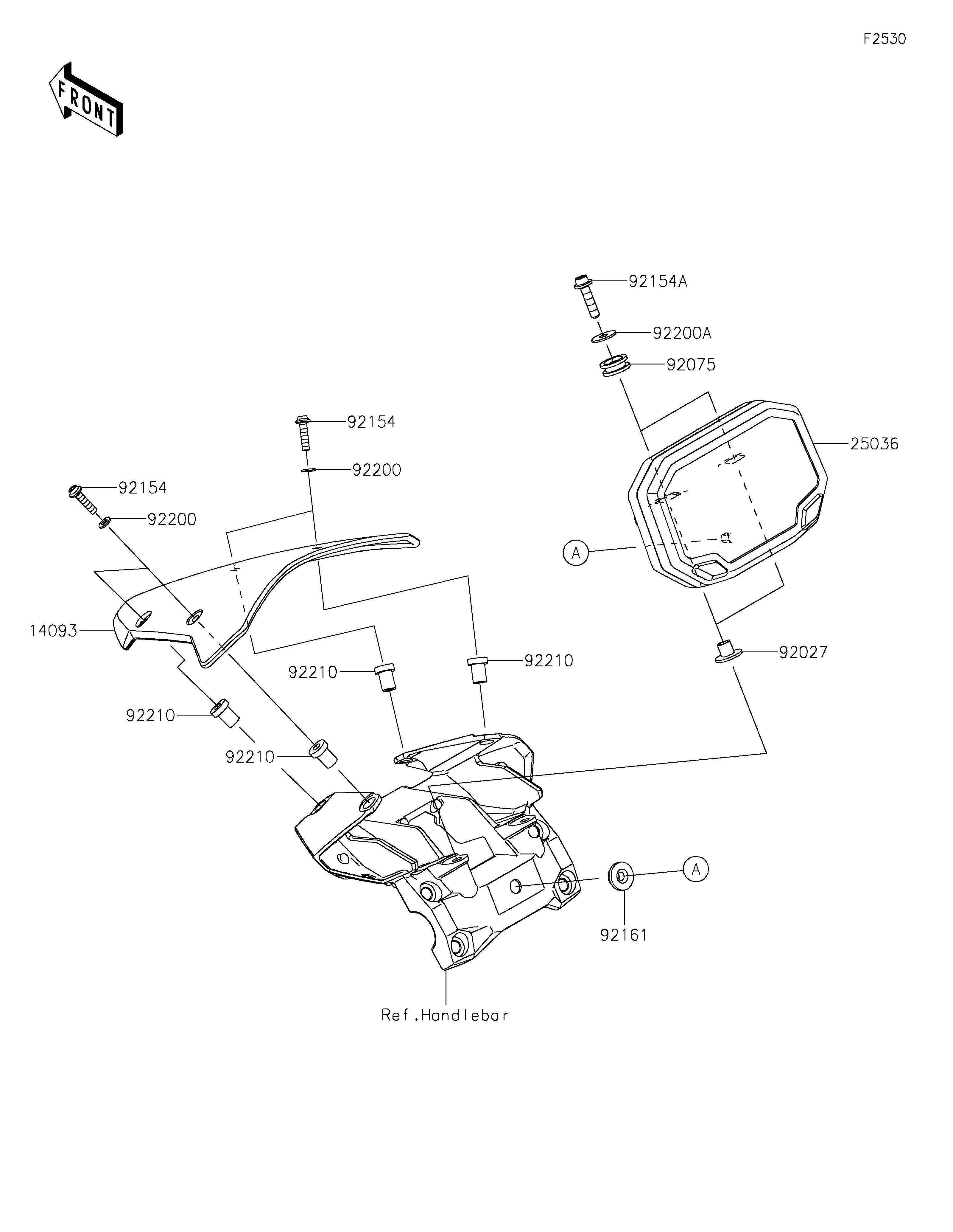
14093
25036
92027
92075
92154
92154
92154A
92161
92200
92200
92200A
92210
92210
92210
92210
Part Item Information
ITEM NAME REF # PART NUMBER QUANTITY DESTINATION REMARKS
COVER,METER 14093 14093-0970 1
METER-ASSY,TFT DISPLAY 25036 25036-0054 1
COLLAR,L=11.1 92027 92027-194 2
DAMPER 92075 92075-1634 2
BOLT,SOCKET,5X20 92154 92154-0919 4
BOLT,SOCKET,6X25 92154A 92154-2826 2
DAMPER,6X20X7.5 92161 92161-1937 1
WASHER,5.2X10X1.0 92200 92200-1820 4
WASHER,6.2X18X1.2 92200A 92200-1889 2
NUT,5MM 92210 92210-0001 4