main content of page
Parts Diagrams
OWNER CENTER |

Welcome, Kawasaki owners. Access the information and tools you need to get the most out of your vehicle.
OWNER CENTER |
Welcome, Kawasaki owners. Access the information and tools you need to get the most out of your vehicle.
Parts Diagrams |
11057
11061
11061A
12026
13159
13159
13280
14073
16073
16126
16130
49033
49064
92005
92005A
92022
92022
92022
92037
92037A
92037A
92037B
92037B
92037B
92037B
92037B
92055
92055A
92154
92154A
92154B
92154C
92154C
92154D
92154D
92154E
92154E
92154E
92154E
92170
92173
92173A
92173A
92173B
92173B
92192
92192A
92192B
92192C
92192D
92210
132
551
551
670
670
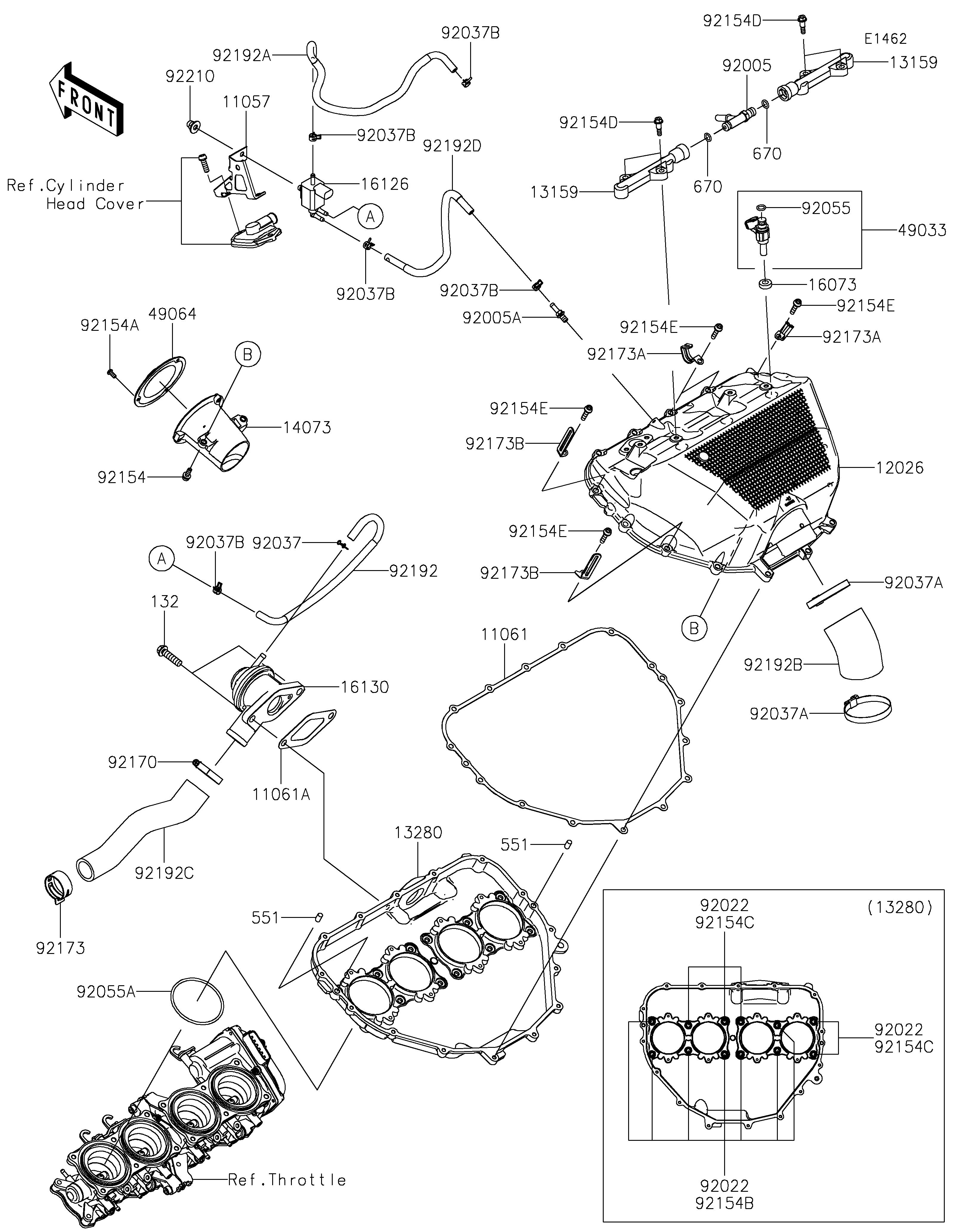
ITEM NAME | REF # | PART NUMBER | QUANTITY | DESTINATION | REMARKS |
---|---|---|---|---|---|
BRACKET,SOLENOID VALVE | 11057 | 11057-3820 | 1 | ||
GASKET,CHAMBER | 11061 | 11061-0949 | 1 | ||
GASKET,BLOWOFF VALVE | 11061A | 11061-0950 | 1 | ||
CHAMBER,INTAKE | 12026 | 12026-0023 | 1 | ||
CONNECTOR | 13159 | 13159-0016 | 2 | ||
HOLDER,CHAMBER | 13280 | 13280-0905 | 1 | ||
DUCT,DIFFUSER | 14073 | 14073-0884 | 1 | ||
INSULATOR | 16073 | 16073-0129 | 4 | ||
VALVE,SOLENOID | 16126 | 16126-0751 | 1 | ||
VALVE-ASSY-RELIEF | 16130 | 16130-0010 | 1 | ||
NOZZLE-INJECTION | 49033 | 49033-0565 | 4 | ||
FILTER-AIR | 49064 | 49064-0007 | 1 | ||
FITTING | 92005 | 92005-0125 | 1 | ||
FITTING | 92005A | 92005-0826 | 1 | ||
WASHER,5.5X10.5X0.8 | 92022 | 92022-037 | 12 | ||
CLAMP,TUBE | 92037 | 92037-147 | 1 | ||
CLAMP,RESERVE TANK | 92037A | 92037-1586 | 2 | ||
CLAMP,7.8MM | 92037B | 92037-2116 | 5 | ||
RING-O,INJECTION NOZZLE | 92055 | 92055-0124 | 4 | ||
RING-O,65.8X3 | 92055A | 92055-0815 | 4 | ||
BOLT,SOCKET,5X16 | 92154 | 92154-1568 | 2 | ||
BOLT,TORX,4X10 | 92154A | 92154-1790 | 3 | ||
BOLT,FLANGED,5X14 | 92154B | 92154-3884 | 7 | ||
BOLT,FLANGED,5X95 | 92154C | 92154-3886 | 5 | ||
BOLT,SHOULDER,5X20 | 92154D | 92154-3971 | 4 | ||
BOLT,SOCKET,5X22 | 92154E | 92154-4055 | 15 | ||
CLAMP | 92170 | 92170-1036 | 1 | ||
CLAMP,35.5MM | 92173 | 92173-1432 | 1 | ||
CLAMP | 92173A | 92173-2305 | 3 | ||
CLAMP | 92173B | 92173-2307 | 2 | ||
TUBE,SOLENOID-BLOWOFF VALVE | 92192 | 92192-1841 | 1 | ||
TUBE,SOLENOID-THROTTLE BODY | 92192A | 92192-1842 | 1 | ||
TUBE,DIFFUSER | 92192B | 92192-1865 | 1 | ||
TUBE,BLOWOFF VALVE-AIR FILTER | 92192C | 92192-2290 | 1 | ||
TUBE,SOLENOID-CHAMBER | 92192D | 92192-2497 | 1 | ||
NUT,CAP,6MM | 92210 | 92210-0170 | 1 | ||
BOLT-FLANGED-SMALL,8X30 | 132 | 132BC0830 | 2 | ||
PIN-DOWEL,6X12 | 551 | 551A0612 | 2 | ||
O RING,8MM | 670 | 670E1508 | 2 |
BRACKET,SOLENOID VALVE | |
REF # | 11057 |
---|---|
PART NUMBER | |
QUANTITY | 1 |
DESTINATION | |
REMARKS |
GASKET,CHAMBER | |
REF # | 11061 |
---|---|
PART NUMBER | |
QUANTITY | 1 |
DESTINATION | |
REMARKS |
GASKET,BLOWOFF VALVE | |
REF # | 11061A |
---|---|
PART NUMBER | |
QUANTITY | 1 |
DESTINATION | |
REMARKS |
CHAMBER,INTAKE | |
REF # | 12026 |
---|---|
PART NUMBER | |
QUANTITY | 1 |
DESTINATION | |
REMARKS |
CONNECTOR | |
REF # | 13159 |
---|---|
PART NUMBER | |
QUANTITY | 2 |
DESTINATION | |
REMARKS |
HOLDER,CHAMBER | |
REF # | 13280 |
---|---|
PART NUMBER | |
QUANTITY | 1 |
DESTINATION | |
REMARKS |
DUCT,DIFFUSER | |
REF # | 14073 |
---|---|
PART NUMBER | |
QUANTITY | 1 |
DESTINATION | |
REMARKS |
INSULATOR | |
REF # | 16073 |
---|---|
PART NUMBER | |
QUANTITY | 4 |
DESTINATION | |
REMARKS |
VALVE,SOLENOID | |
REF # | 16126 |
---|---|
PART NUMBER | |
QUANTITY | 1 |
DESTINATION | |
REMARKS |
VALVE-ASSY-RELIEF | |
REF # | 16130 |
---|---|
PART NUMBER | |
QUANTITY | 1 |
DESTINATION | |
REMARKS |
NOZZLE-INJECTION | |
REF # | 49033 |
---|---|
PART NUMBER | |
QUANTITY | 4 |
DESTINATION | |
REMARKS |
FILTER-AIR | |
REF # | 49064 |
---|---|
PART NUMBER | |
QUANTITY | 1 |
DESTINATION | |
REMARKS |
FITTING | |
REF # | 92005 |
---|---|
PART NUMBER | |
QUANTITY | 1 |
DESTINATION | |
REMARKS |
FITTING | |
REF # | 92005A |
---|---|
PART NUMBER | |
QUANTITY | 1 |
DESTINATION | |
REMARKS |
WASHER,5.5X10.5X0.8 | |
REF # | 92022 |
---|---|
PART NUMBER | |
QUANTITY | 12 |
DESTINATION | |
REMARKS |
CLAMP,TUBE | |
REF # | 92037 |
---|---|
PART NUMBER | |
QUANTITY | 1 |
DESTINATION | |
REMARKS |
CLAMP,RESERVE TANK | |
REF # | 92037A |
---|---|
PART NUMBER | |
QUANTITY | 2 |
DESTINATION | |
REMARKS |
CLAMP,7.8MM | |
REF # | 92037B |
---|---|
PART NUMBER | |
QUANTITY | 5 |
DESTINATION | |
REMARKS |
RING-O,INJECTION NOZZLE | |
REF # | 92055 |
---|---|
PART NUMBER | |
QUANTITY | 4 |
DESTINATION | |
REMARKS |
RING-O,65.8X3 | |
REF # | 92055A |
---|---|
PART NUMBER | |
QUANTITY | 4 |
DESTINATION | |
REMARKS |
BOLT,SOCKET,5X16 | |
REF # | 92154 |
---|---|
PART NUMBER | |
QUANTITY | 2 |
DESTINATION | |
REMARKS |
BOLT,TORX,4X10 | |
REF # | 92154A |
---|---|
PART NUMBER | |
QUANTITY | 3 |
DESTINATION | |
REMARKS |
BOLT,FLANGED,5X14 | |
REF # | 92154B |
---|---|
PART NUMBER | |
QUANTITY | 7 |
DESTINATION | |
REMARKS |
BOLT,FLANGED,5X95 | |
REF # | 92154C |
---|---|
PART NUMBER | |
QUANTITY | 5 |
DESTINATION | |
REMARKS |
BOLT,SHOULDER,5X20 | |
REF # | 92154D |
---|---|
PART NUMBER | |
QUANTITY | 4 |
DESTINATION | |
REMARKS |
BOLT,SOCKET,5X22 | |
REF # | 92154E |
---|---|
PART NUMBER | |
QUANTITY | 15 |
DESTINATION | |
REMARKS |
CLAMP | |
REF # | 92170 |
---|---|
PART NUMBER | |
QUANTITY | 1 |
DESTINATION | |
REMARKS |
CLAMP,35.5MM | |
REF # | 92173 |
---|---|
PART NUMBER | |
QUANTITY | 1 |
DESTINATION | |
REMARKS |
CLAMP | |
REF # | 92173A |
---|---|
PART NUMBER | |
QUANTITY | 3 |
DESTINATION | |
REMARKS |
CLAMP | |
REF # | 92173B |
---|---|
PART NUMBER | |
QUANTITY | 2 |
DESTINATION | |
REMARKS |
TUBE,SOLENOID-BLOWOFF VALVE | |
REF # | 92192 |
---|---|
PART NUMBER | |
QUANTITY | 1 |
DESTINATION | |
REMARKS |
TUBE,SOLENOID-THROTTLE BODY | |
REF # | 92192A |
---|---|
PART NUMBER | |
QUANTITY | 1 |
DESTINATION | |
REMARKS |
TUBE,DIFFUSER | |
REF # | 92192B |
---|---|
PART NUMBER | |
QUANTITY | 1 |
DESTINATION | |
REMARKS |
TUBE,BLOWOFF VALVE-AIR FILTER | |
REF # | 92192C |
---|---|
PART NUMBER | |
QUANTITY | 1 |
DESTINATION | |
REMARKS |
TUBE,SOLENOID-CHAMBER | |
REF # | 92192D |
---|---|
PART NUMBER | |
QUANTITY | 1 |
DESTINATION | |
REMARKS |
NUT,CAP,6MM | |
REF # | 92210 |
---|---|
PART NUMBER | |
QUANTITY | 1 |
DESTINATION | |
REMARKS |
BOLT-FLANGED-SMALL,8X30 | |
REF # | 132 |
---|---|
PART NUMBER | |
QUANTITY | 2 |
DESTINATION | |
REMARKS |
PIN-DOWEL,6X12 | |
REF # | 551 |
---|---|
PART NUMBER | |
QUANTITY | 2 |
DESTINATION | |
REMARKS |
O RING,8MM | |
REF # | 670 |
---|---|
PART NUMBER | |
QUANTITY | 2 |
DESTINATION | |
REMARKS |