main content of page
Parts Diagrams
OWNER CENTER |
Welcome, Kawasaki owners. Access the information and tools you need to get the most out of your vehicle.
OWNER CENTER |
Welcome, Kawasaki owners. Access the information and tools you need to get the most out of your vehicle.
Parts Diagrams |
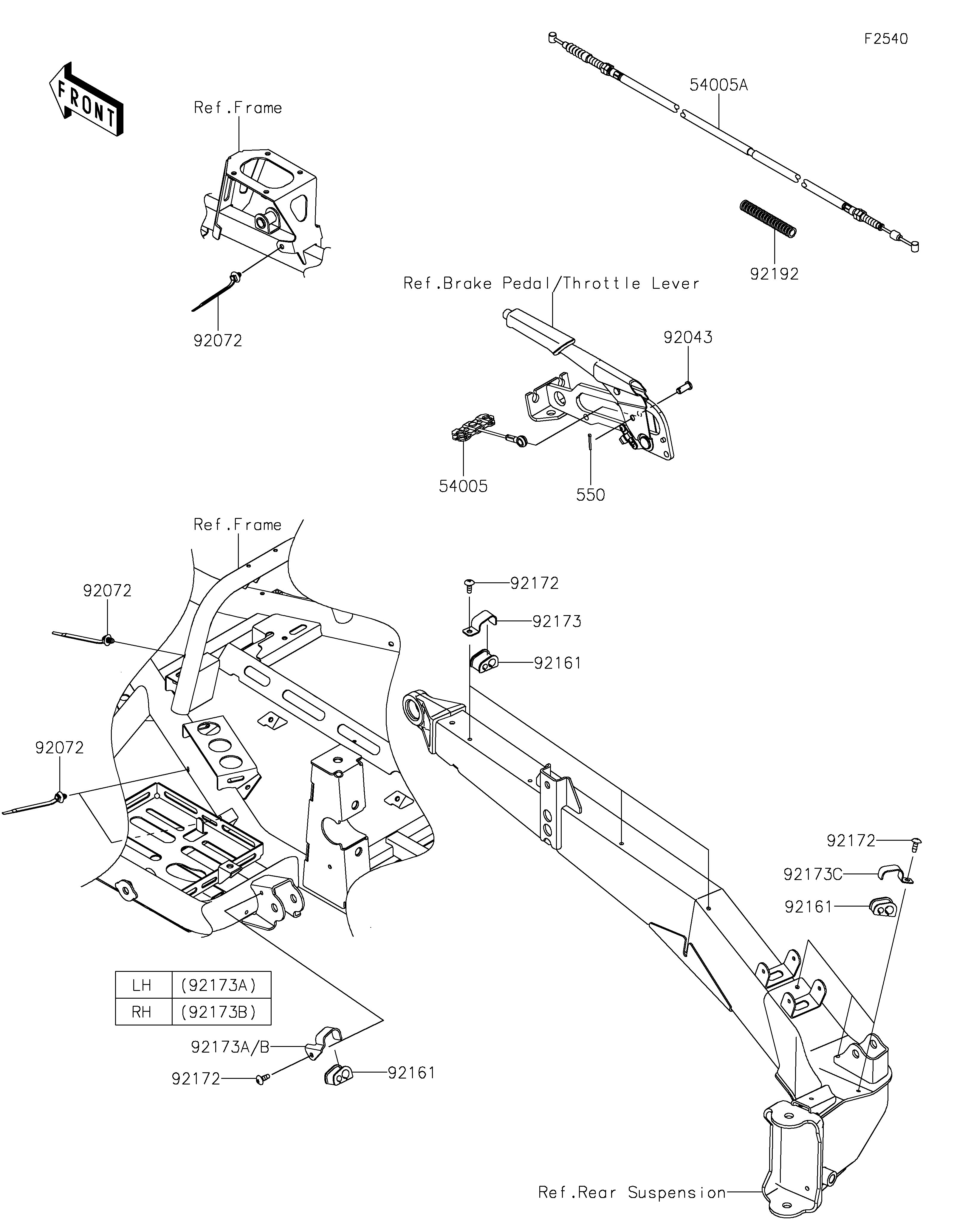
54005
54005A
92043
92072
92072
92072
92161
92161
92161
92172
92172
92172
92173
92173A
92173B
92173C
92192
550
| ITEM NAME | REF # | PART NUMBER | QUANTITY | DESTINATION | REMARKS |
|---|---|---|---|---|---|
| CABLE-BRAKE,PARKING BRAKE | 54005 | 54005-0312 | 1 | ||
| CABLE-BRAKE,PARKING BRAKE | 54005A | 54005-0323 | 2 | ||
| PIN | 92043 | 92043-1039 | 1 | ||
| BAND,OS170-FT7(BLACK) | 92072 | 92072-1414 | 8 | ||
| DAMPER | 92161 | 92161-2174 | 14 | ||
| SCREW,TAPPING,6X16 | 92172 | 92172-0739 | 14 | ||
| CLAMP | 92173 | 92173-1991 | 6 | ||
| CLAMP,LH | 92173A | 92173-1992 | 1 | ||
| CLAMP,RH | 92173B | 92173-1993 | 1 | ||
| CLAMP | 92173C | 92173-2097 | 6 | ||
| TUBE,CORRUGATED,L=100 | 92192 | 92192-3809 | 1 | ||
| PIN-COTTER,2.5X18 | 550 | 550AA2518 | 1 |
| CABLE-BRAKE,PARKING BRAKE | |
| REF # | 54005 |
|---|---|
| PART NUMBER | |
| QUANTITY | 1 |
| DESTINATION | |
| REMARKS | |
| CABLE-BRAKE,PARKING BRAKE | |
| REF # | 54005A |
|---|---|
| PART NUMBER | |
| QUANTITY | 2 |
| DESTINATION | |
| REMARKS | |
| PIN | |
| REF # | 92043 |
|---|---|
| PART NUMBER | |
| QUANTITY | 1 |
| DESTINATION | |
| REMARKS | |
| BAND,OS170-FT7(BLACK) | |
| REF # | 92072 |
|---|---|
| PART NUMBER | |
| QUANTITY | 8 |
| DESTINATION | |
| REMARKS | |
| DAMPER | |
| REF # | 92161 |
|---|---|
| PART NUMBER | |
| QUANTITY | 14 |
| DESTINATION | |
| REMARKS | |
| SCREW,TAPPING,6X16 | |
| REF # | 92172 |
|---|---|
| PART NUMBER | |
| QUANTITY | 14 |
| DESTINATION | |
| REMARKS | |
| CLAMP | |
| REF # | 92173 |
|---|---|
| PART NUMBER | |
| QUANTITY | 6 |
| DESTINATION | |
| REMARKS | |
| CLAMP,LH | |
| REF # | 92173A |
|---|---|
| PART NUMBER | |
| QUANTITY | 1 |
| DESTINATION | |
| REMARKS | |
| CLAMP,RH | |
| REF # | 92173B |
|---|---|
| PART NUMBER | |
| QUANTITY | 1 |
| DESTINATION | |
| REMARKS | |
| CLAMP | |
| REF # | 92173C |
|---|---|
| PART NUMBER | |
| QUANTITY | 6 |
| DESTINATION | |
| REMARKS | |
| TUBE,CORRUGATED,L=100 | |
| REF # | 92192 |
|---|---|
| PART NUMBER | |
| QUANTITY | 1 |
| DESTINATION | |
| REMARKS | |
| PIN-COTTER,2.5X18 | |
| REF # | 550 |
|---|---|
| PART NUMBER | |
| QUANTITY | 1 |
| DESTINATION | |
| REMARKS | |