main content of page
Parts Diagrams
OWNER CENTER |

Welcome, Kawasaki owners. Access the information and tools you need to get the most out of your vehicle.
OWNER CENTER |
Welcome, Kawasaki owners. Access the information and tools you need to get the most out of your vehicle.
Parts Diagrams |
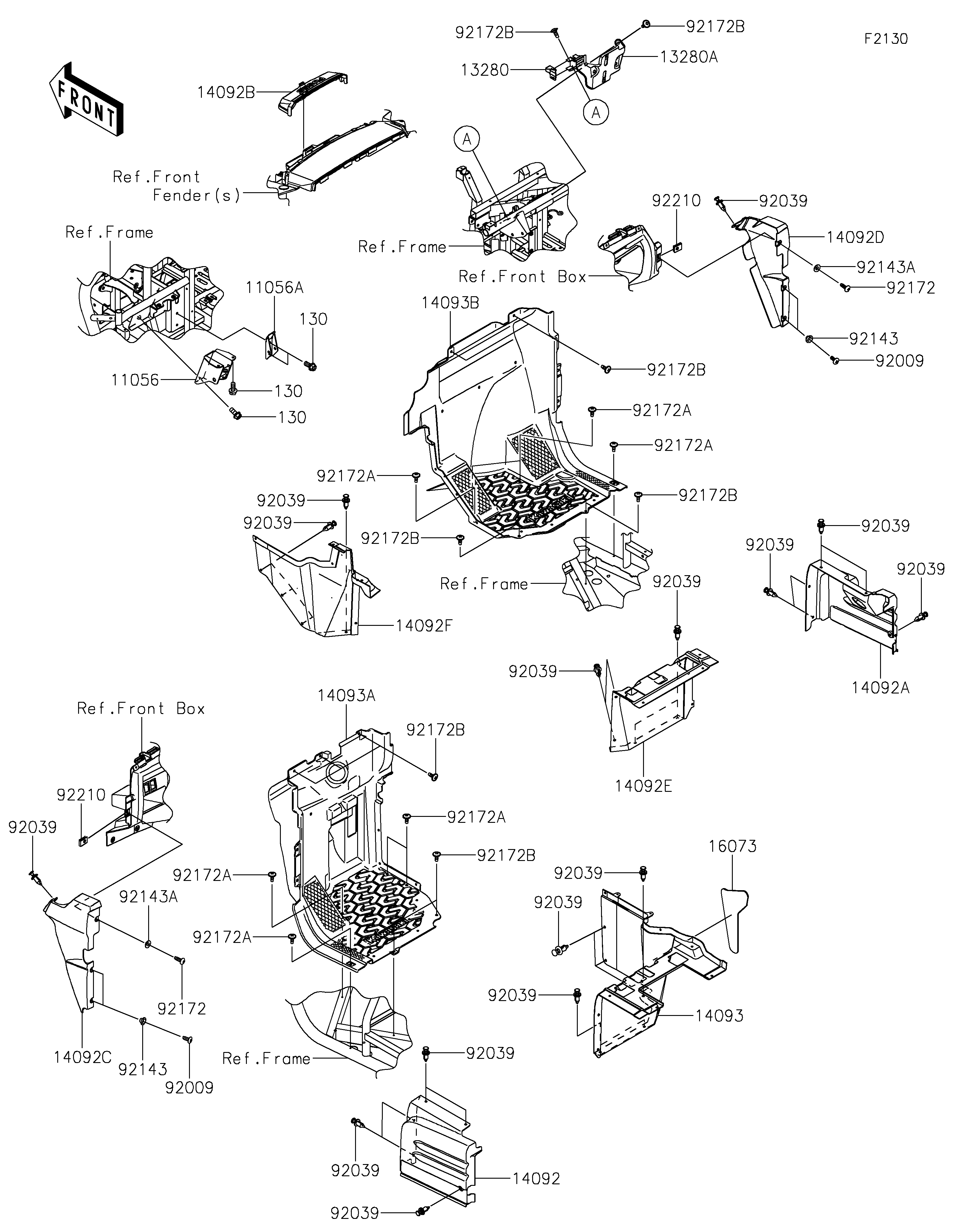
2025 Teryx4 S LE - Frame Fittings(Front)
11056
11056A
13280
13280A
14092
14092A
14092B
14092C
14092D
14092E
14092F
14093
14093A
14093B
16073
92009
92009
92039
92039
92039
92039
92039
92039
92039
92039
92039
92039
92039
92039
92039
92039
92039
92143
92143
92143A
92143A
92172
92172
92172A
92172A
92172A
92172A
92172A
92172A
92172B
92172B
92172B
92172B
92172B
92172B
92172B
92210
92210
130
130
130
ITEM NAME | REF # | PART NUMBER | QUANTITY | DESTINATION | REMARKS |
---|---|---|---|---|---|
BRACKET,BRAKE PEDAL | 11056 | 11056-1431 | 1 | ||
BRACKET,THROTTLE PEDAL | 11056A | 11056-4408 | 1 | ||
HOLDER | 13280 | 13280-0851 | 1 | ||
HOLDER,ECU | 13280A | 13280-0868 | 1 | ||
COVER,SEAT SIDE,LH | 14092 | 14092-0720 | 1 | ||
COVER,SEAT SIDE,RH | 14092A | 14092-0721 | 1 | ||
COVER,FUSE BOX | 14092B | 14092-0724 | 1 | ||
COVER,SIDE GUARD,LH,S.BLACK | 14092C | 14092-0754-839 | 1 | ||
COVER,SIDE GUARD,RH,S.BLACK | 14092D | 14092-0755-839 | 1 | ||
COVER,FR SEAT,RH | 14092E | 14092-0757 | 1 | ||
COVER,FR SEAT,RH,CNT | 14092F | 14092-1083 | 1 | ||
COVER,FR SEAT,LH | 14093 | 14093-0209 | 1 | ||
COVER,FR FLOOR,LH | 14093A | 14093-0550 | 1 | ||
COVER,FR FLOOR,RH | 14093B | 14093-0551 | 1 | ||
INSULATOR | 16073 | 16073-0847 | 1 | ||
SCREW,TAPPING,6X16 | 92009 | 92009-1166 | 4 | ||
RIVET | 92039 | 92039-0776 | 26 | ||
COLLAR | 92143 | 92143-1057 | 4 | ||
COLLAR | 92143A | 92143-1087 | 2 | ||
SCREW,TAPPING,6X20 | 92172 | 92172-0488 | 2 | ||
SCREW,6X16 | 92172A | 92172-0711 | 8 | ||
SCREW,6X16 | 92172B | 92172-0826 | 11 | ||
NUT,LEAF SPRING,6MM | 92210 | 92210-0624 | 2 | ||
BOLT-FLANGED,8X18 | 130 | 130BA0818 | 5 |
BRACKET,BRAKE PEDAL | |
REF # | 11056 |
---|---|
PART NUMBER | |
QUANTITY | 1 |
DESTINATION | |
REMARKS |
BRACKET,THROTTLE PEDAL | |
REF # | 11056A |
---|---|
PART NUMBER | |
QUANTITY | 1 |
DESTINATION | |
REMARKS |
HOLDER | |
REF # | 13280 |
---|---|
PART NUMBER | |
QUANTITY | 1 |
DESTINATION | |
REMARKS |
HOLDER,ECU | |
REF # | 13280A |
---|---|
PART NUMBER | |
QUANTITY | 1 |
DESTINATION | |
REMARKS |
COVER,SEAT SIDE,LH | |
REF # | 14092 |
---|---|
PART NUMBER | |
QUANTITY | 1 |
DESTINATION | |
REMARKS |
COVER,SEAT SIDE,RH | |
REF # | 14092A |
---|---|
PART NUMBER | |
QUANTITY | 1 |
DESTINATION | |
REMARKS |
COVER,FUSE BOX | |
REF # | 14092B |
---|---|
PART NUMBER | |
QUANTITY | 1 |
DESTINATION | |
REMARKS |
COVER,SIDE GUARD,LH,S.BLACK | |
REF # | 14092C |
---|---|
PART NUMBER | |
QUANTITY | 1 |
DESTINATION | |
REMARKS |
COVER,SIDE GUARD,RH,S.BLACK | |
REF # | 14092D |
---|---|
PART NUMBER | |
QUANTITY | 1 |
DESTINATION | |
REMARKS |
COVER,FR SEAT,RH | |
REF # | 14092E |
---|---|
PART NUMBER | |
QUANTITY | 1 |
DESTINATION | |
REMARKS |
COVER,FR SEAT,RH,CNT | |
REF # | 14092F |
---|---|
PART NUMBER | |
QUANTITY | 1 |
DESTINATION | |
REMARKS |
COVER,FR SEAT,LH | |
REF # | 14093 |
---|---|
PART NUMBER | |
QUANTITY | 1 |
DESTINATION | |
REMARKS |
COVER,FR FLOOR,LH | |
REF # | 14093A |
---|---|
PART NUMBER | |
QUANTITY | 1 |
DESTINATION | |
REMARKS |
COVER,FR FLOOR,RH | |
REF # | 14093B |
---|---|
PART NUMBER | |
QUANTITY | 1 |
DESTINATION | |
REMARKS |
INSULATOR | |
REF # | 16073 |
---|---|
PART NUMBER | |
QUANTITY | 1 |
DESTINATION | |
REMARKS |
SCREW,TAPPING,6X16 | |
REF # | 92009 |
---|---|
PART NUMBER | |
QUANTITY | 4 |
DESTINATION | |
REMARKS |
RIVET | |
REF # | 92039 |
---|---|
PART NUMBER | |
QUANTITY | 26 |
DESTINATION | |
REMARKS |
COLLAR | |
REF # | 92143 |
---|---|
PART NUMBER | |
QUANTITY | 4 |
DESTINATION | |
REMARKS |
COLLAR | |
REF # | 92143A |
---|---|
PART NUMBER | |
QUANTITY | 2 |
DESTINATION | |
REMARKS |
SCREW,TAPPING,6X20 | |
REF # | 92172 |
---|---|
PART NUMBER | |
QUANTITY | 2 |
DESTINATION | |
REMARKS |
SCREW,6X16 | |
REF # | 92172A |
---|---|
PART NUMBER | |
QUANTITY | 8 |
DESTINATION | |
REMARKS |
SCREW,6X16 | |
REF # | 92172B |
---|---|
PART NUMBER | |
QUANTITY | 11 |
DESTINATION | |
REMARKS |
NUT,LEAF SPRING,6MM | |
REF # | 92210 |
---|---|
PART NUMBER | |
QUANTITY | 2 |
DESTINATION | |
REMARKS |
BOLT-FLANGED,8X18 | |
REF # | 130 |
---|---|
PART NUMBER | |
QUANTITY | 5 |
DESTINATION | |
REMARKS |