main content of page
Parts Diagrams
OWNER CENTER |

Welcome, Kawasaki owners. Access the information and tools you need to get the most out of your vehicle.
OWNER CENTER |
Welcome, Kawasaki owners. Access the information and tools you need to get the most out of your vehicle.
Parts Diagrams |
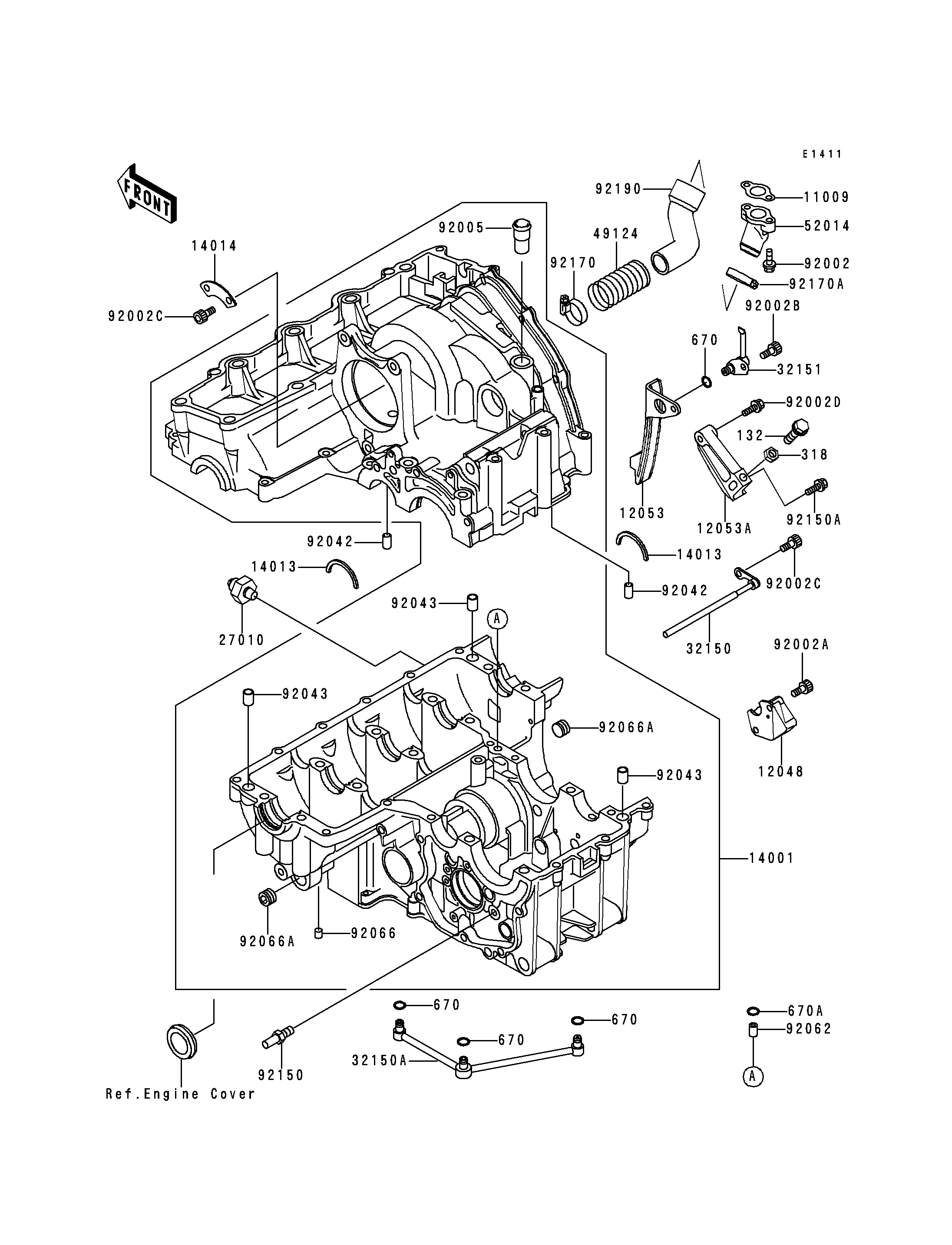
ITEM NAME | REF # | PART NUMBER | QUANTITY | DESTINATION | REMARKS |
---|---|---|---|---|---|
BOLT-FLANGED-SMALL | 132 | 132G0820 | 1 | ||
NUT-HEX-SMALL,8MM | 318 | 318B0800 | 1 | ||
O RING | 670 | 670D1505 | 4 | ||
O RING,8MM | 670A | 670D1508 | 1 | ||
GASKET,ELBOW | 11009 | 11009-1935 | 1 | ||
TENSIONER-ASSY | 12048 | 12048-1109 | 1 | ||
GUIDE-CHAIN | 12053 | 12053-1281 | 1 | ||
GUIDE-CHAIN | 12053A | 12053-1285 | 1 | ||
SET-CRANKCASE | 14001 | 14001-1097 | 1 | ||
RING-POSITION,T=1.98 | 14013 | 14013-1004 | 2 | ||
PLATE-POSITION | 14014 | 14014-1056 | 1 | ||
SWITCH,OIL PRESSURE | 27010 | 27010-1313 | 1 | ||
PIPE | 32150 | 32150-1795 | 1 | ||
PIPE | 32150A | 32150-1796 | 1 | ||
PIPE | 32151 | 32151-1492 | 1 | ||
SPRING-TUBE GUARD | 49124 | 49124-1056 | 1 | ||
ELBOW | 52014 | 52014-1077 | 1 | ||
BOLT,6X20 | 92002 | 92002-1343 | 2 | ||
BOLT,SOCKET,6X25 | 92002A | 92002-1696 | 2 | ||
BOLT,SOCKET,6X16 | 92002B | 92002-1778 | 1 | ||
BOLT,SOCKET,6X12 | 92002C | 92002-1796 | 3 | ||
BOLT,6X30 | 92002D | 92002-1797 | 1 | ||
FITTING,BREATHER | 92005 | 92005-1238 | 1 | ||
PIN,DOWEL,6X16 | 92042 | 92042-016 | 2 | ||
PIN,DOWEL,10X14 | 92043 | 92043-1037 | 3 | ||
NOZZLE | 92062 | 92062-1074 | 1 | ||
PLUG,OIL LINE,7.2X8 | 92066 | 92066-1012 | 6 | ||
PLUG | 92066A | 92066-1262 | 2 | ||
BOLT,RETURN SPRING | 92150 | 92150-1467 | 1 | ||
BOLT,6X25 | 92150A | 92150-1799 | 1 | ||
CLAMP,COOLING HOSE | 92170 | 92170-1033 | 1 | ||
CLAMP,COOLING HOSE | 92170A | 92170-1286 | 1 | ||
TUBE | 92190 | 92190-1244 | 1 |
BOLT-FLANGED-SMALL | |
REF # | 132 |
---|---|
PART NUMBER | |
QUANTITY | 1 |
DESTINATION | |
REMARKS |
NUT-HEX-SMALL,8MM | |
REF # | 318 |
---|---|
PART NUMBER | |
QUANTITY | 1 |
DESTINATION | |
REMARKS |
O RING | |
REF # | 670 |
---|---|
PART NUMBER | |
QUANTITY | 4 |
DESTINATION | |
REMARKS |
O RING,8MM | |
REF # | 670A |
---|---|
PART NUMBER | |
QUANTITY | 1 |
DESTINATION | |
REMARKS |
GASKET,ELBOW | |
REF # | 11009 |
---|---|
PART NUMBER | |
QUANTITY | 1 |
DESTINATION | |
REMARKS |
TENSIONER-ASSY | |
REF # | 12048 |
---|---|
PART NUMBER | |
QUANTITY | 1 |
DESTINATION | |
REMARKS |
GUIDE-CHAIN | |
REF # | 12053 |
---|---|
PART NUMBER | |
QUANTITY | 1 |
DESTINATION | |
REMARKS |
GUIDE-CHAIN | |
REF # | 12053A |
---|---|
PART NUMBER | |
QUANTITY | 1 |
DESTINATION | |
REMARKS |
SET-CRANKCASE | |
REF # | 14001 |
---|---|
PART NUMBER | |
QUANTITY | 1 |
DESTINATION | |
REMARKS |
RING-POSITION,T=1.98 | |
REF # | 14013 |
---|---|
PART NUMBER | |
QUANTITY | 2 |
DESTINATION | |
REMARKS |
PLATE-POSITION | |
REF # | 14014 |
---|---|
PART NUMBER | |
QUANTITY | 1 |
DESTINATION | |
REMARKS |
SWITCH,OIL PRESSURE | |
REF # | 27010 |
---|---|
PART NUMBER | |
QUANTITY | 1 |
DESTINATION | |
REMARKS |
PIPE | |
REF # | 32150 |
---|---|
PART NUMBER | |
QUANTITY | 1 |
DESTINATION | |
REMARKS |
PIPE | |
REF # | 32150A |
---|---|
PART NUMBER | |
QUANTITY | 1 |
DESTINATION | |
REMARKS |
PIPE | |
REF # | 32151 |
---|---|
PART NUMBER | |
QUANTITY | 1 |
DESTINATION | |
REMARKS |
SPRING-TUBE GUARD | |
REF # | 49124 |
---|---|
PART NUMBER | |
QUANTITY | 1 |
DESTINATION | |
REMARKS |
ELBOW | |
REF # | 52014 |
---|---|
PART NUMBER | |
QUANTITY | 1 |
DESTINATION | |
REMARKS |
BOLT,6X20 | |
REF # | 92002 |
---|---|
PART NUMBER | |
QUANTITY | 2 |
DESTINATION | |
REMARKS |
BOLT,SOCKET,6X25 | |
REF # | 92002A |
---|---|
PART NUMBER | |
QUANTITY | 2 |
DESTINATION | |
REMARKS |
BOLT,SOCKET,6X16 | |
REF # | 92002B |
---|---|
PART NUMBER | |
QUANTITY | 1 |
DESTINATION | |
REMARKS |
BOLT,SOCKET,6X12 | |
REF # | 92002C |
---|---|
PART NUMBER | |
QUANTITY | 3 |
DESTINATION | |
REMARKS |
BOLT,6X30 | |
REF # | 92002D |
---|---|
PART NUMBER | |
QUANTITY | 1 |
DESTINATION | |
REMARKS |
FITTING,BREATHER | |
REF # | 92005 |
---|---|
PART NUMBER | |
QUANTITY | 1 |
DESTINATION | |
REMARKS |
PIN,DOWEL,6X16 | |
REF # | 92042 |
---|---|
PART NUMBER | |
QUANTITY | 2 |
DESTINATION | |
REMARKS |
PIN,DOWEL,10X14 | |
REF # | 92043 |
---|---|
PART NUMBER | |
QUANTITY | 3 |
DESTINATION | |
REMARKS |
NOZZLE | |
REF # | 92062 |
---|---|
PART NUMBER | |
QUANTITY | 1 |
DESTINATION | |
REMARKS |
PLUG,OIL LINE,7.2X8 | |
REF # | 92066 |
---|---|
PART NUMBER | |
QUANTITY | 6 |
DESTINATION | |
REMARKS |
PLUG | |
REF # | 92066A |
---|---|
PART NUMBER | |
QUANTITY | 2 |
DESTINATION | |
REMARKS |
BOLT,RETURN SPRING | |
REF # | 92150 |
---|---|
PART NUMBER | |
QUANTITY | 1 |
DESTINATION | |
REMARKS |
BOLT,6X25 | |
REF # | 92150A |
---|---|
PART NUMBER | |
QUANTITY | 1 |
DESTINATION | |
REMARKS |
CLAMP,COOLING HOSE | |
REF # | 92170 |
---|---|
PART NUMBER | |
QUANTITY | 1 |
DESTINATION | |
REMARKS |
CLAMP,COOLING HOSE | |
REF # | 92170A |
---|---|
PART NUMBER | |
QUANTITY | 1 |
DESTINATION | |
REMARKS |
TUBE | |
REF # | 92190 |
---|---|
PART NUMBER | |
QUANTITY | 1 |
DESTINATION | |
REMARKS |